Например TDA7294

Форум РадиоКот • Просмотр темы - Критикуем схему.
Форум РадиоКот
Здесь можно немножко помяукать :)

Текущее время: Пт дек 12, 2025 10:11:15

Часовой пояс: UTC + 3 часа


ПРЯМО СЕЙЧАС:



Начать новую тему Ответить на тему  [ Сообщений: 33 ]  1,  
Автор Сообщение
Не в сети
 Заголовок сообщения: Критикуем схему.
СообщениеДобавлено: Вт июн 20, 2023 07:05:25 
Встал на лапы
Аватар пользователя

Зарегистрирован: Ср июл 19, 2017 12:53:01
Сообщений: 141
Рейтинг сообщения: 0
Покритикуйте схему, скетч будет писаться под неё. Функция - перемещение шаговиком в координату, введённую с клавиатуры. "К0" это концевик в координате "0". Второй лимит будет задаваться программно. Длинна "пробега" 3100 мм, больше этой величины "Ввод" невозможен. Экран по I2C конечно же. Питалово не рисовал, потому как это даже мне понятно.
Вложение:
Контроллер линейки 1.jpg [246.27 KiB]
Скачиваний: 195

Пы.Сы.: За картину сильно не пинайте, я не электронщик, я - художник, я так вижу :))


Последний раз редактировалось Q-starь Вт июн 20, 2023 10:27:39, всего редактировалось 5 раз(а).

Вернуться наверх
 
Не в сети
 Заголовок сообщения: Re: Критикуем схему.
СообщениеДобавлено: Вт июн 20, 2023 09:13:41 
Друг Кота

Карма: 67
Рейтинг сообщений: 1964
Зарегистрирован: Сб дек 18, 2021 19:25:32
Сообщений: 12867
Рейтинг сообщения: 0
это не схема


Вернуться наверх
 
Не в сети
 Заголовок сообщения: Re: Критикуем схему.
СообщениеДобавлено: Вт июн 20, 2023 09:18:09 
Встал на лапы
Аватар пользователя

Зарегистрирован: Ср июл 19, 2017 12:53:01
Сообщений: 141
Рейтинг сообщения: 0
это не схема

Чо сразу пинать то! Я по другому не понимаю, накалякал как буду провода паять.
Больше всего концевик тревожит и его дребезг.


Вернуться наверх
 
Не в сети
 Заголовок сообщения: Re: Критикуем схему.
СообщениеДобавлено: Вт июн 20, 2023 09:33:03 
Потрогал лапой паяльник

Зарегистрирован: Пн окт 26, 2020 08:37:51
Сообщений: 302
Откуда: г.Волгоград
Рейтинг сообщения: 0
Покритикуйте схему, скетч будет писаться под неё. Функция - перемещение шаговиком в координату, введённую с клавиатуры. "К0" это концевик в координате "0". Второй лимит будет задаваться программно. Экран по I2C конечно же. Питалово не рисовал, потому как это даже мне понятно.
Вложение:
Контроллер линейки.jpg

Не знаю что будет таскать этот двигатель, но если это не игрушка (равно как курсовая, дипломная поделка) и есть риск механического повреждения конструкций, то:
1. Добавить аварийный концевик на другой край и после инициализации (вращения двигателя до срабатывания концевика после включения питания) такую же аварийную функцию возложить и на существующий концевик, а за программный ноль принять координату больше абсолютного нуля.
2. Бывший концевик "0" и второй, если он будет добавлен, подтянуть к питанию резистором порядка 1Ком и зашунтировать конденсатором порядка 0,1 мкф.
3. Программно - любое срабатывание концевиков после инициализации - АВАРИЯ.
4. Параллельно любому из концевиков добавить еще кнопку аварийного останова для оператора. В случае нештатной ситуации не дергать же питание.
Про особенности применения и подключения других блоков не читал, ну думаю, что там тоже есть тонкости.

_________________
ФУОЗ на платформе Ардуино: viewtopic.php?p=4366626#p4366626
ВК - "ФУОЗ на микроконтроллере Atmega328P (МПСЗ)"


Вернуться наверх
 
Эиком - электронные компоненты и радиодетали
Не в сети
 Заголовок сообщения: Re: Критикуем схему.
СообщениеДобавлено: Вт июн 20, 2023 09:51:14 
Встал на лапы
Аватар пользователя

Зарегистрирован: Ср июл 19, 2017 12:53:01
Сообщений: 141
Рейтинг сообщения: 0
Не знаю что будет таскать этот двигатель, но если это не игрушка

Вот фото для общего понимания : перемещение каретки по вон той белой палке над потолком, на каретке лазерная указка.
Вложение:
image-05-06-23-04-14.jpg [93.33 KiB]
Скачиваний: 115


Вернуться наверх
 
Не в сети
 Заголовок сообщения: Re: Критикуем схему.
СообщениеДобавлено: Вт июн 20, 2023 09:53:19 
Друг Кота

Карма: 13
Рейтинг сообщений: 84
Зарегистрирован: Чт сен 20, 2007 14:08:00
Сообщений: 13796
Рейтинг сообщения: 1
4 входа кнопок надо подтягивать к питанию резисторами
встроеные в контроллер не очень и иногда может глючить
концевик тоже подтягивается

дребезг устраняется софтом

_________________
тематические ответы только в форуме, в приват не пишите


Вернуться наверх
 
Не в сети
 Заголовок сообщения: Re: Критикуем схему.
СообщениеДобавлено: Вт июн 20, 2023 09:56:14 
Потрогал лапой паяльник

Зарегистрирован: Пн окт 26, 2020 08:37:51
Сообщений: 302
Откуда: г.Волгоград
Рейтинг сообщения: 0
...перемещение каретки по вон той белой палке над потолком, на каретке лазерная указка.

Ну тогда бы как написал, так и сделал бы.

_________________
ФУОЗ на платформе Ардуино: viewtopic.php?p=4366626#p4366626
ВК - "ФУОЗ на микроконтроллере Atmega328P (МПСЗ)"


Вернуться наверх
 
Не в сети
 Заголовок сообщения: Re: Критикуем схему.
СообщениеДобавлено: Вт июн 20, 2023 10:14:22 
Друг Кота
Аватар пользователя

Карма: 5
Рейтинг сообщений: 61
Зарегистрирован: Ср сен 30, 2020 16:51:47
Сообщений: 4625
Откуда: РФ
Рейтинг сообщения: 0
Больше всего концевик тревожит и его дребезг.

Поставьте качественный концевик.


Вернуться наверх
 
Не в сети
 Заголовок сообщения: Re: Критикуем схему.
СообщениеДобавлено: Вт июн 20, 2023 10:32:16 
Встал на лапы
Аватар пользователя

Зарегистрирован: Ср июл 19, 2017 12:53:01
Сообщений: 141
Рейтинг сообщения: 0
Поставьте качественный концевик.

Думал обычным микриком обойтись. Можно и оптопарой заморочиться при большой проблеме.
Картинку подмалевал. :))


Вернуться наверх
 
Не в сети
 Заголовок сообщения: Re: Критикуем схему.
СообщениеДобавлено: Вт июн 20, 2023 10:38:12 
Друг Кота
Аватар пользователя

Карма: 5
Рейтинг сообщений: 61
Зарегистрирован: Ср сен 30, 2020 16:51:47
Сообщений: 4625
Откуда: РФ
Рейтинг сообщения: 0
Можно и оптопарой заморочиться при большой проблеме.)

В смысле применить бесконтактный концевик?


Вернуться наверх
 
Не в сети
 Заголовок сообщения: Re: Критикуем схему.
СообщениеДобавлено: Вт июн 20, 2023 10:42:27 
Друг Кота

Карма: 67
Рейтинг сообщений: 1964
Зарегистрирован: Сб дек 18, 2021 19:25:32
Сообщений: 12867
Рейтинг сообщения: 1
Q-starь писал(а):
Покритикуйте схему

Чо сразу пинать то! Я по другому не понимаю, накалякал

Ну так бы и написал: принимаю только восторженные отзывы на каляку-маляку. А то "покритикуйте...", "схему...", разумеется, я не понял.

Тогда так: офигенно, чувак!


Вернуться наверх
 
Не в сети
 Заголовок сообщения: Re: Критикуем схему.
СообщениеДобавлено: Вт июн 20, 2023 10:48:53 
Встал на лапы
Аватар пользователя

Зарегистрирован: Ср июл 19, 2017 12:53:01
Сообщений: 141
Рейтинг сообщения: 3
В смысле применить бесконтактный концевик?

Ну, да.


Вернуться наверх
 
Не в сети
 Заголовок сообщения: Re: Критикуем схему.
СообщениеДобавлено: Вт июн 20, 2023 10:54:16 
Потрогал лапой паяльник

Зарегистрирован: Пн окт 26, 2020 08:37:51
Сообщений: 302
Откуда: г.Волгоград
Рейтинг сообщения: 1
Картинку подмалевал. :))

А кондер "пожирнее" параллельно концевику? Дребезг контактов Вам ни как не помешает в режиме когда концевик играет роль аварийного нуля. Каретка до него должна приходить только в режиме инициализации. Рабочий "О" должен быть программный в точке до концевика. Это просто добрый совет, а так делайте как хотите.

_________________
ФУОЗ на платформе Ардуино: viewtopic.php?p=4366626#p4366626
ВК - "ФУОЗ на микроконтроллере Atmega328P (МПСЗ)"


Вернуться наверх
 
Не в сети
 Заголовок сообщения: Re: Критикуем схему.
СообщениеДобавлено: Вт июн 20, 2023 11:58:39 
Друг Кота
Аватар пользователя

Карма: 5
Рейтинг сообщений: 61
Зарегистрирован: Ср сен 30, 2020 16:51:47
Сообщений: 4625
Откуда: РФ
Рейтинг сообщения: 0
Q-starь,
Бесконтактный конечно лучше.


Вернуться наверх
 
Не в сети
 Заголовок сообщения: Re: Критикуем схему.
СообщениеДобавлено: Вт июн 20, 2023 12:44:14 
Встал на лапы
Аватар пользователя

Зарегистрирован: Ср июл 19, 2017 12:53:01
Сообщений: 141
Рейтинг сообщения: 0
А кондер "пожирнее" параллельно концевику? Дребезг контактов Вам ни как не помешает в режиме когда концевик играет роль аварийного нуля. Каретка до него должна приходить только в режиме инициализации. Рабочий "О" должен быть программный в точке до концевика. Это просто добрый совет, а так делайте как хотите.

Кондёр намалюю, обещаю.
"Обнуление" думаю так программно:
Движение в "-" до срабатывания концевика, затем медленный откат в "+" до его отключения. Это и будет "0".


Вернуться наверх
 
Не в сети
 Заголовок сообщения: Re: Критикуем схему.
СообщениеДобавлено: Вт июн 20, 2023 14:34:15 
Друг Кота

Карма: -1
Рейтинг сообщений: 84
Зарегистрирован: Вт мар 13, 2012 12:16:13
Сообщений: 8865
Откуда: .ru
Рейтинг сообщения: 0
Q-starь писал(а):
Движение в "-" до срабатывания концевика, затем медленный откат в "+" до его отключения. Это и будет "0".

када делали ради управлялку...

https://www.radiokot.ru/forum/viewtopic ... 8&t=185219

мы концевики на герконах подключали к атмега 128...
мега 128 в прерываниях таймера опрашивала концевики... получилась автоматическая выгрузка))

https://youtu.be/8DyU3NnTP60?t=142

:tea:
недостаток такой схемы - низкая надёжность...
если атмега 128 зависнет или вообще сгорит нафиг )) то вместе с ней сгорит и двигатель))

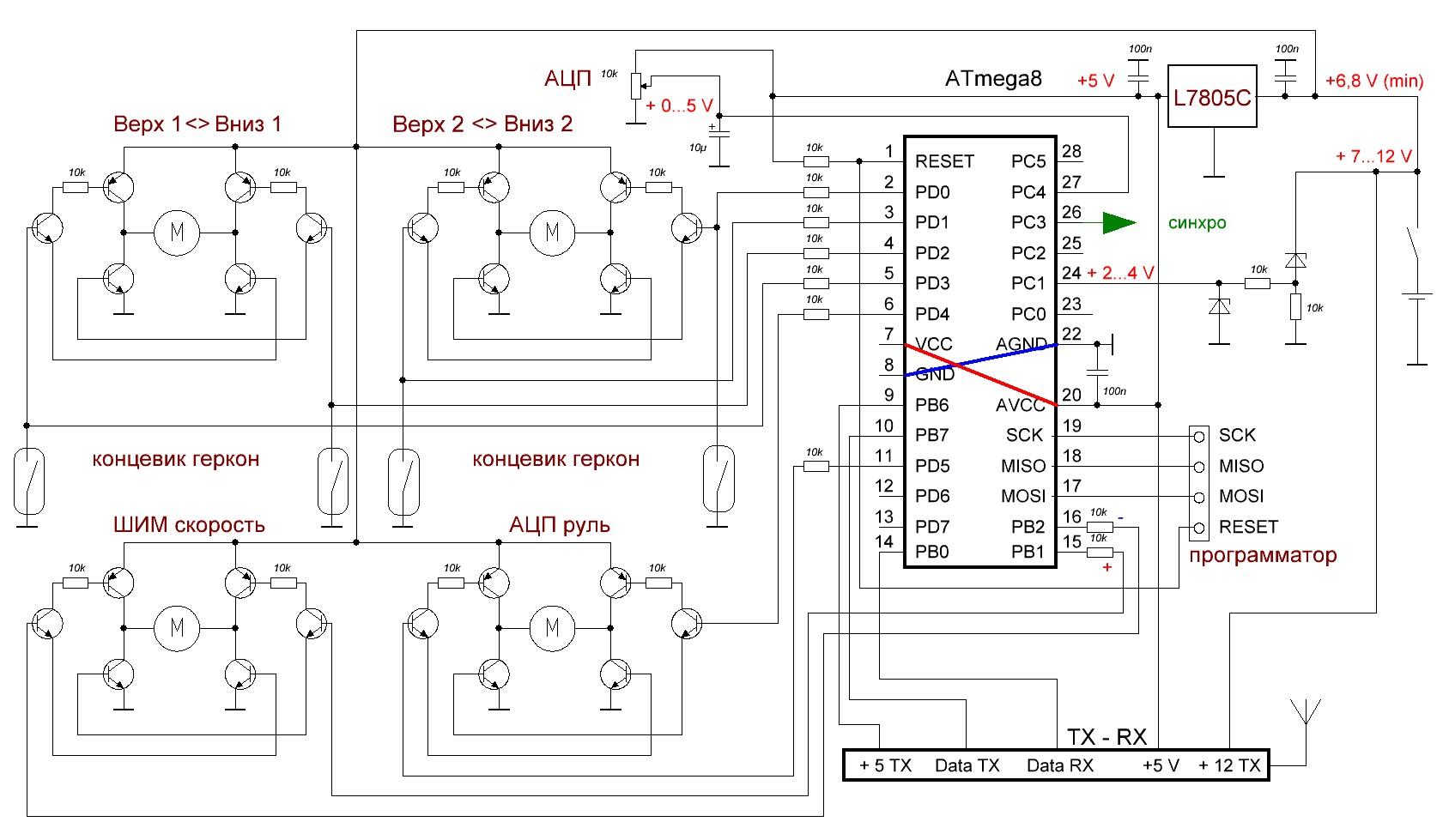
поэтому в другой схеме мы подключили концевики на герконах не к атмега 128, а к драйверу !
Вложение:
схема кораблика.jpg [174.91 KiB]
Скачиваний: 63

в этом случае если атмега 128 зависнет или вообще сгорит нафиг )) то ничего не будет ! ))
концевики на герконах снимают питание с ключей двайвера (замыкают вход драйвера на массу)... поэтому нашему двигателю ничего не грозит ! ))
:tea:


Вернуться наверх
 
Не в сети
 Заголовок сообщения: Re: Критикуем схему.
СообщениеДобавлено: Вт июн 20, 2023 15:25:14 
Встал на лапы
Аватар пользователя

Зарегистрирован: Ср июл 19, 2017 12:53:01
Сообщений: 141
Рейтинг сообщения: 0
поэтому в другой схеме мы подключили концевики на герконах не к атмега 128, а к драйверу !

А как мне тогда обнулять координату?


Вернуться наверх
 
Не в сети
 Заголовок сообщения: Re: Критикуем схему.
СообщениеДобавлено: Вт июн 20, 2023 15:55:09 
Друг Кота

Карма: -1
Рейтинг сообщений: 84
Зарегистрирован: Вт мар 13, 2012 12:16:13
Сообщений: 8865
Откуда: .ru
Рейтинг сообщения: 0
подключить герконы к драйверу (для защиты двигателя) и к этим же герконам подключить АЦП атмега128 чтоб обнулять координату... в чём проблема ? ))
Вложение:
схема кораблика.jpg [155.1 KiB]
Скачиваний: 45

:tea:
ещё у нас есть:
-датчик напряжения - если напряжение превысит допустимое двигатель отключится.
-датчик тока - если ток превысит допустимое двигатель отключится.
-датчик температуры - если температура превысит допустимое двигатель отключится.
-датчик оборотов - если ток идет а двигатель не крутится значит двигатель заклинило)) двигатель отключится.
Вложение:
модель.jpg [171.17 KiB]
Скачиваний: 41

https://www.youtube.com/watch?v=qWojRM-tjP0
:tea:
и всё это управляется с компа... или телефона... не важно...
Вложение:
подключение к компу Atmega_8.jpg [144.42 KiB]
Скачиваний: 42

чтоб не вставать с дивана))
:tea:


Вернуться наверх
 
Не в сети
 Заголовок сообщения: Re: Критикуем схему.
СообщениеДобавлено: Вт июн 20, 2023 17:17:05 
Родился

Зарегистрирован: Чт июн 15, 2023 09:11:10
Сообщений: 5
Рейтинг сообщения: 0
Совет по концевику. на то он и концевик, чтобы гарантированно остановить двигатель, поэтому он однозначно должен стоять на питани двигателя или на реле им управляющим. отсюда вытекает, что геркон - концевик никакой, у него очень маленький ток на контактах (10-40 мА. даже 40 многовато) и если чуть превысил ток - контакт залип...
для трекера солнечной панели я использовал https://aliexpress.ru/item/400032917678 ... 1350241538


Вернуться наверх
 
Не в сети
 Заголовок сообщения: Re: Критикуем схему.
СообщениеДобавлено: Вт июн 20, 2023 20:54:12 
Потрогал лапой паяльник

Зарегистрирован: Пн окт 26, 2020 08:37:51
Сообщений: 302
Откуда: г.Волгоград
Рейтинг сообщения: 1
Уважаемые, Вы чего ему голову морочите с концевиками. Двигатель шаговый и управляется с контроллера. Если контроллер издохнет, то и двигатель не поедет никуда - ногодрыг никто не будет делать. Это не сервопривод.

_________________
ФУОЗ на платформе Ардуино: viewtopic.php?p=4366626#p4366626
ВК - "ФУОЗ на микроконтроллере Atmega328P (МПСЗ)"


Вернуться наверх
 
Показать сообщения за:  Сортировать по:  Вернуться наверх
Начать новую тему Ответить на тему  [ Сообщений: 33 ]  1,  

Часовой пояс: UTC + 3 часа


Кто сейчас на форуме

Сейчас этот форум просматривают: нет зарегистрированных пользователей и гости: 22


Вы не можете начинать темы
Вы не можете отвечать на сообщения
Вы не можете редактировать свои сообщения
Вы не можете удалять свои сообщения
Вы не можете добавлять вложения

Найти:
Перейти:  


Powered by phpBB © 2000, 2002, 2005, 2007 phpBB Group
Русская поддержка phpBB
Extended by Karma MOD © 2007—2012 m157y
Extended by Topic Tags MOD © 2012 m157y