Например TDA7294

Форум РадиоКот • Просмотр темы - Программатор lpt 5 проводков
Форум РадиоКот
Здесь можно немножко помяукать :)

Текущее время: Вт дек 16, 2025 17:32:54

Часовой пояс: UTC + 3 часа


ПРЯМО СЕЙЧАС:



Начать новую тему Ответить на тему  [ Сообщений: 100 ]  1, , , ,  
Автор Сообщение
Не в сети
 Заголовок сообщения: Программатор lpt 5 проводков
СообщениеДобавлено: Ср окт 02, 2013 10:05:35 
Первый раз сказал Мяу!
Аватар пользователя

Зарегистрирован: Сб дек 22, 2012 17:04:56
Сообщений: 34
Рейтинг сообщения: 0
Добрый день уважаемые радио-коты!! Решил собрать программатор на основе МК мега8 но для того чтобы он заработал его надо прошить. Наюзал lpt программатор 5 проводков собрал прада пришлось напрямую в мать завести конструкцию так как не нашлось ЛПТ косички. Спаял данное дело решил прошить через CODEVISION и поморгать светодиодом. C первого раза мк определил и прошил но ни программа не заработала ни МК больше не определяется. Скачал UNIPROG проверил выводы логический уровень меняется на всех кроме 10 pin MOSI. Подскажите что не так сделал . Фьюзы я не трогал резисторы 100 ом поставил для защиты.
Вложение:
AVR PROGRAMER.jpg [41.65 KiB]
Скачиваний: 3685


Вернуться наверх
 
Не в сети
 Заголовок сообщения: Re: Программатор lpt 5 проводков
СообщениеДобавлено: Ср окт 02, 2013 17:29:10 
Говорящий с текстолитом
Аватар пользователя

Карма: 14
Рейтинг сообщений: 106
Зарегистрирован: Ср окт 12, 2011 20:37:13
Сообщений: 1690
Рейтинг сообщения: 0
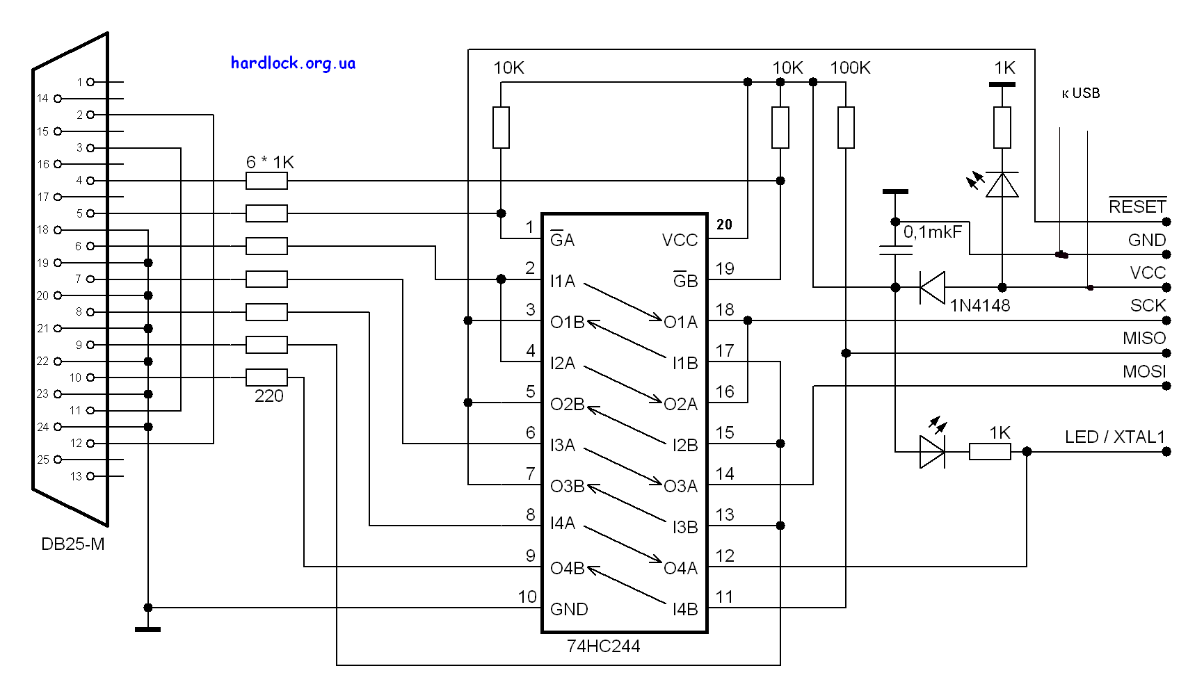
Вложение:
sch_300dpi.gif [41.23 KiB]
Скачиваний: 3767

у меня такой работает


Вернуться наверх
 
Не в сети
 Заголовок сообщения: Re: Программатор lpt 5 проводков
СообщениеДобавлено: Пт окт 04, 2013 12:06:10 
Друг Кота

Карма: 13
Рейтинг сообщений: 84
Зарегистрирован: Чт сен 20, 2007 14:08:00
Сообщений: 13796
Рейтинг сообщения: 0
alexandr009 писал(а):
что не так сделал .

ответ на твой вопрос уже ты написал сам
alexandr009 писал(а):
Решил собрать программатор

купи нормальный программатор и не занимайся херней в 2013 году
5 проводков тыкали 10 лет назад за неимением другого и то там использовали усилитель

_________________
тематические ответы только в форуме, в приват не пишите


Вернуться наверх
 
Не в сети
 Заголовок сообщения: Re: Программатор lpt 5 проводков
СообщениеДобавлено: Пт окт 04, 2013 13:33:52 
Вымогатель припоя
Аватар пользователя

Карма: 3
Рейтинг сообщений: 7
Зарегистрирован: Чт апр 16, 2009 04:53:41
Сообщений: 563
Рейтинг сообщения: 0
он-же и делает это для программатора.
Может провода шибко длинные. А СОМ-порт есть?
У меня с ЛПТ проблемы были постоянно,приходилось с бубном плясать постоянно,даже и не объясню как с ним боролся,подтягивал постоянно все к всему и в разном порядке щупом через 5кОм
С СОМ-портом проблем вообще небывает.

Кстати если только с МОСИ проблема: попробуй ногой ЛПТ порта подрыгать отдельно,скачай программу какую-нибудь для управления портом,а то может и спалил его уже

_________________
В первый раз меня ударило током - и я подумал что ни черта не соображаю в электричестве. Во второй раз был аккуратнее и меня не ударило - теперь я возомнил из себя крутого микроэлектронщика.


Вернуться наверх
 
Эиком - электронные компоненты и радиодетали
Не в сети
 Заголовок сообщения: Re: Программатор lpt 5 проводков
СообщениеДобавлено: Пт окт 04, 2013 15:39:24 
Мучитель микросхем
Аватар пользователя

Карма: 4
Рейтинг сообщений: 50
Зарегистрирован: Ср фев 15, 2012 09:00:34
Сообщений: 472
Откуда: Киев
Рейтинг сообщения: 1
Хм, у меня в свое время и программатор Громова на RS232 не заработал. :shock:
Долго бился в истериках в свое время, пока прошивал первый USB-программатор... А LPT нынче так и вообще ни у кого и не осталось...
В итоге прошил первый USBASP светодиодами на клавиатуре, aka "AVR Slowpoke programmer":
http://we.easyelectronics.ru/dcoder/avr ... ammer.html
Кроме того, этот-же USBASP продается на любом радиорынке по цене в 10 баксов, в КНР так и вообще по 3 бакса найти можно. :wink:

_________________
I'm on a huge rock, flying through space!


Вернуться наверх
 
Не в сети
 Заголовок сообщения: Re: Программатор lpt 5 проводков
СообщениеДобавлено: Пт окт 04, 2013 15:50:26 
Друг Кота
Аватар пользователя

Карма: 197
Рейтинг сообщений: 8593
Зарегистрирован: Пн ноя 30, 2009 03:00:01
Сообщений: 43097
Откуда: Нерезиновая
Рейтинг сообщения: 1
kalobyte писал(а):
купи нормальный программатор и не занимайся херней в 2013 году
5 проводков тыкали 10 лет назад за неимением другого и то там использовали усилитель


У меня до сих пор пара "пятипроводных", причём, без каких- либо усилителей, валяется, и это при наличии профессионального программатора.. Кстати, "5 проводков" может не работать из- за настойках в БИОСе, и из- за "винды".. Если я правильно помню, то там какие- то "танцы с бубнами" были.... "купи нормальный"- это не по радиолюбительски, тогда и усилки и приёмники делать не надо, купить проще :)))

Да, если после прошивки перестал определяться микроконтроллер, то, скорее всего, что- то с фьюзами.. Теперь придётся сначала "реаниматор АВР" делать... :))) Вот только проблема- чтобы сделать реаниматор, нужно иметь "программирующуюся" микросхему, и хотя- бы простейший программатор... :facepalm:


Вернуться наверх
 
Не в сети
 Заголовок сообщения: Re: Программатор lpt 5 проводков
СообщениеДобавлено: Пт окт 04, 2013 16:21:45 
Мучитель микросхем
Аватар пользователя

Карма: 4
Рейтинг сообщений: 50
Зарегистрирован: Ср фев 15, 2012 09:00:34
Сообщений: 472
Откуда: Киев
Рейтинг сообщения: 0
Леш, по твоей логике тогда и мультиметры, и осциллографы, паять... И даже пинцеты самому вытачивать нужно, да, а еще микроконтроллеры кустарно выпускать!
:wink:

Мы же по сути не создаем ничего нового, а складываем схемы из готовых деталей, считай конструктор LEGO для взрослых. :))
Инструменты любой из нас в начале использовал какие попало, дедушкины пласкогубцы, прадедушкины бокорезы, отцовская отвертка, и так далее... Однако со временем начинаешь понимать, что хорошими инструментами орудовать в 1000 раз приятнее, и какие-нибудь там 5$ на хорошие круглогубцы точно потом окупятся...
Программатор при этом- это такой-же инструмент, и я например очень жалею, что зажал в свое время 10 долларов на готовый китайский USBASP, тынялся 3 месяца в поисках компа с LPT, тщетно пытался прошить свой USBASP через COM-порт, при этом выбрасывая тонну ругательств на всю квартиру при очередной спаленной тестовой Tiny13...
А ведь можно было сразу купить готовый, недорогой, и главное хороший инструмент...

_________________
I'm on a huge rock, flying through space!


Вернуться наверх
 
Не в сети
 Заголовок сообщения: Re: Программатор lpt 5 проводков
СообщениеДобавлено: Пт окт 04, 2013 17:29:12 
Вымогатель припоя
Аватар пользователя

Карма: 3
Рейтинг сообщений: 7
Зарегистрирован: Чт апр 16, 2009 04:53:41
Сообщений: 563
Рейтинг сообщения: 0
Ну так-то да,не лишено смысла.Просто может ТС - просто наивный сельский юноша,типа меня,из поселка (хорошо что хоть городского типа) , и пилить за 100км в магазин или ждать посылки 3 недели нехоцца.А надо сию секунду. Ну прям так хочется,и прям щас,прям немедля. Так захотелось бегущий огонек сварганить - того гляди попа треснет :)

_________________
В первый раз меня ударило током - и я подумал что ни черта не соображаю в электричестве. Во второй раз был аккуратнее и меня не ударило - теперь я возомнил из себя крутого микроэлектронщика.


Вернуться наверх
 
Не в сети
 Заголовок сообщения: Re: Программатор lpt 5 проводков
СообщениеДобавлено: Пт окт 04, 2013 18:08:02 
Сверлит текстолит когтями
Аватар пользователя

Карма: 6
Рейтинг сообщений: 23
Зарегистрирован: Пн фев 07, 2011 16:19:33
Сообщений: 1178
Рейтинг сообщения: 0
alexandr009 писал(а):
Подскажите что не так сделал

Почему у тебя распиновка LPT отличается от стандартной?Нарисовал неправильно или на самом деле так.
сравни здесь http://pinouts.ru/ParallelPorts/Paralle ... nout.shtml


Вернуться наверх
 
Не в сети
 Заголовок сообщения: Re: Программатор lpt 5 проводков
СообщениеДобавлено: Пт окт 04, 2013 23:24:25 
Друг Кота
Аватар пользователя

Карма: 59
Рейтинг сообщений: 2218
Зарегистрирован: Чт янв 26, 2012 16:44:29
Сообщений: 19544
Откуда: Таксимо
Рейтинг сообщения: 0
у меня так:
программатор UNIPROF
ноги с 19 по 25 на корпус
на SCK MOSI RESET резисторы 300 ом
на MISO напрямую
перемычек никаких нет
работает замечательно
выводы можно в программе настроить
Изображение
Изображение

уже 3 года программатор собираю универсальный, не могу собрать :)

_________________
Мои поставщики запчастей с отличной репутацией
texnomag.ru
radioremont.com
pl-1.org
4ip.info
elitan.ru


Вернуться наверх
 
Не в сети
 Заголовок сообщения: Re: Программатор lpt 5 проводков
СообщениеДобавлено: Ср окт 09, 2013 09:10:38 
Первый раз сказал Мяу!
Аватар пользователя

Зарегистрирован: Сб дек 22, 2012 17:04:56
Сообщений: 34
Рейтинг сообщения: 0
Ребята попробовал на этом же программаторе прошить тиньку 13 программатор определяет но и с ней беда так как ругается на память типа невозможно прочитать, микра новая. Стереть микру также не удается по той же причине.

Программатор купить не могу так как живу в Молдове, у нас продают только микрухи по этой причине и решил собрать сам.


Вернуться наверх
 
Не в сети
 Заголовок сообщения: Re: Программатор lpt 5 проводков
СообщениеДобавлено: Ср окт 09, 2013 09:21:56 
Вымогатель припоя
Аватар пользователя

Карма: 3
Рейтинг сообщений: 7
Зарегистрирован: Чт апр 16, 2009 04:53:41
Сообщений: 563
Рейтинг сообщения: 0
Проверь светодиодом,без МК. моси моргает? клок моргает? ресет==0? GND соединены?

_________________
В первый раз меня ударило током - и я подумал что ни черта не соображаю в электричестве. Во второй раз был аккуратнее и меня не ударило - теперь я возомнил из себя крутого микроэлектронщика.


Вернуться наверх
 
Не в сети
 Заголовок сообщения: Re: Программатор lpt 5 проводков
СообщениеДобавлено: Ср окт 09, 2013 22:15:55 
Друг Кота
Аватар пользователя

Карма: 59
Рейтинг сообщений: 2218
Зарегистрирован: Чт янв 26, 2012 16:44:29
Сообщений: 19544
Откуда: Таксимо
Рейтинг сообщения: 0
alexandr009 писал(а):
по этой причине и решил собрать сам.

попробуй мой вариант. программу если нужно скину

_________________
Мои поставщики запчастей с отличной репутацией
texnomag.ru
radioremont.com
pl-1.org
4ip.info
elitan.ru


Вернуться наверх
 
Не в сети
 Заголовок сообщения: Программы не видят МК!!
СообщениеДобавлено: Ср фев 05, 2014 15:54:19 
Первый раз сказал Мяу!

Зарегистрирован: Ср фев 05, 2014 04:17:25
Сообщений: 22
Рейтинг сообщения: 0
Вобщем дело в следующем: уже пару месяцев стараюсь освоить программирование по МК, началось всё с учебника Белова, там был совет по сборке простого программатора 5 проводков, собрал, собрал отладочную плату по собственной разводке, я соединил GND LPT-программатора и GND отдельно подаваемого питания 5V (правильно ли это? питание идет от драйвера 12V светодиодов и понижается до 5 регулятором оборотов кулера), всё прозвонил, замыканий нет, всё проходит, LPT в биосе настроил как 378h ECP, poniprog пишет TEST OK! при проверке программатора, так же замерял токопотребление МК - 8мА (пишут что если жрёт дохрена значит накрылся), LPT порт полностью исправлен, проверил каждый пин светодиодом с программой WndLpt (http://mavius.mavjuz.com/projects/msvc/wndlpt/), через неё можно 1/0 на каждый пин вручную, проверил все 17 битных пинов, земля тоже 8 все рабочие, подключаю, калибрую poniprog, подаю питание на МК, запуск чтения - ошибка (-24), что делать?
Привожу скрины устройств (собраны грязно на коленке (паяльник 80Вт, не учёл и пожог текстолит)
Я не нашёл решений в поисковике и тут, если пропустил - пожалуйста пните куда следует, если нет то помогите, спасибо.
Изображение
Изображение
Изображение
Изображение
Изображение
Изображение
Изображение
Изображение
Изображение


Вернуться наверх
 
Не в сети
 Заголовок сообщения: Re: Программатор lpt 5 проводков
СообщениеДобавлено: Ср фев 05, 2014 16:36:16 
Друг Кота
Аватар пользователя

Карма: 96
Рейтинг сообщений: 1493
Зарегистрирован: Вт мар 16, 2010 22:02:27
Сообщений: 15288
Откуда: ДОНЕЦК
Рейтинг сообщения: 0
А собрать нормальный, де-факто "стандартный" STK200/300 по схемке с сайта автора PoniProg2000 сложнее будет?
http://www.lancos.com/prog.html
Эта штука работает не только со стандартным LPT материнки, но и с китайскими PCI-LPT картами-расширителями (WIN98, WIN_XP sp3). А версии оболочки PoniProg2000 V2.07C вполне достаточно для работы с минимальным набором АВРок.
:beer:


Вернуться наверх
 
Не в сети
 Заголовок сообщения: Re: Программатор lpt 5 проводков
СообщениеДобавлено: Ср фев 05, 2014 16:49:39 
Первый раз сказал Мяу!

Зарегистрирован: Ср фев 05, 2014 04:17:25
Сообщений: 22
Рейтинг сообщения: 0
BOB51 писал(а):
А собрать нормальный, де-факто "стандартный" STK200/300 по схемке с сайта автора PoniProg2000 сложнее будет?
http://www.lancos.com/prog.html
Эта штука работает не только со стандартным LPT материнки, но и с китайскими PCI-LPT картами-расширителями (WIN98, WIN_XP sp3). А версии оболочки PoniProg2000 V2.07C вполне достаточно для работы с минимальным набором АВРок.
:beer:

Извините, но вопрос был по тому что имеется, я не просил совета "рабочего программатора", я хочу понять что я здесь сделал не так и попросил исправить, ибо если 5 проводков не сработали, то с более сложными схемами у меня тем более будут проблемы.


Вернуться наверх
 
Не в сети
 Заголовок сообщения: Re: Программатор lpt 5 проводков
СообщениеДобавлено: Ср фев 05, 2014 17:05:40 
Друг Кота
Аватар пользователя

Карма: 96
Рейтинг сообщений: 1493
Зарегистрирован: Вт мар 16, 2010 22:02:27
Сообщений: 15288
Откуда: ДОНЕЦК
Рейтинг сообщения: 0
Ежли честно - материнку жалко... :facepalm: :cry: :cry:
Кроме прочего на целевой платке-панельке кварц генератора стоять должен вместе с соответствующими конденсаторами (усредненно 4МГц) - простейшие программаторы тактовое сопровождение не производят! 8)


Вернуться наверх
 
Не в сети
 Заголовок сообщения: Re: Программатор lpt 5 проводков
СообщениеДобавлено: Ср фев 05, 2014 17:10:06 
Первый раз сказал Мяу!

Зарегистрирован: Ср фев 05, 2014 04:17:25
Сообщений: 22
Рейтинг сообщения: 0
BOB51 писал(а):
Ежли честно - материнку жалко... :facepalm: :cry: :cry:
Кроме прочего на целевой платке-панельке кварц генератора стоять должен вместе с соответствующими конденсаторами (усредненно 4МГц) - простейшие программаторы тактовое сопровождение не производят! 8)

Из-за отсутствия задающего генератора может быть не виден камень? На сайте сборки программатора и платы написано что задающий кварц нужен только для работы камня на других частотах, для обычной работы ему хватает встроенного.
Проясните, пожалуйста, этот момент.
Есть такой кварц с маркировкой
ELZET
4.000
.C 16
Изображение




Вам нужно прочитать Правила форума.
viewtopic.php?f=19&t=6538
Нарушение Правил форума п. 2.7

aen


Вернуться наверх
 
Не в сети
 Заголовок сообщения: Re: Программатор lpt 5 проводков
СообщениеДобавлено: Ср фев 05, 2014 18:45:19 
Первый раз сказал Мяу!

Зарегистрирован: Ср фев 05, 2014 04:17:25
Сообщений: 22
Рейтинг сообщения: 0
В одном ли кварце дело? Или на фото в подключениях есть недочёты? (MISO MOSI SCK GND VCC не перепутал, по крайней мере после спаянного места точно, а вот туда ли резюки напаял, ведь по ним ориентировался), и если резонатор виноват, а точнее его отсутствие, то подойдёт ли тот что на фото из сообщения выше, и какие на него кондесаторы надо вешать, знаю что вроде керамические, а номинал и напряжение (пинать в поиск не надо, интересует личный "стопудовый" опыт) ? И опять же, верно ли это, что я GND отдельного питания на МК и GND LPT объединяю при подключении (см. схему, нижние 3 штырька, 2 из них это GND LPT и питания МК, третий VCC МК)


Вернуться наверх
 
Не в сети
 Заголовок сообщения: Re: Программатор lpt 5 проводков
СообщениеДобавлено: Сб фев 15, 2014 08:22:27 
Первый раз сказал Мяу!

Зарегистрирован: Ср янв 22, 2014 15:53:09
Сообщений: 25
Откуда: Новосибирск
Рейтинг сообщения: 0
ГАЗовод попробуй отпаять от резюка на девятом контакте разъёма провод (RESET), и прижать его на GND.

Uniprof не пробовал юзать?

Я не стал омрачать своё возвращение в мир радиолюбительства с отказов/пожогов МК, и начал с STC200/300. Заработало сразу.


Вернуться наверх
 
Показать сообщения за:  Сортировать по:  Вернуться наверх
Начать новую тему Ответить на тему  [ Сообщений: 100 ]  1, , , ,  

Часовой пояс: UTC + 3 часа


Кто сейчас на форуме

Сейчас этот форум просматривают: нет зарегистрированных пользователей и гости: 45


Вы не можете начинать темы
Вы не можете отвечать на сообщения
Вы не можете редактировать свои сообщения
Вы не можете удалять свои сообщения
Вы не можете добавлять вложения

Найти:
Перейти:  


Powered by phpBB © 2000, 2002, 2005, 2007 phpBB Group
Русская поддержка phpBB
Extended by Karma MOD © 2007—2012 m157y
Extended by Topic Tags MOD © 2012 m157y