Например TDA7294

Форум РадиоКот • Просмотр темы - Помогите сделать тахометр..
Форум РадиоКот
Здесь можно немножко помяукать :)

Текущее время: Ср дек 24, 2025 02:16:52

Часовой пояс: UTC + 3 часа


ПРЯМО СЕЙЧАС:



Начать новую тему Ответить на тему  [ Сообщений: 41 ]  1, ,  
Автор Сообщение
Не в сети
 Заголовок сообщения: Помогите сделать тахометр..
СообщениеДобавлено: Ср мар 02, 2022 22:12:41 
Нашел транзистор. Понюхал.

Карма: 1
Рейтинг сообщений: 4
Зарегистрирован: Вт ноя 26, 2013 00:18:18
Сообщений: 165
Откуда: СПб
Рейтинг сообщения: 0
Привет котам!
Помогите схемкой, или хоть чем-то, нужно сделать тахометр на 5 цифр светодиодных, в сети полно схем, но все на 4 цифры...
На контроллере лучше какой-нибудь простом Atmega или Attini, типа такой как здесь: https://habr.com/ru/post/153125/
А может в готовую схему просто цифру ввести или так не получится?
Ткните носом...Чтобы с прошивкой только...Спасибо!


Вернуться наверх
 
Не в сети
 Заголовок сообщения: Re: Помогите сделать тахометр..
СообщениеДобавлено: Ср мар 02, 2022 22:15:05 
Друг Кота
Аватар пользователя

Карма: 59
Рейтинг сообщений: 2218
Зарегистрирован: Чт янв 26, 2012 16:44:29
Сообщений: 19562
Откуда: Таксимо
Рейтинг сообщения: 0
До 99 тысяч оборотов чтоле?

_________________
Мои поставщики запчастей с отличной репутацией
texnomag.ru
radioremont.com
pl-1.org
4ip.info
elitan.ru


Вернуться наверх
 
Не в сети
 Заголовок сообщения: Re: Помогите сделать тахометр..
СообщениеДобавлено: Ср мар 02, 2022 22:33:32 
Нашел транзистор. Понюхал.

Карма: 1
Рейтинг сообщений: 4
Зарегистрирован: Вт ноя 26, 2013 00:18:18
Сообщений: 165
Откуда: СПб
Рейтинг сообщения: 0
Ну да, хотя до 49999 хватило бы...


Вернуться наверх
 
Не в сети
 Заголовок сообщения: Re: Помогите сделать тахометр..
СообщениеДобавлено: Ср мар 02, 2022 23:39:38 
Друг Кота
Аватар пользователя

Карма: 59
Рейтинг сообщений: 2218
Зарегистрирован: Чт янв 26, 2012 16:44:29
Сообщений: 19562
Откуда: Таксимо
Рейтинг сообщения: 0
https://www.radiokot.ru/circuit/digital/measure/03/

_________________
Мои поставщики запчастей с отличной репутацией
texnomag.ru
radioremont.com
pl-1.org
4ip.info
elitan.ru


Вернуться наверх
 
Эиком - электронные компоненты и радиодетали
Не в сети
 Заголовок сообщения: Re: Помогите сделать тахометр..
СообщениеДобавлено: Чт мар 03, 2022 05:23:43 
Друг Кота

Карма: 64
Рейтинг сообщений: 1020
Зарегистрирован: Пт мар 07, 2008 06:54:43
Сообщений: 4369
Откуда: Ижевск
Рейтинг сообщения: 1
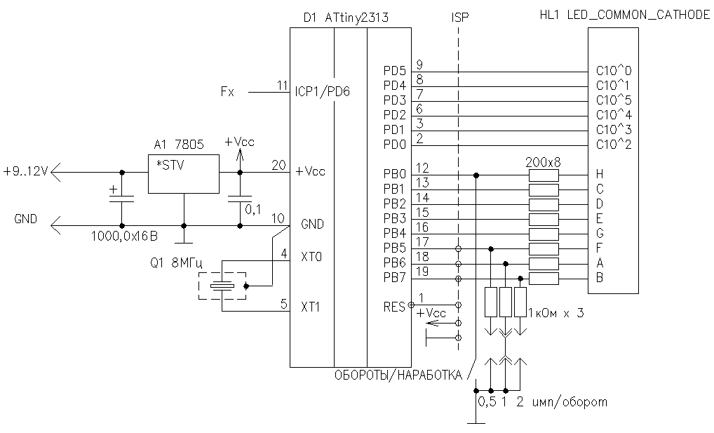
Как вариант. Правда, со счетчиком времени наработки.
СпойлерИзображение


Вложения:
TAHOM_SVN_LED_CC.zip [31.26 KiB]
Скачиваний: 312
TAHOM_SVN_LED_CC.PNG [33.7 KiB]
Скачиваний: 174
Вернуться наверх
 
Не в сети
 Заголовок сообщения: Re: Помогите сделать тахометр..
СообщениеДобавлено: Чт мар 03, 2022 11:08:55 
Друг Кота
Аватар пользователя

Карма: 62
Рейтинг сообщений: 889
Зарегистрирован: Вт апр 24, 2007 07:45:40
Сообщений: 6207
Откуда: Minsk
Рейтинг сообщения: 0
Поскольку последняя цифра по любому показывает цену на арбузы в Стамбуле, можно использвать 4-разрядный, выводя результат в виде 99,99 тыс. об., входую частоту поделив на 10, я бы даже сделал это аппаратно. На предельной частоте вращения 10мкс - не слишком ли маленькое время для обработчика прерывания, МК может "захлебнуться". Особенно если ещё индикация динамическая, а оно так - без дешифраторов только на индикацию в статике нужно 35 пин (, не нужна) .
Не будем смешивать разрешающую способность - и точность.

_________________
Изображение


Вернуться наверх
 
Не в сети
 Заголовок сообщения: Re: Помогите сделать тахометр..
СообщениеДобавлено: Чт мар 03, 2022 11:27:58 
Друг Кота
Аватар пользователя

Карма: 123
Рейтинг сообщений: 7959
Зарегистрирован: Сб сен 13, 2014 16:27:32
Сообщений: 39199
Откуда: СпиртоГонск созвездия Омега
Рейтинг сообщения: 0
пики вполнне тащили такое ллегкого до 10 мег и более(не зряж все частотмеры масовые делали или 51или на пик16
а вот с атмелами все действително плохо
разве пробовать погнать

Добавлено after 6 minutes 3 seconds:
насчет точности в механике согласен +-10-20 об/м ниче не решают если обороты за тыщу... но вот удобство вывода в цифре ввида 50.000. гораздо ужобнее яем 50.00
на счет 99.999об/м не знаю такого готового датчика кроме оптоэнкодера с датчиком сделаным фотметодом на плнен на просвет навроде тех что в принтерах
или ваше чето уникално из жидкого магнита со спецформовкой доменоф

_________________
ZМудрость(Опыт и выдержка) приходит с годами.
Все Ваши беды и проблемы, от недостатка знаний.
Умный и у дурака научится, а дураку и ..
Алберт Ейнштейн не поможет и ВВП не спасет.и МЧС опаздает


Вернуться наверх
 
Не в сети
 Заголовок сообщения: Re: Помогите сделать тахометр..
СообщениеДобавлено: Чт мар 03, 2022 12:09:21 
Нашел транзистор. Понюхал.

Карма: 1
Рейтинг сообщений: 4
Зарегистрирован: Вт ноя 26, 2013 00:18:18
Сообщений: 165
Откуда: СПб
Рейтинг сообщения: 0
Спасибо, вариант на Tini2313 интереснее, мне бы он подошел, но я не понял что за индикатор стоит?

З.Ы. нашел случайно тоже вариант сегодня: https://cxem.net/izmer/izmer189.php

Спасибо всем за помощь, буду из этих двух вариантов делать...


Вернуться наверх
 
Не в сети
 Заголовок сообщения: Re: Помогите сделать тахометр..
СообщениеДобавлено: Чт мар 03, 2022 12:40:01 
Друг Кота
Аватар пользователя

Карма: 31
Рейтинг сообщений: 883
Зарегистрирован: Пт сен 10, 2021 15:19:36
Сообщений: 6136
Откуда: Протвино
Рейтинг сообщения: 0
индикатор - самый популярный текстовы lcd дисплей с параллельным интерфейсом 4/8bit. интерфейс называется epson44780. пойдут любые 2строчные WH/PC/... 1602/2002 на алике или
отковырять можно из старых факсов/принтеров/пэйджеров(помните были такие штуки?))


а в другой схеме чтото вроде als318 он в калькуляторы ставился а потом стал популярным дисплеем для самодельных аон.
ну или набрать из отдельных 7сегментных с общим катодом
или вообще smd светодиоды на плату по 1 на сегмент. 7x5=35шт


Последний раз редактировалось AlexS4 Чт мар 03, 2022 12:49:48, всего редактировалось 1 раз.

Вернуться наверх
 
Не в сети
 Заголовок сообщения: Re: Помогите сделать тахометр..
СообщениеДобавлено: Чт мар 03, 2022 12:41:32 
Друг Кота
Аватар пользователя

Карма: 197
Рейтинг сообщений: 8594
Зарегистрирован: Пн ноя 30, 2009 03:00:01
Сообщений: 43136
Откуда: Нерезиновая
Рейтинг сообщения: 0
Спасибо, вариант на Tini2313 интереснее, мне бы он подошел, но я не понял что за индикатор стоит?.

Обычный многоразрядный светодиодный ОК,
Написано же сверху- "LED_COMMON_CATODE"
А что, вам важна конкретная модель индикатора?


Вернуться наверх
 
Не в сети
 Заголовок сообщения: Re: Помогите сделать тахометр..
СообщениеДобавлено: Чт мар 03, 2022 13:08:56 
Нашел транзистор. Понюхал.

Карма: 1
Рейтинг сообщений: 4
Зарегистрирован: Вт ноя 26, 2013 00:18:18
Сообщений: 165
Откуда: СПб
Рейтинг сообщения: 0
Я понял, что с общим катодом, а сколько разрядов?
Я к тому, что если мне нужно 5 разрядов, нужно подключить 2шт. 3 разрядных
Их как включить? Параллельно что ли, как в варианте по ссылке, что я выложил?


Последний раз редактировалось marksimo Чт мар 03, 2022 13:14:50, всего редактировалось 1 раз.

Вернуться наверх
 
Не в сети
 Заголовок сообщения: Re: Помогите сделать тахометр..
СообщениеДобавлено: Чт мар 03, 2022 13:10:16 
Друг Кота
Аватар пользователя

Карма: 31
Рейтинг сообщений: 883
Зарегистрирован: Пт сен 10, 2021 15:19:36
Сообщений: 6136
Откуда: Протвино
Рейтинг сообщения: 0
marksimo, 6 на схеме изображено


Вернуться наверх
 
Не в сети
 Заголовок сообщения: Re: Помогите сделать тахометр..
СообщениеДобавлено: Чт мар 03, 2022 13:15:32 
Нашел транзистор. Понюхал.

Карма: 1
Рейтинг сообщений: 4
Зарегистрирован: Вт ноя 26, 2013 00:18:18
Сообщений: 165
Откуда: СПб
Рейтинг сообщения: 0
Ok.


Вернуться наверх
 
Не в сети
 Заголовок сообщения: Re: Помогите сделать тахометр..
СообщениеДобавлено: Чт мар 03, 2022 15:11:20 
Друг Кота
Аватар пользователя

Карма: 31
Рейтинг сообщений: 883
Зарегистрирован: Пт сен 10, 2021 15:19:36
Сообщений: 6136
Откуда: Протвино
Рейтинг сообщения: 0
> нужно подключить 2шт. 3 разрядных
>Их как включить?
одноименные сегменты A-H соединить (они будут параллельно между собой по отношению к выходам att2313)
общие разрядные входы будут разделены на 2 группы по 3 к каждому корпусу.


Вернуться наверх
 
Не в сети
 Заголовок сообщения: Re: Помогите сделать тахометр..
СообщениеДобавлено: Чт мар 03, 2022 15:20:58 
Друг Кота
Аватар пользователя

Карма: 197
Рейтинг сообщений: 8594
Зарегистрирован: Пн ноя 30, 2009 03:00:01
Сообщений: 43136
Откуда: Нерезиновая
Рейтинг сообщения: 0
Можно купить/достать из тумбочки/выпросить/спионерить/выковырять откуда-либо, шесть (пять) одноразрядных индикатора ОК,
Изображение
или три одинаковых (желательно, но не обязательно)двухразрядных индикатора ОК:
Изображение
или два трёхразрядных индикатора ОК:
Изображение
Так же можно взять два четырёхразрядных индикатора, или один шестиразрядный (оказывается, есть и такие)-
Изображение
Соединить одноимённые аноды вместе, а катоды у каждого разряда оставить отдельными..

Вот:
https://aliexpress.ru/item/1005003520721557.html
есть "что хочешь"-, правда, цифры высотой 7 мм.
зы.. Если нужно ПЯТЬ разрядов, то можно взять "трёхразрядный" и "двухразрядный" индикатор, если они одинаковые.. (чисто эстетическая сторона)
https://aliexpress.ru/item/1005003142963307.html цифры высотой 14 мм

https://aliexpress.ru/item/1005003213252808.html
А вот цифры высотой 20 мм (вроде бы, судя по тому, что индикатор 0,8")


Последний раз редактировалось АлександрЛ Чт мар 03, 2022 15:30:40, всего редактировалось 1 раз.

Вернуться наверх
 
Не в сети
 Заголовок сообщения: Re: Помогите сделать тахометр..
СообщениеДобавлено: Чт мар 03, 2022 15:22:12 
Друг Кота

Карма: 64
Рейтинг сообщений: 1020
Зарегистрирован: Пт мар 07, 2008 06:54:43
Сообщений: 4369
Откуда: Ижевск
Рейтинг сообщения: 1
...можно использвать 4-разрядный, выводя результат в виде 99,99 тыс. об., входую частоту поделив на 10, я бы даже сделал это аппаратно...

Меряется скорость вращения [1/мин], поэтому 100'000[об/мин]=100'000/60=1666,(6) [об/сек] или 1000000/1666,(6)=600мкс/оборот. Так что, не все так плохо.
Все свои тахометры делал так


Последний раз редактировалось akl Чт мар 03, 2022 17:34:22, всего редактировалось 2 раз(а).

Вернуться наверх
 
Не в сети
 Заголовок сообщения: Re: Помогите сделать тахометр..
СообщениеДобавлено: Чт мар 03, 2022 15:41:49 
Друг Кота
Аватар пользователя

Карма: 62
Рейтинг сообщений: 889
Зарегистрирован: Вт апр 24, 2007 07:45:40
Сообщений: 6207
Откуда: Minsk
Рейтинг сообщения: 0
Да, я лопухнулся с минутами-секундами. Сам осознал, но уже ткнули носом: "Ходи в лоток!" :(
Но от своего тезиса, что по точности хватит 4 знаков - не отказываюсь. Разве что надо в диапазоне от единиц обормотов/мин. Тогда запятую можно подвинуть.

_________________
Изображение


Вернуться наверх
 
Не в сети
 Заголовок сообщения: Re: Помогите сделать тахометр..
СообщениеДобавлено: Чт мар 03, 2022 16:24:14 
Нашел транзистор. Понюхал.

Карма: 1
Рейтинг сообщений: 4
Зарегистрирован: Вт ноя 26, 2013 00:18:18
Сообщений: 165
Откуда: СПб
Рейтинг сообщения: 0
Пару трехразрядных найду...Спасибо!


Вернуться наверх
 
Не в сети
 Заголовок сообщения: Re: Помогите сделать тахометр..
СообщениеДобавлено: Чт мар 03, 2022 16:48:08 
Друг Кота
Аватар пользователя

Карма: 31
Рейтинг сообщений: 883
Зарегистрирован: Пт сен 10, 2021 15:19:36
Сообщений: 6136
Откуда: Протвино
Рейтинг сообщения: 0
>Но от своего тезиса, что по точности хватит 4 знаков - не отказываюсь.
я бы даже сказал что для обычных диапазонов оборотов какойто одной реальной машины.
разрешения в 3 разряда более чем достаточно. напр для двс надо обычно 2 разряда (x100rpm)
но если одним тахометром мерить частоты и роторов ветряков и стирлингов и дизелей и газовых турбин то да, для достаточного разрешения в широких диапазонах может понадобиться и 4 и 5 если без выбора предела.


Вернуться наверх
 
Не в сети
 Заголовок сообщения: Re: Помогите сделать тахометр..
СообщениеДобавлено: Чт мар 03, 2022 20:45:21 
Друг Кота
Аватар пользователя

Карма: 197
Рейтинг сообщений: 8594
Зарегистрирован: Пн ноя 30, 2009 03:00:01
Сообщений: 43136
Откуда: Нерезиновая
Рейтинг сообщения: 0
А, собственно, тахометр вам нужен "тахи" :))) чего измерять? Ну, если это не "совершенно секретно"!


Вернуться наверх
 
Показать сообщения за:  Сортировать по:  Вернуться наверх
Начать новую тему Ответить на тему  [ Сообщений: 41 ]  1, ,  

Часовой пояс: UTC + 3 часа


Кто сейчас на форуме

Сейчас этот форум просматривают: нет зарегистрированных пользователей и гости: 26


Вы не можете начинать темы
Вы не можете отвечать на сообщения
Вы не можете редактировать свои сообщения
Вы не можете удалять свои сообщения
Вы не можете добавлять вложения

Найти:
Перейти:  


Powered by phpBB © 2000, 2002, 2005, 2007 phpBB Group
Русская поддержка phpBB
Extended by Karma MOD © 2007—2012 m157y
Extended by Topic Tags MOD © 2012 m157y