Например TDA7294

Форум РадиоКот • Просмотр темы - светофор attiny13a
Форум РадиоКот
Здесь можно немножко помяукать :)

Текущее время: Ср дек 17, 2025 17:18:43

Часовой пояс: UTC + 3 часа


ПРЯМО СЕЙЧАС:



Начать новую тему Ответить на тему  [ Сообщений: 23 ]  1,  
Автор Сообщение
Не в сети
 Заголовок сообщения: светофор attiny13a
СообщениеДобавлено: Ср окт 30, 2019 12:41:32 
Первый раз сказал Мяу!

Зарегистрирован: Пн дек 02, 2013 15:41:48
Сообщений: 22
Рейтинг сообщения: 0
Ребят, помогите реализовать этот светофор
статья https://habr.com/ru/post/443188/
гитхаб https://github.com/lugovskovp/TrafficLight13
У меня как раз есть attiny 13a и программатор usb avr

Вопрос в том, что мне нужно:
1. прошивку, её видимо скомпилировать там нужно а то, не вижу на гитхаюбе её.
2. каким ПО шить (с версией), и какие настройки (фьюзы или что там) выставить.

А то у меня только навыки пайки имеются, в программировании полный ноль.

Или согласен сделать любой другой, если подскажете. Хочу светофор именно на attiny13a, именно на 4 стороны, именно с моргающим зеленым, который с такой схемой работы как в статье.
Спасибо.


Вернуться наверх
 
Не в сети
 Заголовок сообщения: Re: светофор attiny13a
СообщениеДобавлено: Ср окт 30, 2019 13:31:45 
Друг Кота
Аватар пользователя

Карма: 197
Рейтинг сообщений: 8593
Зарегистрирован: Пн ноя 30, 2009 03:00:01
Сообщений: 43102
Откуда: Нерезиновая
Рейтинг сообщения: 1
Вам нужно получить опыт в программировании, или "светофор" в качестве игрушки?
Статья по вашей ссылке- это больше для обучения программистов, а не для того, чтобы "сделать игрушку"..

Добавлено after 10 minutes 2 seconds:
Или согласен сделать любой другой, если подскажете. Хочу светофор именно на attiny13a, именно на 4 стороны, именно с моргающим зеленым, который с такой схемой работы как в статье. .

"на 4 стороны" совсем не обязательно, достаточно "на две стороны"- у большинства светофоров "встречные направления" переключаются совершенно одинаково..


Вернуться наверх
 
Не в сети
 Заголовок сообщения: Re: светофор attiny13a
СообщениеДобавлено: Ср окт 30, 2019 13:56:01 
Первый раз сказал Мяу!

Зарегистрирован: Пн дек 02, 2013 15:41:48
Сообщений: 22
Рейтинг сообщения: 0
Нужна просто для создания игрушки. Цели научиться программить нет. Так бы конечно с нуля начал разбираться.
Просто валяется куча тинек13а, поэтому на ней.

Мне бы готовой прошивки/фьюзов и схемы хватило бы. С остальной элементарщиной разберусь, типа как подключать программатор и тд.
Просто не хочется только на одну сторону делать, только такие нашел готовые на тине13. На две стороны бы как на видео в статье нужна.


Вернуться наверх
 
Не в сети
 Заголовок сообщения: Re: светофор attiny13a
СообщениеДобавлено: Ср окт 30, 2019 14:44:30 
Друг Кота
Аватар пользователя

Карма: 197
Рейтинг сообщений: 8593
Зарегистрирован: Пн ноя 30, 2009 03:00:01
Сообщений: 43102
Откуда: Нерезиновая
Рейтинг сообщения: 1
Вот с таким "циклом" устроит?
Изображение
мне "немного потренироваться" :beer: :beer: :beer:
Такой "цикл" можно реализовать "в лоб" при помощи пяти выходов Тиньки, без всяких "ухищрений"..


Вернуться наверх
 
Эиком - электронные компоненты и радиодетали
Не в сети
 Заголовок сообщения: Re: светофор attiny13a
СообщениеДобавлено: Ср окт 30, 2019 15:18:16 
Первый раз сказал Мяу!

Зарегистрирован: Пн дек 02, 2013 15:41:48
Сообщений: 22
Рейтинг сообщения: 0
АлександрЛ, конечно. именной такой и ищу. А то такой видел на тиньке только на одну сторону и шустрый слишком, на весь цикл 3-4 секунды было.
Задержки 5 и 15 секунд можно меньше даже, 3 сек и 9 сек, например.
Типа ребенку чтобы долго не ждать смены света.


Вернуться наверх
 
Не в сети
 Заголовок сообщения: Re: светофор attiny13a
СообщениеДобавлено: Ср окт 30, 2019 15:22:23 
Поставщик валерьянки для Кота

Карма: 12
Рейтинг сообщений: 532
Зарегистрирован: Ср июл 17, 2013 13:55:57
Сообщений: 1978
Рейтинг сообщения: 1
Бинарник, собранный из исходников по ссылке с гитхаба:
Спойлер
Код:
:1000000039C05EC045C045C043C042C041C040C0C9
:100010003FC03EC0180800000000B90008081808DA
:1000200009006F0009090000000025000D0D000007
:1000300000004A001810000000000301181008001A
:1000400009006F000C040000000025000D050000F1
:1000500000004A0005050500250000000000000022
:10006000000000001C0C19110100250014041111DE
:100070000100000011241FBECFE9CDBF20E0A0E6A3
:10008000B0E001C01D92A436B207E1F75AD077C1A3
:10009000B7CF1F920F920FB60F9211248F939F9399
:1000A000809160009091610001969093610080932F
:1000B00060009F918F910F900FBE0F901F90189529
:1000C0001F920F920FB60F9211248F938BB78F7BD5
:1000D0008BBF8AB78F7B8ABF8091620010926100CC
:1000E00010926000109263008F73836080936200AF
:1000F0008F910F900FBE0F901F90189517BA18BAD6
:1001000090E023E0880F991F2A95E1F79C012C5E6F
:100110003F4F611103C0E2E0F0E002C0E0E0F0E038
:10012000E20FF31FE491ED7FE7BBFC01662319F0BA
:10013000EB5EFF4F02C0E95EFF4FE491E260E8BB77
:10014000089585B7877E85BF85B7806285BF85E0C6
:1001500083BF89B7826089BF1092610010926000EE
:10016000809162008C7F10926300846280936200B1
:100170007894CAE0D0E240E1F42E80916000909142
:10018000610097FF14C080916000909161008F5FC3
:100190009F4790936100809360002115310511F015
:1001A0002F5F3F470115110511F00F5F1F47B199F0
:1001B00010C0909163009F5F90936300953048F06A
:1001C00080916200953210F4806401C0806C80934D
:1001D00062002115310519F420E030E024C080913F
:1001E00060009091610028173907E8F4609162007F
:1001F0006D276093620065FB662760F98C2F7EDFB8
:10020000EC2FF0E033E0EE0FFF1F3A95E1F7E85EE8
:10021000FF4F859194910097F9F220916000309101
:100220006100280F391F0115110581F080916000D0
:10023000909161000817190748F48091620085FFCA
:1002400005C0CF5FC77084608093620080916200B8
:10025000982F9370923009F448C0933019F0913080
:10026000E9F43CC085B7877E85BF8091620087FF37
:100270000AC0C93041F484FD02C0C0E001C0C8E03A
:10028000846080936200B19B4AC08091620087FFC6
:1002900002C08C7F1BC08E7F826018C0909163006B
:1002A0009923E9F187FF05C08D7F85608093620007
:1002B000C9E0B19B34C08091620086FF09C08F25E0
:1002C00084FD02C0C0E001C0C8E084608093620089
:1002D00010926300809162008F7304C0B19B1FC0B5
:1002E0008E7F8260809362001AC0B19907C085B783
:1002F000877E85BF809162008360F4CF1092630097
:100300008F7384608093620085B7877E806185BF2C
:100310008BB780648BBF8AB78F7B8ABFC9E080911F
:10032000620082FF2AC08B7F80628093620061E05E
:100330008C2FE4DE8C2F90E023E0880F991F2A9504
:10034000E1F7FC01E85EFF4F25913491211531055D
:1003500031F04091600050916100240F351FFC0185
:10036000E65EFF4F059114910115110531F0809162
:10037000600090916100080F191F8895FECEF894D7
:02038000FFCFAD
:00000001FF

Всё остальное, вроде схемы, есть там.


Вернуться наверх
 
Не в сети
 Заголовок сообщения: Re: светофор attiny13a
СообщениеДобавлено: Ср окт 30, 2019 16:42:18 
Друг Кота
Аватар пользователя

Карма: 197
Рейтинг сообщений: 8593
Зарегистрирован: Пн ноя 30, 2009 03:00:01
Сообщений: 43102
Откуда: Нерезиновая
Рейтинг сообщения: 3
[uquote="NStorm",url="/forum/viewtopic.php?p=3727609#p3727609"]Бинарник, собранный из исходников по ссылке с гитхаба:
А в *.bin или в *.hex форматах выложить было сложно?
То, что вы выложили- это "хекс", файл с расширением hex, пригодный для "заливки" в МК..

Чтобы не разбираться с тем, что там наизобретали на гитхабе, вот "простая версия"-
Вот два варианта схемы:
Изображение Изображение
с ключами на ULN2003 или с ключами на транзисторах. (смотря что удастся попроще "спионерить".. :))) :))) :))) )
Прошивка одна и та же-
Вложение:
Светофор.zip [517 байт]
Скачиваний: 333

Фьюзы остаются "по умолчанию"

зы.. Чтобы не собирать всю схему целиком, можно, для проверки, сделать "упрощённую схему"-
Изображение
без транзисторов..

зызы.. Если по времени циклов вам что- то захочется изменить- пишите (в ЛС, например)- переделаю..


Вернуться наверх
 
 Заголовок сообщения: Re: светофор attiny13a
СообщениеДобавлено: Ср окт 30, 2019 22:44:42 
У меня как раз есть attiny 13a и программатор usb avr

Вопрос в том, что мне нужно:

Опишите как хотите чтобы работал светофор… :) я Вам напишу прошивку для тини13. Схему нарисуете сами или мне нарисовать? :write:

Добавлено after 10 minutes 52 seconds:
Не дочитал… Александр уже сделал… ну и замечательно! :) :beer:


Вернуться наверх
   
 
Не в сети
 Заголовок сообщения: Re: светофор attiny13a
СообщениеДобавлено: Чт окт 31, 2019 02:06:15 
Друг Кота
Аватар пользователя

Карма: 197
Рейтинг сообщений: 8593
Зарегистрирован: Пн ноя 30, 2009 03:00:01
Сообщений: 43102
Откуда: Нерезиновая
Рейтинг сообщения: 1
Собственно, та схема, с которой всё началось, тоже вполне рабочая, и прошивка, которую выложил NStorm тоже нормально заработала..
В общем- схема:
Изображение
Прошивка:
Вложение:
Прошивка с гитхаба.zip [1.13 KiB]
Скачиваний: 309

зы.. Резисторы на схеме, которые подписаны как 10 Ом надо ставить от 220 до 680 Ом (подобрать по вкусу :))) желаемой яркости свечения светодиодов)

зызы.. На счёт фьюзов- считать из микросхемы фьюзы "по умолчанию" и преключить фьюз CLKDIV8 в "противоположное" от "считанного по умолчанию" состояние.
Хотя, если этого не сделать, схема работать будет, но в восемь раз медленнее.. :))


Вернуться наверх
 
 Заголовок сообщения: Re: светофор attiny13a
СообщениеДобавлено: Чт окт 31, 2019 12:02:39 
Если светофор игрушка на ёлку то тогда моё предложение не подходит, а если светофор для игрушечной дороги, то вот такой вариант думаю был бы реалистичнее. Да и алгоритм можно было бы воспроизвести реальный. :)
СпойлерИзображение

Вложение:
1.jpg

Вложение:
2.jpg


Вернуться наверх
   
 
Не в сети
 Заголовок сообщения: Re: светофор attiny13a
СообщениеДобавлено: Сб ноя 02, 2019 21:18:42 
Первый раз сказал Мяу!

Зарегистрирован: Пн дек 02, 2013 15:41:48
Сообщений: 22
Рейтинг сообщения: 3
Всем спасибо, плюсики расставил всем вроде. Сегодня собрали с ребенком. Второй день ходит с ним не отключая.
Считаю топовым светофором.

Upd. если кому не лень, допилите прогу моргания:
Если коротко: уменьшить время горения желтого света после зеленого в два раза, чтобы одновременно желтые не горели.

Если подробно:
Как сейчас: Когда на первой стороне зеленый сменился на желтый, на второй стороне с красным загорается желтый. И потом одновременно желтые тухнут и загораются зеленый/красный. Т.е. желтые горят одновременно, что не совсем верно.
Как нужно: Когда на первой стороне зеленый сменился на желтый, нужно чтобы этот желтый сменился на красный в тот момент, когда на другой стороне с красным загорается желтый. Т.е. просто уменьшить время горения желтого после зеленого в два раза.

Спасибо.


Вернуться наверх
 
Не в сети
 Заголовок сообщения: Re: светофор attiny13a
СообщениеДобавлено: Вт янв 11, 2022 19:01:08 
Первый раз сказал Мяу!

Зарегистрирован: Пн дек 02, 2013 15:41:48
Сообщений: 22
Рейтинг сообщения: 0
[uquote="NStorm",url="/forum/viewtopic.php?p=3727609#p3727609"]Бинарник, собранный из исходников по ссылке с гитхаба:
А в *.bin или в *.hex форматах выложить было сложно?
То, что вы выложили- это "хекс", файл с расширением hex, пригодный для "заливки" в МК..

Чтобы не разбираться с тем, что там наизобретали на гитхабе, вот "простая версия"-
Вот два варианта схемы:
Изображение Изображение
с ключами на ULN2003 или с ключами на транзисторах. (смотря что удастся попроще "спионерить".. :))) :))) :))) )
Прошивка одна и та же-
Вложение:
Вложение Светофор.zip больше недоступно.

Фьюзы остаются "по умолчанию"

зы.. Чтобы не собирать всю схему целиком, можно, для проверки, сделать "упрощённую схему"-
Изображение
без транзисторов..

зызы.. Если по времени циклов вам что- то захочется изменить- пишите (в ЛС, например)- переделаю..

Собрал с транзисторами J3Y, не работает. Транзисторы открываются только когда пальцами контакты задеваю.
А то без транзисторов ток мелкий, хотел ток хотя бы до 100мА, но без них никак.
Уже морально достал светофор, сначала плату пилил долго, потом не работает.
И ни один китаец не продает светофор, конкретно плату управления на транзисторах. Только жалкие корпуса со светодиодами, без платы управления или с платой на одну сторону.


Вложения:
rgb.JPG [133.87 KiB]
Скачиваний: 112
Вернуться наверх
 
Не в сети
 Заголовок сообщения: Re: светофор attiny13a
СообщениеДобавлено: Вт янв 11, 2022 21:08:51 
Говорящий с текстолитом
Аватар пользователя

Карма: 18
Рейтинг сообщений: 236
Зарегистрирован: Пт дек 10, 2021 12:48:46
Сообщений: 1548
Откуда: Тюмень
Рейтинг сообщения: 0
Резисторы в базе какого номинала?

ЗЫ. Между выводом 1 и 8 установите резистор 10 кОм.


Вернуться наверх
 
Не в сети
 Заголовок сообщения: Re: светофор attiny13a
СообщениеДобавлено: Вт янв 11, 2022 21:53:45 
Первый раз сказал Мяу!

Зарегистрирован: Пн дек 02, 2013 15:41:48
Сообщений: 22
Рейтинг сообщения: 0
Все резисторы как в схеме, по 10кОм. Между 1 и 8 добавлю 10кОм тоже. Еще что то?
Транзисторы J3Y подходят же? На плате видно, как стоят они. Я в транзисторах слаб, но вроде подключены верно.

Фьюзы дефолт, даже не трогал.
Прошивка заливается норм.


Вернуться наверх
 
Не в сети
 Заголовок сообщения: Re: светофор attiny13a
СообщениеДобавлено: Вт янв 11, 2022 23:19:08 
Говорящий с текстолитом
Аватар пользователя

Карма: 18
Рейтинг сообщений: 236
Зарегистрирован: Пт дек 10, 2021 12:48:46
Сообщений: 1548
Откуда: Тюмень
Рейтинг сообщения: 0
Уменьшите резисторы базы на порядок (1 кОм)…
Ваш рисунок печатной платы – это вид если смотреть со стороны дорожек? Если так, то да транзисторы установлены правильно. И да они вполне подходят если не превышать их характеристик...
Стесняюсь спросить… а зачем Вам понадобились транзисторы? Или Вы используете светодиоды большой мощности? Если используете обычные светодиоды, то в транзисторах отпадает надобность. Или их значительно больше чем указано на схеме? Если так, то транзисторы конечно будут нужны. Так для сведения - если у Вас через каждый управляющий вывод ток не превышает 35 мА, то от транзисторов можно смело отказаться. :) Хотя если уже куплены, то пусть стоят. :))

Алгоритм прошивки отрабатывает как надо? А то я могу и свой вариант написать для Вашей платы... :)


Вернуться наверх
 
Не в сети
 Заголовок сообщения: Re: светофор attiny13a
СообщениеДобавлено: Вт янв 11, 2022 23:52:13 
Друг Кота
Аватар пользователя

Карма: 197
Рейтинг сообщений: 8593
Зарегистрирован: Пн ноя 30, 2009 03:00:01
Сообщений: 43102
Откуда: Нерезиновая
Рейтинг сообщения: 0
Все резисторы как в схеме, по 10кОм..

Если вам нужно 200 мА, то уменьшайте резисторы в базе, поставьте вместо 10 кОм, ну, хотя бы 2 кОм, или даже 1 кОм - тогда ток базы получится 2~4 мА-
через резистор 10 кОм ток базы будет что- то около 0,4 мА, у транзистора S8050 "средний" коэффициент усиления 100~200, получается, что ток коллектора будет около 40~80 мА, а вам нужно 200!


Вернуться наверх
 
Не в сети
 Заголовок сообщения: Re: светофор attiny13a
СообщениеДобавлено: Ср янв 12, 2022 08:05:28 
Первый раз сказал Мяу!

Зарегистрирован: Пн дек 02, 2013 15:41:48
Сообщений: 22
Рейтинг сообщения: 0
Без транзисторов собирал по другой схеме на 5мм светодиодах, которая тут тоже ближе к концу темы https://radiokot.ru/forum/viewtopic.php ... 8#p3727868

Сейчас хотел ярче сделать, на 2835 или 5050 светодиодах, по 1-4 светодиода параллельно на каждый цвет на одну сторону, по 10-20мА на каждом. Пока не думал по сколько точно делать, но тиньки китайские - даже хз какой ток они максимум выдержат, поэтому и желание с транзисторами.

Я думал что будет работать так: тинька открывает транзисторы на полную, а я уже сам дальше ток ограничивать буду резисторами, поэтому и пишу чтоб 200мА можно было питать, чтобы точно питания хватало.

Потестирую с 1кОм резисторами тогда. А то пока даже 5мм светодиод не загорается.
Если не заработает - добавлю пины для прошивки на плату сразу, и там уже с прошивкой повозимся если что.
Спасибо, ребят.

Upd 12.01.2022 14:00
Пока всё заработало, проверил на паре 5мм светодиодов. Впервый раз накосячил видимо с прошивкой, т.к. тыкал все три кнопки Программирование/Верификация/Чтение, чтобы убедиться что точно нет ошибок, перед впайкой тиньки. Заметил что в файле прошивке все пропадало при этом, кроме последней строки, вот и не работало. Но увы, уже перепаял резисторы на 1кОм, в итоге хз работало бы с 10кОм диодами. В билжайшеее время сделаю платы диодов 2835 или 5050, и протестирую снова всё.
По результатам также отпишусь тут.
Спасибо.


Вернуться наверх
 
Не в сети
 Заголовок сообщения: Re: светофор attiny13a
СообщениеДобавлено: Ср янв 12, 2022 21:07:05 
Говорящий с текстолитом
Аватар пользователя

Карма: 18
Рейтинг сообщений: 236
Зарегистрирован: Пт дек 10, 2021 12:48:46
Сообщений: 1548
Откуда: Тюмень
Рейтинг сообщения: 0
Возникла мысль написать программу для 4 светофоров с дополнительными секциями для пешеходов. :) Для таких, как на картинке:
СпойлерИзображение

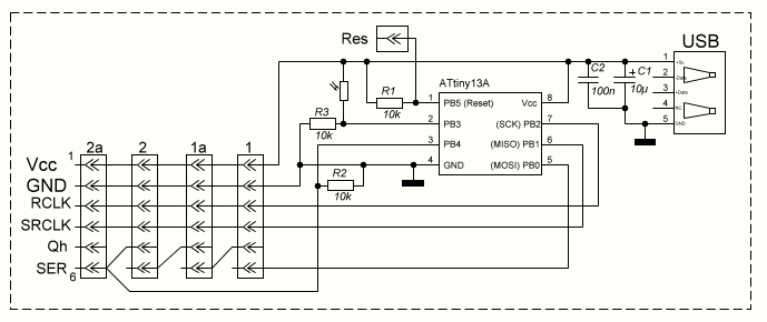
каждый светофор будет иметь сдвиговый регистр (SN74HC595) и пару транзисторов для управления пешеходными секциями светофора. Схема приблизительно такая (напряжение питания 5 В.)…
СпойлерИзображение

Управление будет осуществляться от ATtiny13… можно будет управлять от одного до четырёх светофоров… то есть можно организовать полноценный перекрёсток при необходимости с дополнительными пешеходными секциями.


Вернуться наверх
 
Не в сети
 Заголовок сообщения: Re: светофор attiny13a
СообщениеДобавлено: Пт янв 14, 2022 12:44:39 
Говорящий с текстолитом
Аватар пользователя

Карма: 18
Рейтинг сообщений: 236
Зарегистрирован: Пт дек 10, 2021 12:48:46
Сообщений: 1548
Откуда: Тюмень
Рейтинг сообщения: 3
Задуманное раде спортивного интереса сделал. :)
Прошивка для ATtiny13A. Тактируется МК на заводских установках (1,2 МГц).
Обновлена:
Вложение:
svetofor_2.hex [1.17 KiB]
Скачиваний: 134

Краткое описание алгоритма: При подаче питания, МК засвечивает все светодиоды и проверяет какое количество светофоров подключено. Если подключён один или подключено два светофора (разъёмы №1 и №1а), то задействован укороченный алгоритм. А если подключено три или все четыре светофора (разъёмы №2 и №2а), то задействуется весь алгоритм.
Вначале мигают все жёлтые, затем алгоритм для прохода пешеходов со всех сторон перекрёстка. Затем алгоритм первого направления для авто, затем второго направления для авто. И возврат в начало (алгоритм прохода пешеходов во всех направлениях).

Схема светофора с дополнительной пешеходной секцией для противоположной стороны:
Вложение:
Схема светофора.png [36.63 KiB]
Скачиваний: 126

Схема управления:
Вложение:
Схема управбения.png [20.6 KiB]
Скачиваний: 122

В архиве печатки (Sprint-Layout 6.0) для светофора и платы управления (без плат светодиодов). И схемы (sPlan 8.0). На всякий случай в архив закинул просмотрщик sPlan.
Так как архив такого объёма не разрешается разместить... даю ссылку на яндекс диск:
https://disk.yandex.ru/d/ta2Kbo9wT4qa4g


PS. Резистор R3 и фоторезистор на плате управления в алгоритме не задействованы (это для будущего функционала при необходимости). Таким образом, эти элементы можно не устанавливать.

PS. PS. Прошивку заменил… устранил ошибку при определении подсоединённых светофоров.


Последний раз редактировалось VNS Пт янв 14, 2022 20:54:26, всего редактировалось 2 раз(а).

Вернуться наверх
 
Не в сети
 Заголовок сообщения: Re: светофор attiny13a
СообщениеДобавлено: Пт янв 14, 2022 14:40:42 
Это не хвост, это антенна

Карма: 12
Рейтинг сообщений: 136
Зарегистрирован: Вт июн 07, 2011 08:03:18
Сообщений: 1307
Рейтинг сообщения: 0
)) Когда то тоже делал ребёнку. 2 батарейки, мега8, кнопка, пьезо, 4 стороны по 3 светодиода, + 2 стороны по 2 7-ми сегментника для индикации времени. Это всё из бумаги/картона + деревянная подставка. Затем захотелось ещё применения. Добавились часы, будильник, азбука морзе.))) Несколько детей в школе заявило что и у них есть точно такие же.)))


Вернуться наверх
 
Показать сообщения за:  Сортировать по:  Вернуться наверх
Начать новую тему Ответить на тему  [ Сообщений: 23 ]  1,  

Часовой пояс: UTC + 3 часа


Кто сейчас на форуме

Сейчас этот форум просматривают: нет зарегистрированных пользователей и гости: 27


Вы не можете начинать темы
Вы не можете отвечать на сообщения
Вы не можете редактировать свои сообщения
Вы не можете удалять свои сообщения
Вы не можете добавлять вложения

Найти:
Перейти:  


Powered by phpBB © 2000, 2002, 2005, 2007 phpBB Group
Русская поддержка phpBB
Extended by Karma MOD © 2007—2012 m157y
Extended by Topic Tags MOD © 2012 m157y