Например TDA7294

Форум РадиоКот • Просмотр темы - Зарядка для ноутбука с разъёмом USB Type C
Форум РадиоКот
Здесь можно немножко помяукать :)

Текущее время: Пн дек 22, 2025 23:05:38

Часовой пояс: UTC + 3 часа


ПРЯМО СЕЙЧАС:



Начать новую тему Ответить на тему  [ Сообщений: 19 ] 
Автор Сообщение
Не в сети
 Заголовок сообщения: Зарядка для ноутбука с разъёмом USB Type C
СообщениеДобавлено: Сб ноя 01, 2025 13:52:55 
Потрогал лапой паяльник

Зарегистрирован: Вс дек 25, 2016 05:50:21
Сообщений: 354
Рейтинг сообщения: 0
Привет

В разъёме USB Type C разглядел примерно 9 контактов, но со стороны зарядки заходят только 3 провода. На проводах напряжения нет. Большой алюминиевый радиатор греется - там транзистор наверное.

Что наиболее вероятно ?


https://ibb.co/0j0LzkZn
https://ibb.co/M5xTnbZH

спасибо


Вернуться наверх
 
Не в сети
 Заголовок сообщения: Re: Зарядка для ноутбука с разъёмом Type C
СообщениеДобавлено: Сб ноя 01, 2025 13:58:53 
Друг Кота
Аватар пользователя

Карма: 59
Рейтинг сообщений: 2218
Зарегистрирован: Чт янв 26, 2012 16:44:29
Сообщений: 19558
Откуда: Таксимо
Рейтинг сообщения: 0
Не может три быть, как минимум 4 должно. + - и д+ д-

_________________
Мои поставщики запчастей с отличной репутацией
texnomag.ru
radioremont.com
pl-1.org
4ip.info
elitan.ru


Вернуться наверх
 
Не в сети
 Заголовок сообщения: Re: Зарядка для ноутбука с разъёмом USB Type C
СообщениеДобавлено: Сб ноя 01, 2025 15:57:54 
Друг Кота
Аватар пользователя

Карма: 55
Рейтинг сообщений: 669
Зарегистрирован: Вт сен 25, 2012 23:13:41
Сообщений: 5435
Откуда: г.Дзержинск Нижегородской обл.
Рейтинг сообщения: 0
Что наиболее вероятно ?
Наиболее вероятно, что это работать не будет. Обратите внимание на Q4. Ей уже хана - скол на корпусе.

_________________
Спасение утопающих дело рук самих утопающих.


Вернуться наверх
 
Не в сети
 Заголовок сообщения: Re: Зарядка для ноутбука с разъёмом USB Type C
СообщениеДобавлено: Сб ноя 01, 2025 21:25:23 
Потрогал лапой паяльник

Зарегистрирован: Вс дек 25, 2016 05:50:21
Сообщений: 354
Рейтинг сообщения: 0
Если деталь на большом алюминиевом радиаторе - Q1, то там зеленый клей-фиксатор винтика. Скола не видно (хотя под клеем м.б. что угодно).

А проводов: два потолще и синий потоньше. Видно, что и на плате нет других проводов, и в черный пластиковый разъём входят эти 3 провода. Как-то это работало...

Как д. работать такая зарядка - она сразу выдает напряжение или ждёт какой-то сигнал от устройства ?


Вернуться наверх
 
Эиком - электронные компоненты и радиодетали
Не в сети
 Заголовок сообщения: Re: Зарядка для ноутбука с разъёмом Type C
СообщениеДобавлено: Вс ноя 02, 2025 12:51:38 
Друг Кота
Аватар пользователя

Карма: 4
Рейтинг сообщений: 335
Зарегистрирован: Ср мар 31, 2010 09:33:22
Сообщений: 4752
Откуда: Владивосток
Рейтинг сообщения: 0
Не может три быть, как минимум 4 должно. + - и д+ д-

Там хватит три .
Недавно разбирал подобную на 60 вт .

Как д. работать такая зарядка - она сразу выдает напряжение или ждёт какой-то сигнал от устройства ?

PD чипы обмениваются сигналом на одном проводе Обычно на силовом проводе сначала 5 в присутсвует .

_________________
«Когда у общества нет цветовой дифференциации штанов, то нет цели!»

- Позвольте-с вас спросить, почему от вас так отвратительно пахнет?
- Ну, что ж, пахнет... известно. По специальности. Вчера котов душили, душили. (с)


Вернуться наверх
 
Не в сети
 Заголовок сообщения: Re: Зарядка для ноутбука с разъёмом USB Type C
СообщениеДобавлено: Вс ноя 02, 2025 14:16:57 
Друг Кота
Аватар пользователя

Карма: 59
Рейтинг сообщений: 2218
Зарегистрирован: Чт янв 26, 2012 16:44:29
Сообщений: 19558
Откуда: Таксимо
Рейтинг сообщения: 0
Если в теме, опиши подробно. Думаю всем будет интересно

_________________
Мои поставщики запчастей с отличной репутацией
texnomag.ru
radioremont.com
pl-1.org
4ip.info
elitan.ru


Вернуться наверх
 
Не в сети
 Заголовок сообщения: Re: Зарядка для ноутбука с разъёмом USB Type C
СообщениеДобавлено: Вс ноя 02, 2025 14:22:09 
Друг Кота
Аватар пользователя

Карма: 182
Рейтинг сообщений: 8323
Зарегистрирован: Пт фев 04, 2011 17:57:51
Сообщений: 20019
Откуда: Рыбинск
Рейтинг сообщения: 0
Медали: 1
Лучший человек Форума 2017 (1)
SergeyNS писал(а):
Большой алюминиевый радиатор греется - там транзистор наверное.
Ну так если силовой ключ греется, а на выходе ничего нет, то явно кз в выпрямительном элементе, Q4 - синхронный выпрямитель, как зовется по маркировке выяснять. И на нем дыра или просто технологическое нечто виднеется, не понятно.


Вернуться наверх
 
Не в сети
 Заголовок сообщения: Re: Зарядка для ноутбука с разъёмом USB Type C
СообщениеДобавлено: Вс ноя 02, 2025 14:46:16 
Друг Кота
Аватар пользователя

Карма: 4
Рейтинг сообщений: 335
Зарегистрирован: Ср мар 31, 2010 09:33:22
Сообщений: 4752
Откуда: Владивосток
Рейтинг сообщения: 0
опиши подробно


Можно скачать даташит по чипу CH224K . Он может работать ведущим или ведомым .

_________________
«Когда у общества нет цветовой дифференциации штанов, то нет цели!»

- Позвольте-с вас спросить, почему от вас так отвратительно пахнет?
- Ну, что ж, пахнет... известно. По специальности. Вчера котов душили, душили. (с)


Вернуться наверх
 
Не в сети
 Заголовок сообщения: Re: Зарядка для ноутбука с разъёмом USB Type C
СообщениеДобавлено: Вс ноя 02, 2025 15:00:29 
Друг Кота
Аватар пользователя

Карма: 59
Рейтинг сообщений: 2218
Зарегистрирован: Чт янв 26, 2012 16:44:29
Сообщений: 19558
Откуда: Таксимо
Рейтинг сообщения: 0
Всеравно 4 насчитал контакта

_________________
Мои поставщики запчастей с отличной репутацией
texnomag.ru
radioremont.com
pl-1.org
4ip.info
elitan.ru


Вернуться наверх
 
Не в сети
 Заголовок сообщения: Re: Зарядка для ноутбука с разъёмом USB Type C
СообщениеДобавлено: Вс ноя 02, 2025 15:01:28 
Друг Кота
Аватар пользователя

Карма: 4
Рейтинг сообщений: 335
Зарегистрирован: Ср мар 31, 2010 09:33:22
Сообщений: 4752
Откуда: Владивосток
Рейтинг сообщения: 0
Изображение

https://habr.com/ru/companies/ruvds/articles/710248/

_________________
«Когда у общества нет цветовой дифференциации штанов, то нет цели!»

- Позвольте-с вас спросить, почему от вас так отвратительно пахнет?
- Ну, что ж, пахнет... известно. По специальности. Вчера котов душили, душили. (с)


Вернуться наверх
 
Не в сети
 Заголовок сообщения: Re: Зарядка для ноутбука с разъёмом USB Type C
СообщениеДобавлено: Вс ноя 02, 2025 21:20:37 
Друг Кота
Аватар пользователя

Карма: 59
Рейтинг сообщений: 2218
Зарегистрирован: Чт янв 26, 2012 16:44:29
Сообщений: 19558
Откуда: Таксимо
Рейтинг сообщения: 0
Ну вот опять начали лепить, однопроводка. Теперь опять бояться что чужим зарядником не спалить гаджет. А вам попадались опрыскиватели на аккуме, у которых 12 вольт зарядка с таким же разтемом как 220?

_________________
Мои поставщики запчастей с отличной репутацией
texnomag.ru
radioremont.com
pl-1.org
4ip.info
elitan.ru


Вернуться наверх
 
Не в сети
 Заголовок сообщения: Re: Зарядка для ноутбука с разъёмом USB Type C
СообщениеДобавлено: Ср ноя 12, 2025 03:32:31 
Потрогал лапой паяльник

Зарегистрирован: Вс дек 25, 2016 05:50:21
Сообщений: 354
Рейтинг сообщения: 0
Q1 оказалась KER KEF8N65B - N-CHANNEL MOSFET. Механических повреждений нет.

Два разных даташита показывают, что ножки идут так: GDS, а буква B в конце означает, что нет средней ножки и она заменяется подложкой. Но ножки тут все есть, а корпус пластиковый...

Прозваниваются только DS/два правых контакта: если плюс слева на 2-ом контакте, то 713Ом, а если слева на 2-ом контакте минус, то то 504Ом, то при повторном измерении 99Ом: может это следствие замыканий контактов во всех возможных комбинациях щупами тестера, а может неисправность.

Деталь исправна ? Если нет - чем м. заменить ?

спасибо


Вернуться наверх
 
Не в сети
 Заголовок сообщения: Re: Зарядка для ноутбука с разъёмом USB Type C
СообщениеДобавлено: Ср ноя 12, 2025 10:17:50 
Друг Кота
Аватар пользователя

Карма: 4
Рейтинг сообщений: 335
Зарегистрирован: Ср мар 31, 2010 09:33:22
Сообщений: 4752
Откуда: Владивосток
Рейтинг сообщения: 0
У тебя дырка в чипе синхронного выпрямителя MX7709C .
Изображение
Не встречал еще таких чипов . Китайское чудо электроники . Даже даташиты скрывают 8)

И поэтому греется танзистор ключа в первичке . Если греется то пока не сгорел :)))

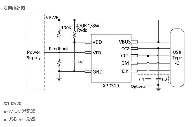
PD контроллер XPD319 -

Изображение


Вложения:
XPD319.jpg [35.67 KiB]
Скачиваний: 152
MX7709C.jpg [90.15 KiB]
Скачиваний: 159

_________________
«Когда у общества нет цветовой дифференциации штанов, то нет цели!»

- Позвольте-с вас спросить, почему от вас так отвратительно пахнет?
- Ну, что ж, пахнет... известно. По специальности. Вчера котов душили, душили. (с)
Вернуться наверх
 
Не в сети
 Заголовок сообщения: Re: Зарядка для ноутбука с разъёмом USB Type C
СообщениеДобавлено: Ср ноя 12, 2025 15:08:54 
Потрогал лапой паяльник

Зарегистрирован: Вс дек 25, 2016 05:50:21
Сообщений: 354
Рейтинг сообщения: 0
Наконец-то я понял, о каком Q4 идёт речь.
Там не дырка, а "выштамповка" - микроуглубление в 1мм от силы плоское круглое с цифрами 8824.


Вернуться наверх
 
Не в сети
 Заголовок сообщения: Re: Зарядка для ноутбука с разъёмом USB Type C
СообщениеДобавлено: Ср ноя 12, 2025 16:01:48 
Друг Кота
Аватар пользователя

Карма: 4
Рейтинг сообщений: 335
Зарегистрирован: Ср мар 31, 2010 09:33:22
Сообщений: 4752
Откуда: Владивосток
Рейтинг сообщения: 0
Ну хоть лунный кратер :)
Если после него на конденсаторе нет напряжения то он труп .
Если не понимаеш что к чему - отдай мастерам .

_________________
«Когда у общества нет цветовой дифференциации штанов, то нет цели!»

- Позвольте-с вас спросить, почему от вас так отвратительно пахнет?
- Ну, что ж, пахнет... известно. По специальности. Вчера котов душили, душили. (с)


Вернуться наверх
 
Не в сети
 Заголовок сообщения: Re: Зарядка для ноутбука с разъёмом USB Type C
СообщениеДобавлено: Чт ноя 13, 2025 21:45:44 
Потрогал лапой паяльник

Зарегистрирован: Вс дек 25, 2016 05:50:21
Сообщений: 354
Рейтинг сообщения: 0
Напряжение мерить между ножками конденсатора ?


Вернуться наверх
 
Не в сети
 Заголовок сообщения: Re: Зарядка для ноутбука с разъёмом USB Type C
СообщениеДобавлено: Чт ноя 13, 2025 22:48:49 
Друг Кота
Аватар пользователя

Карма: 55
Рейтинг сообщений: 669
Зарегистрирован: Вт сен 25, 2012 23:13:41
Сообщений: 5435
Откуда: г.Дзержинск Нижегородской обл.
Рейтинг сообщения: -1
Наконец-то я понял, о каком Q4 идёт речь.
Две недели доходило. Сколько же потребуется времени чтобы осознать его неисправность? ;)

_________________
Спасение утопающих дело рук самих утопающих.


Вернуться наверх
 
Не в сети
 Заголовок сообщения: Re: Зарядка для ноутбука с разъёмом USB Type C
СообщениеДобавлено: Сб ноя 15, 2025 01:51:25 
Потрогал лапой паяльник

Зарегистрирован: Вс дек 25, 2016 05:50:21
Сообщений: 354
Рейтинг сообщения: 0
я не спешу; искал только на лицевой стороне, т.к. мелкие детали на обороте мне обычно не по зубам - негде взять, нет фена и т.д.


Вернуться наверх
 
Не в сети
 Заголовок сообщения: Re: Зарядка для ноутбука с разъёмом USB Type C
СообщениеДобавлено: Сб ноя 15, 2025 20:27:20 
Друг Кота
Аватар пользователя

Карма: 55
Рейтинг сообщений: 669
Зарегистрирован: Вт сен 25, 2012 23:13:41
Сообщений: 5435
Откуда: г.Дзержинск Нижегородской обл.
Рейтинг сообщения: 0
негде взять, нет фена и т.д.
А как тогда планируете ремонтировать?
Однозначно в СЦ! Они там и продиагностируют за одно.

_________________
Спасение утопающих дело рук самих утопающих.


Вернуться наверх
 
Показать сообщения за:  Сортировать по:  Вернуться наверх
Начать новую тему Ответить на тему  [ Сообщений: 19 ] 

Часовой пояс: UTC + 3 часа


Кто сейчас на форуме

Сейчас этот форум просматривают: нет зарегистрированных пользователей и гости: 10


Вы не можете начинать темы
Вы не можете отвечать на сообщения
Вы не можете редактировать свои сообщения
Вы не можете удалять свои сообщения
Вы не можете добавлять вложения

Найти:
Перейти:  


Powered by phpBB © 2000, 2002, 2005, 2007 phpBB Group
Русская поддержка phpBB
Extended by Karma MOD © 2007—2012 m157y
Extended by Topic Tags MOD © 2012 m157y