Например TDA7294

Форум РадиоКот • Просмотр темы - Smart-часы без вибросигнала. Сделать виброзвонок смарт-часам
Форум РадиоКот
Здесь можно немножко помяукать :)

Текущее время: Чт дек 25, 2025 23:46:51

Часовой пояс: UTC + 3 часа


ПРЯМО СЕЙЧАС:



Начать новую тему Ответить на тему  [ Сообщений: 12 ] 
Автор Сообщение
Не в сети
 Заголовок сообщения: Smart-часы без вибросигнала. Сделать виброзвонок смарт-часам
СообщениеДобавлено: Пн дек 09, 2024 16:14:19 
Родился

Зарегистрирован: Пн дек 09, 2024 15:42:00
Сообщений: 6
Рейтинг сообщения: 0
Сейчас уже есть много совершенно разных смарт-часов, и дорогих и очень дешевых, у которых есть вибросигнал. Но все эти часы с цветным дисплеем как у мобильного телефона. Терпеть такие не могу!
А вот кварцевые наручные смарт-часы в ретро дизайне, у которых нормальный монохромный дисплей, такой функции почему то не имеют. Я не смог ничего найти на рынке.
К примеру замечательная модель монохромных смарт-часов Amazfit Neo при входящем звонке издают просто бип-бип. Никакого вибро сигнала.

Вибросигнал часам нужен чтобы оповестить о входящем звонке, когда звук в смартфоне выключен - а раз он там выключен, значит не должно издаваться звуков и часами.

Для решения этой проблемы хочу вместо пьезо-пищалки в часах подключить вибромотор от смартфона.

Но у часов на пьезо-элемент выходит сигнал очень низкого напряжения. Подключить на прямую микроскопическое твердотельное реле (VN03, HSSR-S1A05L-2), которое включало бы вибромотор, наверняка не получится.

Вопрос: как максимально простым и дешевым способом сделать чтобы вибромотор запускался по сигналу часов идущему на пьезоэлектрический динамик? Сама пищалка не нужна, звук часам не нужен, только вибро при входящем звонке.


Вернуться наверх
 
Не в сети
 Заголовок сообщения: Re: Smart-часы без вибросигнала. Сделать виброзвонок смарт-ч
СообщениеДобавлено: Вт дек 10, 2024 20:40:17 
Опытный кот
Аватар пользователя

Карма: -8
Рейтинг сообщений: 62
Зарегистрирован: Вт авг 27, 2024 19:11:47
Сообщений: 748
Рейтинг сообщения: 0
u-rex писал(а):
Вопрос: как максимально простым и дешевым способом сделать чтобы

О, это очень просто. Берёшь сушёную жабью лапку, в полнолуние растворяешь её в крови девственницы...
Ну или несколько времени изучаешь электронику и перестаёшь задавать глупые вопросы.


Вернуться наверх
 
Не в сети
 Заголовок сообщения: Re: Smart-часы без вибросигнала. Сделать виброзвонок смарт-ч
СообщениеДобавлено: Вт дек 10, 2024 21:18:09 
Друг Кота
Аватар пользователя

Карма: 59
Рейтинг сообщений: 2218
Зарегистрирован: Чт янв 26, 2012 16:44:29
Сообщений: 19564
Откуда: Таксимо
Рейтинг сообщения: 0
Жабей лапки мало. Надо еще глаз глубоководной акулы и кровь девственницы

_________________
Мои поставщики запчастей с отличной репутацией
texnomag.ru
radioremont.com
pl-1.org
4ip.info
elitan.ru


Вернуться наверх
 
Не в сети
 Заголовок сообщения: Re: Smart-часы без вибросигнала. Сделать виброзвонок смарт-ч
СообщениеДобавлено: Ср дек 11, 2024 15:46:10 
Родился

Зарегистрирован: Пн дек 09, 2024 15:42:00
Сообщений: 6
Рейтинг сообщения: 0
u-rex писал(а):
Вопрос: как максимально простым и дешевым способом сделать чтобы

О, это очень просто. Берёшь сушёную жабью лапку, в полнолуние растворяешь её в крови девственницы...
Ну или несколько времени изучаешь электронику и перестаёшь задавать глупые вопросы.


Если Вы так хорошо разбираетесь в микроэлектронике, то вместо кучи белеберды, могли просто перечислить какие элементы понадобятся.


Вернуться наверх
 
Эиком - электронные компоненты и радиодетали
Не в сети
 Заголовок сообщения: Re: Smart-часы без вибросигнала. Сделать виброзвонок смарт-ч
СообщениеДобавлено: Ср дек 11, 2024 15:50:31 
Друг Кота
Аватар пользователя

Карма: 59
Рейтинг сообщений: 2218
Зарегистрирован: Чт янв 26, 2012 16:44:29
Сообщений: 19564
Откуда: Таксимо
Рейтинг сообщения: 0
Транзистор, несколько резисторов и конденсатор

_________________
Мои поставщики запчастей с отличной репутацией
texnomag.ru
radioremont.com
pl-1.org
4ip.info
elitan.ru


Вернуться наверх
 
Не в сети
 Заголовок сообщения: Re: Smart-часы без вибросигнала. Сделать виброзвонок смарт-ч
СообщениеДобавлено: Ср дек 11, 2024 16:49:52 
Родился

Зарегистрирован: Пн дек 09, 2024 15:42:00
Сообщений: 6
Рейтинг сообщения: 0
Транзистор, несколько резисторов и конденсатор


С транзистором не очень понятно. Ведь нужно разделить два контура питания. Изобразил принципиальную схему, как я это вижу, на рисунке прикрепленном к сообщению. Один источник питания запитывает сами часы, а второй питает виброзвонок. Или Вы имеете ввиду что от источника питающего часы можно избавиться и запитать всё от одной батареи, питающей мотор? На втором рисунке изобразил общую схему управления транзисторным ключом, для понимания того, говорим ли мы об одном и том же.


Изображение Изображение

И с затвором транзистора не понятно - на сколько знаю транзисторам нужно около 2В для срабатывания затвора, а у сигнала часов явно меньше.

Конденсатор нужен для того чтобы на вибромотор приходило линейное напряжение, а не повторялось дискретное с сигнала часов - верно?


Вернуться наверх
 
Не в сети
 Заголовок сообщения: Re: Smart-часы без вибросигнала. Сделать виброзвонок смарт-ч
СообщениеДобавлено: Ср дек 11, 2024 16:54:32 
Друг Кота
Аватар пользователя

Карма: 59
Рейтинг сообщений: 2218
Зарегистрирован: Чт янв 26, 2012 16:44:29
Сообщений: 19564
Откуда: Таксимо
Рейтинг сообщения: 0
А ты разобрал их? Может там уде место под вибру есть, простотне поставили. И сколько вольт питание часов?

_________________
Мои поставщики запчастей с отличной репутацией
texnomag.ru
radioremont.com
pl-1.org
4ip.info
elitan.ru


Вернуться наверх
 
Не в сети
 Заголовок сообщения: Re: Smart-часы без вибросигнала. Сделать виброзвонок смарт-ч
СообщениеДобавлено: Ср дек 11, 2024 17:02:15 
Родился

Зарегистрирован: Пн дек 09, 2024 15:42:00
Сообщений: 6
Рейтинг сообщения: 0
А ты разобрал их? Может там уде место под вибру есть, простотне поставили. И сколько вольт питание часов?


Питание тех часов, с которыми сейчас собираюсь экспериментировать, от обычной 3V батареи типа CR2032. При этом у них есть блютуз для синхронизации с телефоном.
А смарт-часы Amazfit Neo питаются уже от литий-ионной батареи 3,7В.
И там и там виброзвонок в принципе не предусмотрен. Обычная пьезоэлектрическая пищалка и всё.


Вернуться наверх
 
Не в сети
 Заголовок сообщения: Re: Smart-часы без вибросигнала. Сделать виброзвонок смарт-ч
СообщениеДобавлено: Сб дек 14, 2024 14:41:59 
Друг Кота

Карма: -8
Рейтинг сообщений: 15
Зарегистрирован: Вс июл 24, 2011 11:38:09
Сообщений: 7591
Рейтинг сообщения: 0
Что в ним умного, пульсомер ?
Монохромный будильник
СпойлерИзображение

Вам не кажется что с уходом проводных телефоном, огрызки стали с проводной зарядкой жить в другой комнате, а владельцы теперь звонок хотят слушать руками, чтоб бежать в другую комнату взять безпроводной телефон на проводе.

В кнопочных монохромных дешёвых телефонах за 500р нет вибро, но и самих таких телефонов моделей 2 в продаже. Ну так он чтоб звонить, а не вибрировать.

Вам потребуются часы Polimaster СИГ-РМ1208 чтоб вырвать оттуда счётчик и засунуть моторчик. Подругому никак. Хотя можно на изоленту.


Вернуться наверх
 
Не в сети
 Заголовок сообщения: Re: Smart-часы без вибросигнала. Сделать виброзвонок смарт-ч
СообщениеДобавлено: Вт дек 17, 2024 16:58:35 
Родился

Зарегистрирован: Пн дек 09, 2024 15:42:00
Сообщений: 6
Рейтинг сообщения: 0
Что в ним умного, пульсомер ?
Монохромный будильник
СпойлерИзображение

Вам не кажется что с уходом проводных телефоном, огрызки стали с проводной зарядкой жить в другой комнате, а владельцы теперь звонок хотят слушать руками, чтоб бежать в другую комнату взять безпроводной телефон на проводе.

В кнопочных монохромных дешёвых телефонах за 500р нет вибро, но и самих таких телефонов моделей 2 в продаже. Ну так он чтоб звонить, а не вибрировать.

Вам потребуются часы Polimaster СИГ-РМ1208 чтоб вырвать оттуда счётчик и засунуть моторчик. Подругому никак. Хотя можно на изоленту.


Я на 3д принтере готов корпус напечатать или выфрезеровать из алюминия. Вопрос как сделать чтобы работала электроника так как описано в шапке темы.


Вернуться наверх
 
Не в сети
 Заголовок сообщения: Re: Smart-часы без вибросигнала. Сделать виброзвонок смарт-ч
СообщениеДобавлено: Вс дек 22, 2024 22:01:11 
Вымогатель припоя
Аватар пользователя

Карма: 10
Рейтинг сообщений: 171
Зарегистрирован: Ср июн 29, 2022 16:25:45
Сообщений: 525
Рейтинг сообщения: 0
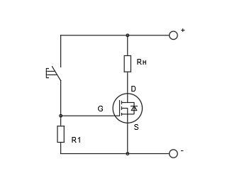
u-rex, вот вам схема.

Изображение

_________________
Белая и Пушистая


Вернуться наверх
 
Не в сети
 Заголовок сообщения: Re: Smart-часы без вибросигнала. Сделать виброзвонок смарт-ч
СообщениеДобавлено: Пн дек 23, 2024 16:54:05 
Родился

Зарегистрирован: Пн дек 09, 2024 15:42:00
Сообщений: 6
Рейтинг сообщения: 0
u-rex, вот вам схема.

Изображение


Большое спасибо! Изучаю.


Вернуться наверх
 
Показать сообщения за:  Сортировать по:  Вернуться наверх
Начать новую тему Ответить на тему  [ Сообщений: 12 ] 

Часовой пояс: UTC + 3 часа


Кто сейчас на форуме

Сейчас этот форум просматривают: нет зарегистрированных пользователей и гости: 23


Вы не можете начинать темы
Вы не можете отвечать на сообщения
Вы не можете редактировать свои сообщения
Вы не можете удалять свои сообщения
Вы не можете добавлять вложения

Найти:
Перейти:  


Powered by phpBB © 2000, 2002, 2005, 2007 phpBB Group
Русская поддержка phpBB
Extended by Karma MOD © 2007—2012 m157y
Extended by Topic Tags MOD © 2012 m157y