Например TDA7294

Форум РадиоКот • Просмотр темы - Управление одной кнопкой.
Форум РадиоКот
Здесь можно немножко помяукать :)

Текущее время: Пн дек 22, 2025 03:17:52

Часовой пояс: UTC + 3 часа


ПРЯМО СЕЙЧАС:



Начать новую тему Ответить на тему  [ Сообщений: 1053 ]     ... , , , 49, , , ,  
Автор Сообщение
Не в сети
 Заголовок сообщения: Re: Управление одной кнопкой.
СообщениеДобавлено: Ср окт 02, 2019 09:42:01 
Родился

Зарегистрирован: Чт янв 10, 2019 20:02:20
Сообщений: 6
Рейтинг сообщения: 0
Я не знаю как это выглядеть должно , никогда реле не пользовался. Желательно попроще. Кнопки маломощные ,чисто управление никаких многоамперных нагрузок


Вернуться наверх
 
 Заголовок сообщения: Re: Управление одной кнопкой.
СообщениеДобавлено: Чт окт 03, 2019 01:10:28 
доброй ночи ! подскажите пожалуйста вариант реализации такой схемы
кнопки безфиксированые. при нажатии на кнопку "старт" контакт А разрывается ( он до этого был замкнут) .
при нажатии кнопки "стоп" контакт A замыкается. но чтобы он опять разорвался нужно нажать именно кнопку "старт".
повторное нажатие на кнопку "стоп" так и должно оставить контакт замкнутым ,так же как и нажатие "старт" разорваным
смысл всего этого

По Феншую кнопка стоп всегда нормально замкнутая. При нажатии на неё, контакт размыкается. Кнопка старт наоборот – нормально разомкнутая. С помощью чего подаётся питание на двигатель? С помощью реле? Если токи небольшие (контактные группы кнопок достаточны), то реле можно использовать с одной группой контактов. А если подача питания на двигатель необходимо через реле, то реле необходимо использовать с двумя группами контактов.


Вернуться наверх
   
 
Не в сети
 Заголовок сообщения: Re: Управление одной кнопкой.
СообщениеДобавлено: Чт окт 03, 2019 10:45:49 
Друг Кота

Карма: 68
Рейтинг сообщений: 1408
Зарегистрирован: Сб янв 29, 2011 00:28:48
Сообщений: 7774
Рейтинг сообщения: 2
Jdanin, неужели самому трудно гуглу задать подсказанное название схемы ?
Изображение


Вернуться наверх
 
 Заголовок сообщения: Re: Управление одной кнопкой.
СообщениеДобавлено: Чт окт 03, 2019 10:52:16 
Если контакт К1.2 предназначен для управления нагрузкой, то он должен быть нормально разомкнут. А на рисунке он нормально замкнут. :)


Вернуться наверх
   
 
Эиком - электронные компоненты и радиодетали
Не в сети
 Заголовок сообщения: Re: Управление одной кнопкой.
СообщениеДобавлено: Чт окт 03, 2019 11:06:29 
Друг Кота

Карма: 68
Рейтинг сообщений: 1408
Зарегистрирован: Сб янв 29, 2011 00:28:48
Сообщений: 7774
Рейтинг сообщения: 0
А читать автора вопроса ?... :) ...(и вообще, что за мелочность ???...))))_)


Вернуться наверх
 
Не в сети
 Заголовок сообщения: Re: Управление одной кнопкой.
СообщениеДобавлено: Чт окт 10, 2019 07:39:12 
Родился

Зарегистрирован: Чт янв 10, 2019 20:02:20
Сообщений: 6
Рейтинг сообщения: 0
Двигатель управляется с контроллера BLDC, на входе у контроллера стоит платка управления с резистором скорости. Т.е чисто управление, наверно 5в макс. , никаких силовых ключей . За схему спасибо , буду думать . У меня есть 5в "дежурных" ампера 2 , какие реле подойдут ? Могу понизить кренкой еще ниже


Вернуться наверх
 
 Заголовок сообщения: Re: Управление одной кнопкой.
СообщениеДобавлено: Чт окт 10, 2019 13:33:03 
Ниже не надо. Обмотка реле есть на 5В, на 12В, на 24В и тд. Максимальный ток реле не превысит 200 мА. В большинстве случаях ток реле находится в диапазоне 40…70 мА.


Вернуться наверх
   
 
Не в сети
 Заголовок сообщения: Re: Управление одной кнопкой.
СообщениеДобавлено: Чт окт 10, 2019 23:56:05 
Друг Кота
Аватар пользователя

Карма: 127
Рейтинг сообщений: 11154
Зарегистрирован: Ср янв 08, 2014 04:21:09
Сообщений: 32325
Откуда: Москва
Рейтинг сообщения: 0
Сейчас масса реле с катушкой 5В, 100мА коммутирующих ток до 10А, (китайских, делить на 2) при напряжении 250В. Я использую их для включения/выключения усилителей используемых с ноутами. Влючил ноут, включился усилитель, выключил - усилитель выключился. Очень удобно.


Вернуться наверх
 
Не в сети
 Заголовок сообщения: Открытие/закрытие с одной кнопки
СообщениеДобавлено: Вт июн 16, 2020 00:42:41 
Родился

Зарегистрирован: Вт июн 16, 2020 00:35:22
Сообщений: 3
Рейтинг сообщения: 0
Народ, помогите!) нужен контроллер или как правильно. Вообщем идея следующая, нужен принцип сд-рома в компе, чтоб при кратковременном нажатии на нефиксируемую кнопку, моторчик крутился в одну сторону до упора и остановился, а потом при повторном кратковременном нажатии на ту же кнопку, моторчик крутился в обратную сторону до упора и отключился. Работать будет это дело в авто, моторчик от привода сд-рома, сам механизм есть, хотелось бы поставить такую кнопку, концевики поставить не проблема. Заранее всем спасибо!)))


Вернуться наверх
 
Не в сети
 Заголовок сообщения: Re: Управление одной кнопкой.
СообщениеДобавлено: Вт июн 16, 2020 02:17:14 
Друг Кота
Аватар пользователя

Карма: 142
Рейтинг сообщений: 5961
Зарегистрирован: Чт авг 09, 2012 01:09:39
Сообщений: 6642
Откуда: Ливны
Рейтинг сообщения: 3
Если имеется ввиду двигатель загрузки, то можно собрать на 555 таймере и двух концевиках на размыкание. :roll: Со шпиндельным двигателем будет всё гораздо сложнее.

_________________
Большой опыт, порой, не даёт находить/видеть нам простые и очевидные решения. :(
Всегда с уважением, Александр.


Вернуться наверх
 
Не в сети
 Заголовок сообщения: Re: Открытие/закрытие с одной кнопки
СообщениеДобавлено: Вт июн 16, 2020 04:01:41 
Друг Кота
Аватар пользователя

Карма: 197
Рейтинг сообщений: 8593
Зарегистрирован: Пн ноя 30, 2009 03:00:01
Сообщений: 43127
Откуда: Нерезиновая
Рейтинг сообщения: 3
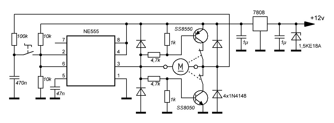
Народ, помогите!) нужен контроллер или как правильно. Вообщем идея следующая, нужен принцип сд-рома в компе, чтоб при кратковременном нажатии на нефиксируемую кнопку, моторчик крутился в одну сторону до упора и остановился, а потом при повторном кратковременном нажатии на ту же кнопку, моторчик крутился в обратную сторону до упора и отключился. моторчик от привода сд-рома, сам механизм есть, хотелось бы поставить такую кнопку, концевики поставить не проблема.
korob писал(а):
Если имеется ввиду двигатель загрузки, то можно собрать на 555 таймере и двух концевиках на размыкание. :roll:

Схема на 555 таймере и реле с двумя группами на переключение:
Изображение
Схема на 555 таймере и Н- мост на транзисторах:
Изображение
Концевики с диодами- когда- то я так ставил их на стеклоподъёмники, чтобы они стёкла не "выламывали".. :))) :)))
Контакты SW1 и SW2 "нормально замкнутые", размыкаются по достижении механизмом "крайнего положения"..
Со шпиндельным двигателем будет всё гораздо сложнее.

Да ладно.. Мне, в современных "дисководах" всё время попадаются коллекторные моторы, такие же, как и на приводе "подставки для кофе".. :))) :)))


Вернуться наверх
 
Не в сети
 Заголовок сообщения: Re: Управление одной кнопкой.
СообщениеДобавлено: Вт июн 16, 2020 12:35:08 
Друг Кота
Аватар пользователя

Карма: 142
Рейтинг сообщений: 5961
Зарегистрирован: Чт авг 09, 2012 01:09:39
Сообщений: 6642
Откуда: Ливны
Рейтинг сообщения: 3
Номинальное напряжение подобных двигателей максимум 5В., а максимальный ток потребления в штатном режиме не превышает 150...180мА. И если принять в расчёт кратковременный режим работы двигателя и достаточную нагрузочную характеристику выхода таймера, то при желании схему можно немного упростить исключив одно плечо моста. :roll: Так же для работы в авто необходимо добавить в питание схемы защиту от высоковольтных выбросов в бортсети.
Исходя из выше сказанного я бы сделал примерно так: :roll:
СпойлерИзображение


АлександрЛ писал(а):
Мне, в современных "дисководах" всё время попадаются коллекторные моторы
Ну я имел ввиду BLDC которые в основном используются в качестве шпиндельных двигателей в CD/DVD-ROM. Коллекторные в качестве шпиндельных используются в основном в CD/DVD плеерах. :roll:


Вложения:
Revers555.JPG [52.28 KiB]
Скачиваний: 2071

_________________
Большой опыт, порой, не даёт находить/видеть нам простые и очевидные решения. :(
Всегда с уважением, Александр.
Вернуться наверх
 
Не в сети
 Заголовок сообщения: Re: Управление одной кнопкой.
СообщениеДобавлено: Вт июн 23, 2020 22:36:49 
Мучитель микросхем
Аватар пользователя

Зарегистрирован: Пт ноя 09, 2018 23:24:27
Сообщений: 418
Откуда: 54° с.ш.
Рейтинг сообщения: 0
Gastra, Яндекс в помощь: "Схема тельфера" А, korob, правильно сказал - 2 концевика. Резюмирую: А уж какой двигун - ... отдельный разговор.

_________________
...а вместо пуповины у меня был шнур от паяльника.


Вернуться наверх
 
Не в сети
 Заголовок сообщения: Re: Управление одной кнопкой.
СообщениеДобавлено: Вт июн 23, 2020 22:52:08 
Друг Кота
Аватар пользователя

Карма: 197
Рейтинг сообщений: 8593
Зарегистрирован: Пн ноя 30, 2009 03:00:01
Сообщений: 43127
Откуда: Нерезиновая
Рейтинг сообщения: 0
СпойлерИзображение

В схеме ошибка- резистор 100 кОм нужно к выходу 555 таймера подключать, а не к транзисторам..
Вообще- работоспособность схемы зависит от мощности моторчика, он должен быть довольно слабеньким.


Вернуться наверх
 
Не в сети
 Заголовок сообщения: Re: Управление одной кнопкой.
СообщениеДобавлено: Ср июн 24, 2020 12:37:36 
Друг Кота
Аватар пользователя

Карма: 142
Рейтинг сообщений: 5961
Зарегистрирован: Чт авг 09, 2012 01:09:39
Сообщений: 6642
Откуда: Ливны
Рейтинг сообщения: 3
АлександрЛ писал(а):
В схеме ошибка- резистор 100 кОм нужно к выходу 555 таймера подключать, а не к транзисторам..
Ошибки нет. :wink: Это сделано умышленно для предотвращения реверса при повторном нажатии кнопки во время хода двигателя (реверс двигателя без предварительной остановки может привести к нежелательным последствиям :( ), т.е. реверс будет возможен только после достижения двигателем любой из крайних точек. :)

АлександрЛ писал(а):
работоспособность схемы зависит от мощности моторчика, он должен быть довольно слабеньким.
Сказано же - двигатель от CD-ROM, т.е. 3,3...5В. х 70...120мА. номинально в штатном режиме.

_________________
Большой опыт, порой, не даёт находить/видеть нам простые и очевидные решения. :(
Всегда с уважением, Александр.


Вернуться наверх
 
Не в сети
 Заголовок сообщения: Re: Ключ, срабатываемый по импульсу
СообщениеДобавлено: Пн дек 06, 2021 00:56:12 
Открыл глаза

Зарегистрирован: Пт янв 01, 2021 19:38:16
Сообщений: 74
Рейтинг сообщения: 0
Была мысль реализовать на бистабильном реле
Вложение:
scheme.png


А если вот так. На скорую руку.
Изображение
Можно изменить полярность. Просто подсказка, от двух кнопок избавится нужно думать. Спать пора


Вернуться наверх
 
Не в сети
 Заголовок сообщения: Re: Управление одной кнопкой.
СообщениеДобавлено: Вс фев 26, 2023 18:02:30 
Поставщик валерьянки для Кота
Аватар пользователя

Карма: 34
Рейтинг сообщений: 819
Зарегистрирован: Вт ноя 01, 2005 17:32:22
Сообщений: 1947
Откуда: Москва
Рейтинг сообщения: 0
Моя реализация выключателя. Конечно нарвусь на упреки по нецелевому использованию контроллера, но он у меня был, мне так удобно. 220 вольт коммутируется симистором, индикация включения-выключения двухцветным светодиодом с общим катодом, аноды подключены к выходам разъема ON и OFF, кнопка к SW и на землю. Работает замечательно. Прошивка прилагается.

Схемка

Изображение

В железе

Изображение Изображение


Вложения:
Кнопка.hex [525 байт]
Скачиваний: 140
Вернуться наверх
 
Не в сети
 Заголовок сообщения: Re: Управление одной кнопкой.
СообщениеДобавлено: Пн июн 19, 2023 19:22:23 
Вымогатель припоя

Зарегистрирован: Пт сен 16, 2011 16:47:12
Сообщений: 547
Рейтинг сообщения: 0
Здравствуйте.
Подскажите простую схему, желательно из деталей которые встречаются на материнских платах ноутбуков и компьютеров. Нужно просто включать и выключать моторчик, реверс не нужон.
Нужно починить триммер, его всунули в 220В вместо 5В, соответственно вся электроника погорела, остался двигатель и батарея 18650. Схему зарядки примастырить не проблема, но вот корпус ковырять, чтобы врезать туда тумблер не хотелось-бы. Вот. :)))


Вернуться наверх
 
Не в сети
 Заголовок сообщения: Re: Управление одной кнопкой.
СообщениеДобавлено: Пн июн 19, 2023 21:20:35 
Мучитель микросхем
Аватар пользователя

Карма: 3
Рейтинг сообщений: 32
Зарегистрирован: Ср апр 25, 2012 22:27:46
Сообщений: 463
Откуда: Донецк
Рейтинг сообщения: 1
Изображение


Вернуться наверх
 
Не в сети
 Заголовок сообщения: Re: Управление одной кнопкой.
СообщениеДобавлено: Пн июн 19, 2023 21:31:51 
Друг Кота
Аватар пользователя

Карма: 197
Рейтинг сообщений: 8593
Зарегистрирован: Пн ноя 30, 2009 03:00:01
Сообщений: 43127
Откуда: Нерезиновая
Рейтинг сообщения: 0
Kep2077 писал(а):
но вот корпус ковырять, чтобы врезать туда тумблер не хотелось-бы. Вот. :)))

А что, проблема подобрать такой ВЫКЛЮЧАТЕЛЬ, который бы не потребовал ковыряния корпуса?
Есть много кнопок с фиксацией, кравишных выключателей итдитп, которые можно легко врезать и они будут нормально выглядеть..
СпойлерИзображение Изображение Изображение

Вот такой- довольно мелкий:
https://www.chipdip.ru/product/smrs-101-1c2
https://static.chipdip.ru/lib/203/DOC001203271.jpg
14х9 мм
Ещё есть кнопки с фиксацией.. :dont_know:


Вернуться наверх
 
Показать сообщения за:  Сортировать по:  Вернуться наверх
Начать новую тему Ответить на тему  [ Сообщений: 1053 ]     ... , , , 49, , , ,  

Часовой пояс: UTC + 3 часа


Кто сейчас на форуме

Сейчас этот форум просматривают: нет зарегистрированных пользователей и гости: 32


Вы не можете начинать темы
Вы не можете отвечать на сообщения
Вы не можете редактировать свои сообщения
Вы не можете удалять свои сообщения
Вы не можете добавлять вложения

Найти:
Перейти:  


Powered by phpBB © 2000, 2002, 2005, 2007 phpBB Group
Русская поддержка phpBB
Extended by Karma MOD © 2007—2012 m157y
Extended by Topic Tags MOD © 2012 m157y