Например TDA7294

Форум РадиоКот • Просмотр темы - Подскажите схемку ключа с задержкой
Форум РадиоКот
Здесь можно немножко помяукать :)

Текущее время: Ср дек 17, 2025 21:28:52

Часовой пояс: UTC + 3 часа


ПРЯМО СЕЙЧАС:



Начать новую тему Ответить на тему  [ Сообщений: 693 ]    , , 3, , , ...  
Автор Сообщение
Не в сети
 Заголовок сообщения: Re: Подскажите схемку ключа с задержкой включения
СообщениеДобавлено: Пн авг 23, 2010 09:09:17 
Друг Кота
Аватар пользователя

Карма: 44
Рейтинг сообщений: 601
Зарегистрирован: Вс мар 04, 2007 11:39:00
Сообщений: 4469
Откуда: Ukraine, Kyiv
Рейтинг сообщения: 0
Первая мысль - конденсатор, формирующий задержку на 4-м выводе потерял емкость/обрыв. Попробуйте заменить на другой и отпишитесь, что будет.

_________________
Выслушай и противную сторону, даже если она и противна


Вернуться наверх
 
Не в сети
 Заголовок сообщения: Re: Подскажите схемку ключа с задержкой включения
СообщениеДобавлено: Пн авг 23, 2010 10:14:16 
Друг Кота
Аватар пользователя

Карма: 31
Рейтинг сообщений: 129
Зарегистрирован: Вт мар 02, 2010 17:05:19
Сообщений: 4446
Откуда: Белоруссия, Минск
Рейтинг сообщения: 0
Изображение

_________________
Всё можно наладить,если вертеть в руках достаточно долго!


Вернуться наверх
 
Не в сети
 Заголовок сообщения: Re: Подскажите схемку ключа с задержкой включения
СообщениеДобавлено: Пн авг 23, 2010 21:28:05 
Друг Кота
Аватар пользователя

Карма: 43
Рейтинг сообщений: 167
Зарегистрирован: Вс янв 25, 2009 21:16:04
Сообщений: 35639
Откуда: Москва
Рейтинг сообщения: 0
ublhjnt Вашу схемку можно упростить: схема сброса счетчика на нуль - просто RC цепь(только С на +, а резистор на массу и убрать инвертор); схема "Или" на выходах - просто диоды, нагруженные на резистор(это проще, чем микру использовать) и конденсатор в генераторе = 1 мкф(0,1 = слишком маловата емкость). Достаточно стабильный генератор элементарно делается на мигающем светодиоде(2 Гц). А так всё верно.

_________________
А поболтать?


Вернуться наверх
 
Не в сети
 Заголовок сообщения: Re: Подскажите схемку ключа с задержкой включения
СообщениеДобавлено: Пн авг 30, 2010 13:36:38 
Друг Кота
Аватар пользователя

Карма: 31
Рейтинг сообщений: 129
Зарегистрирован: Вт мар 02, 2010 17:05:19
Сообщений: 4446
Откуда: Белоруссия, Минск
Рейтинг сообщения: 0
Цитата:
Вашу схемку можно упростить:

Конечно можно. Схема - это информация к размышлению, тем более что у каждого своя схемотехника.
Я стараюсь избегать, по возможности, навесных элементов в цифровой схемотехнике. Не применять больших емкостей во времязадающих цепях, формировать входные сигналы по фронту ну и т.д.

_________________
Всё можно наладить,если вертеть в руках достаточно долго!


Вернуться наверх
 
Эиком - электронные компоненты и радиодетали
Не в сети
 Заголовок сообщения: Re: Подскажите схемку ключа с задержкой включения
СообщениеДобавлено: Вт авг 31, 2010 11:09:02 
Первый раз сказал Мяу!

Зарегистрирован: Пн июн 21, 2010 11:54:22
Сообщений: 25
Рейтинг сообщения: 0
Доброго всем дня!

Ну вот, вчера вертел долго в руках спаянную схемку, предложенную уважаемым falconistом. Всё ещё раз перепроверил - номиналы резисторов, конденсаторов, поставил на 4-й вывод аж 220 мкф (проверил его омметром, заряжается- разряжается как и должен) ... безрезультатно, нет задержки и всё тут. В качестве таймера использую NE555, поначалу грешил на слишком низкое напряжение питания (сначала было 4,5 В), но затем подал 7,5 вольта, ничего не изменилось. А ведь по всей логике должна работать такая схема! Проследил что и как происходит - всё логично, да и в симуляторе замечательно работает...

Может конденсатор на 4 выводе не успевает разрядиться? Ещё вот собирался попробовать на досуге поставить TLC555 вместо NE555, может в микросхеме что-то не так...


Вернуться наверх
 
Не в сети
 Заголовок сообщения: Re: Подскажите схемку ключа с задержкой включения
СообщениеДобавлено: Вт авг 31, 2010 13:25:46 
Друг Кота
Аватар пользователя

Карма: 44
Рейтинг сообщений: 601
Зарегистрирован: Вс мар 04, 2007 11:39:00
Сообщений: 4469
Откуда: Ukraine, Kyiv
Рейтинг сообщения: 0
Уважаемый Доктор Борменталь, наличествуют ли: а) разрядный диод параллельно времязадающему резистору на 4-й вывод, катодом к питанию; б) резистор порядка 1...2 кОм, шунтирующий питание и общий минус?

_________________
Выслушай и противную сторону, даже если она и противна


Вернуться наверх
 
Не в сети
 Заголовок сообщения: Re: Подскажите схемку ключа с задержкой включения
СообщениеДобавлено: Вт авг 31, 2010 15:50:16 
Первый раз сказал Мяу!

Зарегистрирован: Пн июн 21, 2010 11:54:22
Сообщений: 25
Рейтинг сообщения: 0
Да, конечно, VD1 присутствует и подключен верно (проверено) и согласно схеме. Резистор, шунтирующий питание, как я понимаю R1, (только он 10 кОм на схеме) присутствует.


Вернуться наверх
 
Не в сети
 Заголовок сообщения: Re: Подскажите схемку ключа с задержкой включения
СообщениеДобавлено: Вт авг 31, 2010 19:02:26 
Друг Кота
Аватар пользователя

Карма: 44
Рейтинг сообщений: 601
Зарегистрирован: Вс мар 04, 2007 11:39:00
Сообщений: 4469
Откуда: Ukraine, Kyiv
Рейтинг сообщения: 0
Хм... Сяду, спаяю сам, проверю, отпишусь.

_________________
Выслушай и противную сторону, даже если она и противна


Вернуться наверх
 
Не в сети
 Заголовок сообщения: Re: Подскажите схемку ключа с задержкой включения
СообщениеДобавлено: Ср сен 01, 2010 11:13:12 
Первый раз сказал Мяу!

Зарегистрирован: Пн июн 21, 2010 11:54:22
Сообщений: 25
Рейтинг сообщения: 0
Спасибо за проявленный интерес! По правде, не хотелось бы отнимать время у занятого человека... особенно если дело в моей косорукости :?


Вернуться наверх
 
Не в сети
 Заголовок сообщения: Re: Подскажите схемку ключа с задержкой включения
СообщениеДобавлено: Ср сен 01, 2010 18:42:49 
Друг Кота
Аватар пользователя

Карма: 44
Рейтинг сообщений: 601
Зарегистрирован: Вс мар 04, 2007 11:39:00
Сообщений: 4469
Откуда: Ukraine, Kyiv
Рейтинг сообщения: 0
Уважаемый Доктор Борменталь, к своему глубокому сожалению и стыду :oops: должеен признать, что "в железе" схема действительно не работает. Пробовал на КР1006ВИ1. Передний фронт сильно затянут, а задержки как таковой нет. Это у меня уже второй случай несовпадения результатов симулирования (пользуюсь Мультисимом) с реальностью. Первый - генератор на D-триггере К155ТМ2.

А всё потому, что сам же и нарушил самолично сформулированный Второй Закон Схемотехники: "Каждый узел должне выполнять только одну функцию". По-видимому, придется всё-таки ставить два таймера: первыё формирует задержку, а второй - сам импульс. Или воспользоваться схемой на цифровой логике (в одном из предыдущих постов).

Ещё раз извините за то, что подвёл...

_________________
Выслушай и противную сторону, даже если она и противна


Вернуться наверх
 
Не в сети
 Заголовок сообщения: Re: Подскажите схемку ключа с задержкой включения
СообщениеДобавлено: Ср сен 01, 2010 21:41:38 
Потрогал лапой паяльник
Аватар пользователя

Зарегистрирован: Чт июл 22, 2010 10:12:09
Сообщений: 371
Рейтинг сообщения: 0
Изображение


Вернуться наверх
 
Не в сети
 Заголовок сообщения: Re: Подскажите схемку ключа с задержкой включения
СообщениеДобавлено: Ср сен 01, 2010 22:26:59 
Первый раз сказал Мяу!

Зарегистрирован: Пн июн 21, 2010 11:54:22
Сообщений: 25
Рейтинг сообщения: 0
Уважаемый falconist, во-первых, спасибо Вам за идеи и потраченное время!

Видимо не судьба построить такую схемку на минимальном количестве железа :) Странно ведь, в мультисиме работает так красиво! А в железе не работает, потому что оно, это железо, неидеально (в мультисиме использовал т.н. 555 Ideal Timer). Тут, конечно, и моя немалая доля вины - я изначально предложил использовать один 555, задействовав его "по полной программе". Как говорится, и на ёлку влезть, и попу не ободрать :)

Тогда переходим к "плану Б". Всё равно что-нибудь придумаем, по возможность простенькое! А то становится прохладно, а полотенцесушитель не запускается :)

Мне показался перспективным Ваш вариант на CD4098, то есть два ждущих мультивибратора, сначала стартует первый, затем задним фронтом запускает второй, так кажется... Собирался проверить схему на мультисиме, но в нём не нашёл CD4098. Вы не знаете случаем, можно ли где-то пополнить библиотеку элементов мультисима? А то без симуляции как-то боязно паять...

Пойду я пока почитаю подробнее теорию о мультивибраторах...


Вернуться наверх
 
Не в сети
 Заголовок сообщения: Re: Подскажите схемку ключа с задержкой включения
СообщениеДобавлено: Чт сен 02, 2010 00:05:45 
Друг Кота
Аватар пользователя

Карма: 43
Рейтинг сообщений: 167
Зарегистрирован: Вс янв 25, 2009 21:16:04
Сообщений: 35639
Откуда: Москва
Рейтинг сообщения: 0
Jemchug писал(а):
а можно и еще проще. Конденсатор на входе порядка десятков микрофарад.

http://www.gelezo.com/ttl_kmop/640000/6 ... ulsov.html
Рис. 1.22


Изображение

А эта схеме чем не понравилась? Проста как молоток и надежна. Всего одна микросхема(широкораспрастраненная)

_________________
А поболтать?


Вернуться наверх
 
Не в сети
 Заголовок сообщения: Re: Подскажите схемку ключа с задержкой включения
СообщениеДобавлено: Чт сен 02, 2010 09:14:33 
Друг Кота
Аватар пользователя

Карма: 44
Рейтинг сообщений: 601
Зарегистрирован: Вс мар 04, 2007 11:39:00
Сообщений: 4469
Откуда: Ukraine, Kyiv
Рейтинг сообщения: 0
Уважаемый Доктор Борменталь, к сожалению, в моделях нет мультивибраторов ни для одной серии. Видимо, совместное моделирование цифровых и аналоговых свойств оказалось слишком сложным. Наверное, поэтому и таймер работает некорректно, и генераторы на логических элементах. Что касается затрат времени - меня самого зацепило. Надо же было разобраться самому, что за бяка.

В теме были предложены 3 или 4 нормальные работоспособные схемы. Вопрос упирается только в цену и "доставабельность" компонентов. Чем высунувши язык искать какую-нибудь экзотику, может быть проще поставить второй корпус таймера и закрыть вопрос.

Вечерком я еще поиграюсь со своей топологией и отпишусь.

_________________
Выслушай и противную сторону, даже если она и противна


Вернуться наверх
 
Не в сети
 Заголовок сообщения: Re: Подскажите схемку ключа с задержкой включения
СообщениеДобавлено: Чт сен 02, 2010 11:39:29 
Первый раз сказал Мяу!

Зарегистрирован: Пн июн 21, 2010 11:54:22
Сообщений: 25
Рейтинг сообщения: 0
Доброго времени суток, уважаемые коты! :)

Схема на CD4011 понравилась, даже очень, просто сначала решил с таймером разобраться. Можно, конечно, и такую попробовать сделать, только есть один нюанс - на выходе импульс в виде "провала", а мне надо в виде "горба" :dont_know: чтобы к нему напрямую оптрон прикрутить вместо КТ361. Там что, какой-то инвертор нужен дополнительно?

Второй корпус таймера - это, конечно, стандартное решение, но не хочется две микросхемы ставить. Вобще основные критерии в моём случае это - минимум компонентов (мало места в блоке), по возможности меньше потребляемый ток (питание там маломощное), надёжное срабатывание и импортные аналоги микросхем (нет возможности найти российские).

По идее должна работать схема на CD4098, где два ЖМ, тоже стандартное решение вроде, как Вы считаете?


Вернуться наверх
 
Не в сети
 Заголовок сообщения: Re: Подскажите схемку ключа с задержкой включения
СообщениеДобавлено: Чт сен 02, 2010 12:11:16 
Мудрый кот
Аватар пользователя

Карма: 19
Рейтинг сообщений: 166
Зарегистрирован: Сб окт 10, 2009 17:16:58
Сообщений: 1732
Откуда: Россия.
Рейтинг сообщения: 0
Доктор Борменталь писал(а):
По идее должна работать схема на CD4098, где два ЖМ, тоже стандартное решение вроде, как Вы считаете?
Это был один из вариантов, а если есть возможность, то делать лучше на готовых одновибратора.
Вот берем оттуда же рис. 278 и все.

http://www.gelezo.com/ttl_kmop/620000/6 ... atori.html

Там в одном корпусе их два. Зарубежный аналог 561АГ1 (1561АГ1) можно гуглом посмотреть.
На выходе можем взять импульс любой полярности. Там парафазные выходы.

Изображение


Вложения:
1.JPG [17.96 KiB]
Скачиваний: 9859
Вернуться наверх
 
Не в сети
 Заголовок сообщения: Re: Подскажите схемку ключа с задержкой включения
СообщениеДобавлено: Чт сен 02, 2010 12:25:53 
Друг Кота
Аватар пользователя

Карма: 44
Рейтинг сообщений: 601
Зарегистрирован: Вс мар 04, 2007 11:39:00
Сообщений: 4469
Откуда: Ukraine, Kyiv
Рейтинг сообщения: 0
Вот еще один вариант такого таймера. CD4060 представляет собой 13-разрядный счетчик со встроенным задающим генератором. Срисовано с платы таймера задержки выключения бытового вентилятора "Домовент-100С", с небольшой переделкой: диоды VD2 и VD3 выделяют 4-й импульс (по И), т.е., первые 3 пропускаются. Правда, выход инверсный, но транзистор можно нагружать прямо на реле. Лучше, если он будет Дарлингтона, т.к. выходы КМОП-серии всё-таки маломощные. Тогда номинал резистора R5 может составлять 22...47 кОм. Конденсатор С2 формирует начальный сброс в 0 при подаче питания. Емкость С1 нужно подбирать. Прикидочно - сотни пф. После окончания формирования выходного импульса "единица" с выхода следующего разряда через диод VD1 "затыкает" встроенный генератор и он ждет следующего обнуления.

Шину питания и общий минус желательно тоже зашунтировать резистором где-то 10 кОм для разряда конденсатора С1.


Вложения:
Таймер-10.GIF [7.71 KiB]
Скачиваний: 2137

_________________
Выслушай и противную сторону, даже если она и противна
Вернуться наверх
 
Не в сети
 Заголовок сообщения: Re: Подскажите схемку ключа с задержкой включения
СообщениеДобавлено: Чт сен 02, 2010 13:07:05 
Друг Кота
Аватар пользователя

Карма: 31
Рейтинг сообщений: 129
Зарегистрирован: Вт мар 02, 2010 17:05:19
Сообщений: 4446
Откуда: Белоруссия, Минск
Рейтинг сообщения: 0
Цитата:
А эта схеме чем не понравилась? Проста как молоток и надежна. Всего одна микросхема(широкораспрастраненная)

Схема проста, но не надежная. Вообще ждущие мультивибраторы нестабильны. В любительской схемотехнике можно применять, а при проектировании систем автоматики и др. лучше избегать применения ЖМ. На 155 серии происходили ложные срабатывания.

_________________
Всё можно наладить,если вертеть в руках достаточно долго!


Вернуться наверх
 
Не в сети
 Заголовок сообщения: Re: Подскажите схемку ключа с задержкой включения
СообщениеДобавлено: Чт сен 02, 2010 18:10:51 
Первый раз сказал Мяу!

Зарегистрирован: Пн июн 21, 2010 11:54:22
Сообщений: 25
Рейтинг сообщения: 0
Уважаемые коты! :)

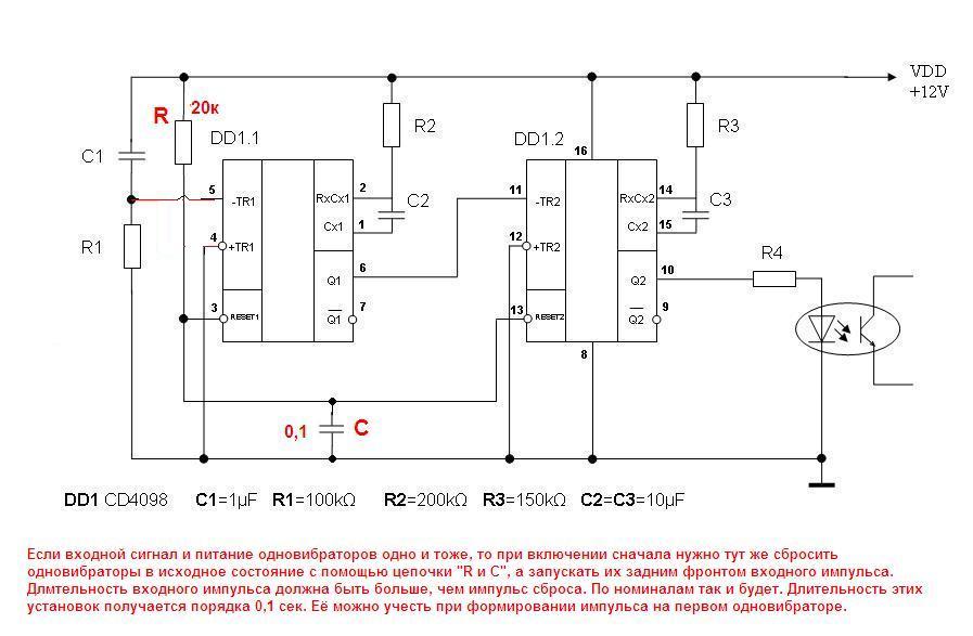
Посмотрите, пожалуйста, приаттаченную схему на CD4098. Как считаете, жизнеспособен ли такой вариант? Может я там напутал что в соединениях или в номиналах, так поправьте, пожалуйста.


Вложения:
4098.JPG [38.43 KiB]
Скачиваний: 1759
Вернуться наверх
 
Не в сети
 Заголовок сообщения: Re: Подскажите схемку ключа с задержкой включения
СообщениеДобавлено: Чт сен 02, 2010 18:44:47 
Мудрый кот
Аватар пользователя

Карма: 19
Рейтинг сообщений: 166
Зарегистрирован: Сб окт 10, 2009 17:16:58
Сообщений: 1732
Откуда: Россия.
Рейтинг сообщения: 0
Номиналы особо не проверял, но кое чего изменил.
Сначала считал, что питание с микросхем не снимается, а входной сигнал сам по себе, а если у Вас напряжение одно и то же, то нужно исключить ложное срабатывание одновибраторов.
При включении они примерно за 1 мсек устанавливаются в исходное состояние, через 0,1 сек идет запуск и дальше как выше писал.


Вложения:
1.JPG [65.63 KiB]
Скачиваний: 1716
Вернуться наверх
 
Показать сообщения за:  Сортировать по:  Вернуться наверх
Начать новую тему Ответить на тему  [ Сообщений: 693 ]    , , 3, , , ...  

Часовой пояс: UTC + 3 часа


Кто сейчас на форуме

Сейчас этот форум просматривают: нет зарегистрированных пользователей и гости: 43


Вы не можете начинать темы
Вы не можете отвечать на сообщения
Вы не можете редактировать свои сообщения
Вы не можете удалять свои сообщения
Вы не можете добавлять вложения

Найти:
Перейти:  


Powered by phpBB © 2000, 2002, 2005, 2007 phpBB Group
Русская поддержка phpBB
Extended by Karma MOD © 2007—2012 m157y
Extended by Topic Tags MOD © 2012 m157y