Например TDA7294

Форум РадиоКот • Просмотр темы - Вторичные часы - на батарейке.
Форум РадиоКот
Здесь можно немножко помяукать :)

Текущее время: Пн дек 22, 2025 18:00:01

Часовой пояс: UTC + 3 часа


ПРЯМО СЕЙЧАС:



Начать новую тему Ответить на тему  [ Сообщений: 138 ]    , 2, , , ...  
Автор Сообщение
Не в сети
 Заголовок сообщения: Re: Вторичные часы - на батарейке.
СообщениеДобавлено: Вт авг 06, 2019 08:51:35 
Друг Кота

Карма: 64
Рейтинг сообщений: 1020
Зарегистрирован: Пт мар 07, 2008 06:54:43
Сообщений: 4369
Откуда: Ижевск
Рейтинг сообщения: 0
Вроде в ардуино стоит кварц 16МГц. Вполне достаточно для часов. По мне, сначала нужно запустить двигатель, чтобы логика работала нормально, чтобы стрелка останавливалась там, где нужно.


Вернуться наверх
 
Не в сети
 Заголовок сообщения: Re: Вторичные часы - на батарейке.
СообщениеДобавлено: Вт авг 06, 2019 09:45:41 
Родился

Зарегистрирован: Вт мар 15, 2011 16:11:07
Сообщений: 12
Рейтинг сообщения: 0
Хорошо.


Вернуться наверх
 
Не в сети
 Заголовок сообщения: Re: Вторичные часы - на батарейке.
СообщениеДобавлено: Вт авг 06, 2019 12:41:39 
Прорезались зубы
Аватар пользователя

Карма: 4
Рейтинг сообщений: 23
Зарегистрирован: Пт апр 12, 2013 20:56:49
Сообщений: 214
Откуда: М.О. Запад
Рейтинг сообщения: 0
https://radiokot.ru/forum/viewtopic.php?p=3675598#p3675598
tele13 Мне проще отвечать с этой теме.
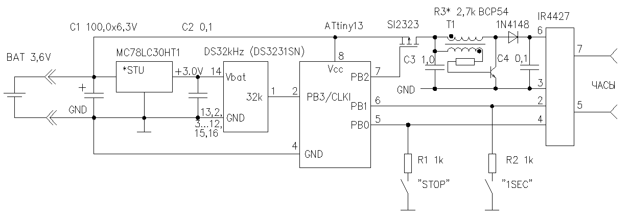
Схема на базе модуля ZS-042, исходник и hex.
Вложение:
CLOCK_SECOND_tn13.rar
ATtiny13 ставится на место AT24C02, 7 лапа освобождается от общего. FUSE-биты CKSEL1,0 00 CKDIV8 1


Спасибо большое за обязательность!!!
Я правильно понимаю, что остальные фьюзы по умолчанию,
И кнопочку ускоренной установки (1гц) неплохо бы ввести :))
Спасибо!


Последний раз редактировалось tele13 Вт авг 06, 2019 13:21:11, всего редактировалось 1 раз.

Вернуться наверх
 
Не в сети
 Заголовок сообщения: Re: Вторичные часы - на батарейке.
СообщениеДобавлено: Вт авг 06, 2019 13:09:58 
Друг Кота
Аватар пользователя

Карма: 123
Рейтинг сообщений: 7959
Зарегистрирован: Сб сен 13, 2014 16:27:32
Сообщений: 39199
Откуда: СпиртоГонск созвездия Омега
Рейтинг сообщения: 0
я так понял что изначално там rtc и не пахло...
вобше городить такое естествено не всегда есть смысла

_________________
ZМудрость(Опыт и выдержка) приходит с годами.
Все Ваши беды и проблемы, от недостатка знаний.
Умный и у дурака научится, а дураку и ..
Алберт Ейнштейн не поможет и ВВП не спасет.и МЧС опаздает


Вернуться наверх
 
Эиком - электронные компоненты и радиодетали
Не в сети
 Заголовок сообщения: Re: Вторичные часы - на батарейке.
СообщениеДобавлено: Вт авг 06, 2019 13:22:20 
Прорезались зубы
Аватар пользователя

Карма: 4
Рейтинг сообщений: 23
Зарегистрирован: Пт апр 12, 2013 20:56:49
Сообщений: 214
Откуда: М.О. Запад
Рейтинг сообщения: 0
Там только генератор, ни а каком RTC нет и речи (да и не надо по определению)


Вернуться наверх
 
Не в сети
 Заголовок сообщения: Re: Вторичные часы - на батарейке.
СообщениеДобавлено: Ср авг 07, 2019 04:26:21 
Друг Кота

Карма: 64
Рейтинг сообщений: 1020
Зарегистрирован: Пт мар 07, 2008 06:54:43
Сообщений: 4369
Откуда: Ижевск
Рейтинг сообщения: 0
...Я правильно понимаю, что остальные фьюзы по умолчанию,
И кнопочку ускоренной установки (1гц) неплохо бы ввести...
FUSE-биты должны быть
Fuse High Byte FFh
Fuse Low Byte 78h
Вторичные часы, виденные мной, имеют ручную крутилку, поэтому режим ускоренного хода я убрал. Хотя, в самых первых часах он был предусмотрен. Но оказалось проще переместить стрелки именно этой крутилкой, чем кнопкой. А вот кнопка СТОП нужна, т.к. позволяет синхронизировать часы по точному времени.


Вернуться наверх
 
Не в сети
 Заголовок сообщения: Re: Вторичные часы - на батарейке.
СообщениеДобавлено: Ср авг 07, 2019 08:59:25 
Прорезались зубы
Аватар пользователя

Карма: 4
Рейтинг сообщений: 23
Зарегистрирован: Пт апр 12, 2013 20:56:49
Сообщений: 214
Откуда: М.О. Запад
Рейтинг сообщения: 0
...Я правильно понимаю, что остальные фьюзы по умолчанию,
И кнопочку ускоренной установки (1гц) неплохо бы ввести...
FUSE-биты должны быть
Fuse High Byte FFh
Fuse Low Byte 78h
Вторичные часы, виденные мной, имеют ручную крутилку, поэтому режим ускоренного хода я убрал. Хотя, в самых первых часах он был предусмотрен. Но оказалось проще переместить стрелки именно этой крутилкой, чем кнопкой. А вот кнопка СТОП нужна, т.к. позволяет синхронизировать часы по точному времени.


Спасибо за исчерпывающий ответ!!!
По поводу «ускоренной кнопки» - крутилка есть, только она недоступна ввиду того, что часы будут установлены в закрытом пульте, соб-но вопрос в этом. А насчет кнопки «Стоп» полностью согласен.


Вернуться наверх
 
Не в сети
 Заголовок сообщения: Re: Вторичные часы - на батарейке.
СообщениеДобавлено: Ср авг 07, 2019 09:09:54 
Друг Кота
Аватар пользователя

Карма: 123
Рейтинг сообщений: 7959
Зарегистрирован: Сб сен 13, 2014 16:27:32
Сообщений: 39199
Откуда: СпиртоГонск созвездия Омега
Рейтинг сообщения: 0
крутилка там где есь ПРЕДНАЗНАЧЕНА для началной установки ВСЕХ 2х часоф на 12-00(там где нету стрелками) точно перед запуском СРАЗУ всей сети вторичных часоф!!!
исползовать ее для подстройки хода нелзя пеед этим на часы должен быть подан положителный импулс соблюдени полярности в сети 2х часоф обязателно иначе имем ошибку на 1минуту
при повреждени сети или бэкаппитания или сбое 1чных подстройка делается или кнопкой реверса или подачей секундных импулсоф вместо минутных по доролнителному проводу от 1 часоф в ваашем случае часы 1и 2 в обшем корпусе и проше

_________________
ZМудрость(Опыт и выдержка) приходит с годами.
Все Ваши беды и проблемы, от недостатка знаний.
Умный и у дурака научится, а дураку и ..
Алберт Ейнштейн не поможет и ВВП не спасет.и МЧС опаздает


Вернуться наверх
 
Не в сети
 Заголовок сообщения: Re: Вторичные часы - на батарейке.
СообщениеДобавлено: Ср авг 07, 2019 10:35:09 
Прорезались зубы
Аватар пользователя

Карма: 4
Рейтинг сообщений: 23
Зарегистрирован: Пт апр 12, 2013 20:56:49
Сообщений: 214
Откуда: М.О. Запад
Рейтинг сообщения: 0
Настоятельно рекомендую либо поменять , либо обслужить клавиатуру - клавиши западают, особенно буква «Ф» :kill:


Вернуться наверх
 
Не в сети
 Заголовок сообщения: Re: Вторичные часы - на батарейке.
СообщениеДобавлено: Ср авг 07, 2019 12:42:07 
Друг Кота

Карма: 64
Рейтинг сообщений: 1020
Зарегистрирован: Пт мар 07, 2008 06:54:43
Сообщений: 4369
Откуда: Ижевск
Рейтинг сообщения: 0
Сегодня установил tiny13A на модуль ZS-042. Подключение программатора было довольно сложное. Больно все мелкое. В целом программа работает. Выдает 1 минуту.
Пока жду DS32kHz, беру паузу. Попробую ввести кнопки "СТОП" и "1 сек".


Вернуться наверх
 
Не в сети
 Заголовок сообщения: Re: Вторичные часы - на батарейке.
СообщениеДобавлено: Ср авг 07, 2019 13:59:42 
Прорезались зубы
Аватар пользователя

Карма: 4
Рейтинг сообщений: 23
Зарегистрирован: Пт апр 12, 2013 20:56:49
Сообщений: 214
Откуда: М.О. Запад
Рейтинг сообщения: 0
Сегодня установил tiny13A на модуль ZS-042. Подключение программатора было довольно сложное. Больно все мелкое. В целом программа работает. Выдает 1 минуту.
Пока жду DS32kHz, беру паузу. Попробую ввести кнопки "СТОП" и "1 сек".


Приближаемся к законченному устройству ! :beer:


Вернуться наверх
 
Не в сети
 Заголовок сообщения: Re: Вторичные часы - на батарейке.
СообщениеДобавлено: Ср авг 14, 2019 11:46:04 
Прорезались зубы
Аватар пользователя

Карма: 4
Рейтинг сообщений: 23
Зарегистрирован: Пт апр 12, 2013 20:56:49
Сообщений: 214
Откуда: М.О. Запад
Рейтинг сообщения: 0
...... Попробую ввести кнопки "СТОП" и "1 сек".


Попробовали ввести ? :))


Вернуться наверх
 
Не в сети
 Заголовок сообщения: Re: Вторичные часы - на батарейке.
СообщениеДобавлено: Чт авг 15, 2019 05:25:39 
Друг Кота

Карма: 64
Рейтинг сообщений: 1020
Зарегистрирован: Пт мар 07, 2008 06:54:43
Сообщений: 4369
Откуда: Ижевск
Рейтинг сообщения: 0
Получил, наконец-то, DS32kHz. Подключил по схеме ниже. Неплохо, очень неплохо! После получасового вхождения в режим период 30,51756мкс, что в пересчете дает частоту 32'768,019Гц. При этом ток потребления ~2мкА.
СпойлерИзображение

16.08.2019 Занес в программу полученное значение частоты и вывел короткий положительный импульс 1 минута на PB4 (3 лапа). На выходе 59'999'991,7µs. Ток потребления ~12мкА при напряжении 3,0V.


Вложения:
CLOCK_SECOND_TN13_DS32KHZ.PNG [26.27 KiB]
Скачиваний: 898


Последний раз редактировалось akl Пт авг 16, 2019 04:19:31, всего редактировалось 1 раз.
Вернуться наверх
 
Не в сети
 Заголовок сообщения: Re: Вторичные часы - на батарейке.
СообщениеДобавлено: Чт авг 15, 2019 06:48:46 
Прорезались зубы
Аватар пользователя

Карма: 4
Рейтинг сообщений: 23
Зарегистрирован: Пт апр 12, 2013 20:56:49
Сообщений: 214
Откуда: М.О. Запад
Рейтинг сообщения: 0
Получил, наконец-то, DS32kHz. Подключил по схеме ниже. Неплохо, очень неплохо! После получасового вхождения в режим период 30,51756мкс, что в пересчете дает частоту 32'768,019Гц. При этом ток потребления ~2мкА.
СпойлерИзображение


Впечатлило! Лаконичный проект получается! Мои поздравления!


Вернуться наверх
 
Не в сети
 Заголовок сообщения: Re: Вторичные часы - на батарейке.
СообщениеДобавлено: Ср сен 04, 2019 04:32:44 
Опытный кот

Карма: 6
Рейтинг сообщений: 11
Зарегистрирован: Пн дек 29, 2014 11:48:22
Сообщений: 811
Рейтинг сообщения: 0
Медали: 1
Получил миской по аватаре (1)
Проект действительно прекрасный. Я спросил в другой теме у автора, можно ли его повторить (прошивку получить) - но пока молчание. Может, здесь он ответит.


Вернуться наверх
 
Не в сети
 Заголовок сообщения: Re: Вторичные часы - на батарейке.
СообщениеДобавлено: Сб сен 07, 2019 18:35:48 
Прорезались зубы
Аватар пользователя

Карма: 4
Рейтинг сообщений: 23
Зарегистрирован: Пт апр 12, 2013 20:56:49
Сообщений: 214
Откуда: М.О. Запад
Рейтинг сообщения: 0
Проект действительно прекрасный. Я спросил в другой теме у автора, можно ли его повторить (прошивку получить) - но пока молчание. Может, здесь он ответит.

А чем не устраивает прошивка, схема и исходник(!), выложенная автором двумя постами выше ?


Вернуться наверх
 
Не в сети
 Заголовок сообщения: Re: Вторичные часы - на батарейке.
СообщениеДобавлено: Пн сен 09, 2019 10:00:24 
Друг Кота

Карма: 64
Рейтинг сообщений: 1020
Зарегистрирован: Пт мар 07, 2008 06:54:43
Сообщений: 4369
Откуда: Ижевск
Рейтинг сообщения: 0
Пока нет экземпляра часов, развлекаюсь с DS32kHz+ATtiny2313A по схеме ниже.
Ток потребления <9мкА. Мне такая модификация более удобна наличием печатной платы.
СпойлерИзображение

Правда, не совсем нравится период коррекции по температуре 64 секунды, поэтому подумываю о ATtiny25 или ATmega48 с встроенным температурным сенсором. Можно будет корректировать частоту синхронно.


Вложения:
CLOCK_SECOND_2313.zip [24.95 KiB]
Скачиваний: 238
CLOCK_SECOND_TN2313_DS32KHZ.PNG [25.54 KiB]
Скачиваний: 828


Последний раз редактировалось akl Пн сен 09, 2019 10:48:19, всего редактировалось 2 раз(а).
Вернуться наверх
 
Не в сети
 Заголовок сообщения: Re: Вторичные часы - на батарейке.
СообщениеДобавлено: Пн сен 09, 2019 10:18:25 
Держит паяльник хвостом

Карма: 16
Рейтинг сообщений: 136
Зарегистрирован: Сб мар 07, 2015 20:48:22
Сообщений: 902
Откуда: Московская область
Рейтинг сообщения: 0
DS32kHz напрямую от аккумулятора сильно будет врать? Стабилизатор выкинуть.


Вернуться наверх
 
Не в сети
 Заголовок сообщения: Re: Вторичные часы - на батарейке.
СообщениеДобавлено: Вт сен 10, 2019 10:26:58 
Друг Кота

Карма: 64
Рейтинг сообщений: 1020
Зарегистрирован: Пт мар 07, 2008 06:54:43
Сообщений: 4369
Откуда: Ижевск
Рейтинг сообщения: 0
Если устраивает зависимость частоты от питания из DS
СпойлерИзображение
стабилизатор не нужен. Я поставил.


Вложения:
ds32kHz_deltaf_F.PNG [13.55 KiB]
Скачиваний: 696
Вернуться наверх
 
Не в сети
 Заголовок сообщения: Re: Вторичные часы - на батарейке.
СообщениеДобавлено: Пт сен 20, 2019 18:09:04 
Опытный кот

Карма: 6
Рейтинг сообщений: 11
Зарегистрирован: Пн дек 29, 2014 11:48:22
Сообщений: 811
Рейтинг сообщения: 0
Медали: 1
Получил миской по аватаре (1)
Люди, выручайте. Купил стабилизатор MC78LC33NTRG и хотел подключить через него DS3232N. Подключил пока только вход у него, для чего напаял на платку и в макетку вставил.
Подал 5В на ногу 2 (питание) относительно 1 (зеиля). рррраз - ток стал 1 - значит, сгорела микруха.
Перепаял вторую, подключил уже емкости 0,1 и 1500 мкф по входу. Подал 9В с кроны.
Ток потребления не мерял, но на входе напряжение вместо 9В стало 1,6В. Тоже крякнула что ли?

Брал в Чипе и Дипе, не должны же там брак продавать.

Или я что-то не так делаю? вроде это не DC-DC, чтобы ёмкость проводов играла такую роль.


Вложения:
20190920_231934.jpg [191.66 KiB]
Скачиваний: 478
Вернуться наверх
 
Показать сообщения за:  Сортировать по:  Вернуться наверх
Начать новую тему Ответить на тему  [ Сообщений: 138 ]    , 2, , , ...  

Часовой пояс: UTC + 3 часа


Кто сейчас на форуме

Сейчас этот форум просматривают: нет зарегистрированных пользователей и гости: 30


Вы не можете начинать темы
Вы не можете отвечать на сообщения
Вы не можете редактировать свои сообщения
Вы не можете удалять свои сообщения
Вы не можете добавлять вложения

Найти:
Перейти:  


Powered by phpBB © 2000, 2002, 2005, 2007 phpBB Group
Русская поддержка phpBB
Extended by Karma MOD © 2007—2012 m157y
Extended by Topic Tags MOD © 2012 m157y