Например TDA7294

Форум РадиоКот • Просмотр темы - Применение Декатрона А101 -крутилка и прочее...
Форум РадиоКот
Здесь можно немножко помяукать :)

Текущее время: Ср дек 31, 2025 12:19:30

Часовой пояс: UTC + 3 часа


ПРЯМО СЕЙЧАС:



Начать новую тему Ответить на тему  [ Сообщений: 58 ]    , , 3
Автор Сообщение
Не в сети
 Заголовок сообщения: Re: Применение Декатрона А101 -крутилка и прочее...
СообщениеДобавлено: Вс апр 16, 2023 22:02:30 
Первый раз сказал Мяу!
Аватар пользователя

Зарегистрирован: Пн мар 13, 2023 17:52:45
Сообщений: 24
Откуда: Королёв
Рейтинг сообщения: 0
Да, простите. У РЭК-11 ЯЛ4.550.005 9мА ток срабатывания(1мА удержания)

_________________
Ты мрамор или глыба льда?
Ты сердце окружил бронёю?
Ты жалости лишён?
Тогда сойди в мой ад.
Иди за мною.


Вернуться наверх
 
Не в сети
 Заголовок сообщения: Re: Применение Декатрона А101 -крутилка и прочее...
СообщениеДобавлено: Ср апр 19, 2023 11:14:21 
Держит паяльник хвостом

Карма: 16
Рейтинг сообщений: 136
Зарегистрирован: Сб мар 07, 2015 20:48:22
Сообщений: 904
Откуда: Московская область
Рейтинг сообщения: 0
А почему не применить две к176ие8?


Вернуться наверх
 
Не в сети
 Заголовок сообщения: Re: Применение Декатрона А101 -крутилка и прочее...
СообщениеДобавлено: Ср апр 19, 2023 15:44:30 
Нашел транзистор. Понюхал.
Аватар пользователя

Карма: 1
Рейтинг сообщений: 10
Зарегистрирован: Ср окт 14, 2009 16:11:24
Сообщений: 167
Откуда: Калуга
Рейтинг сообщения: 0
А я вот, стерео UV-meter на ОГ-4 для лампового уся сделал.
П.С. Логарифмический, всё как положено...


Вложения:
OG-4.pdf [180.61 KiB]
Скачиваний: 140
Вернуться наверх
 
Не в сети
 Заголовок сообщения: Re: Применение Декатрона А101 -крутилка и прочее...
СообщениеДобавлено: Ср апр 19, 2023 23:02:01 
Держит паяльник хвостом

Карма: 16
Рейтинг сообщений: 136
Зарегистрирован: Сб мар 07, 2015 20:48:22
Сообщений: 904
Откуда: Московская область
Рейтинг сообщения: 0
По таблице или каким способом?


Вернуться наверх
 
Эиком - электронные компоненты и радиодетали
Не в сети
 Заголовок сообщения: Re: Применение Декатрона А101 -крутилка и прочее...
СообщениеДобавлено: Ср апр 19, 2023 23:11:11 
Нашел транзистор. Понюхал.
Аватар пользователя

Карма: 1
Рейтинг сообщений: 10
Зарегистрирован: Ср окт 14, 2009 16:11:24
Сообщений: 167
Откуда: Калуга
Рейтинг сообщения: 0
Да-да, по таблице. Контроллер простой, не шустрый, так быстрее.


Вернуться наверх
 
Не в сети
 Заголовок сообщения: Re: Применение Декатрона А101 -крутилка и прочее...
СообщениеДобавлено: Чт апр 20, 2023 13:46:04 
Держит паяльник хвостом

Карма: 16
Рейтинг сообщений: 136
Зарегистрирован: Сб мар 07, 2015 20:48:22
Сообщений: 904
Откуда: Московская область
Рейтинг сообщения: 0
Кстати можно кусочно-линейную делать аппроксимацию. Тоже работает. Но для красивого показометра таблички в 256 байт хватило за глаза. Вы сколько разрядов АЦП используете? Я просто два младших выбрасывал.


Вернуться наверх
 
Не в сети
 Заголовок сообщения: Re: Применение Декатрона А101 -крутилка и прочее...
СообщениеДобавлено: Чт апр 20, 2023 14:39:13 
Нашел транзистор. Понюхал.
Аватар пользователя

Карма: 1
Рейтинг сообщений: 10
Зарегистрирован: Ср окт 14, 2009 16:11:24
Сообщений: 167
Откуда: Калуга
Рейтинг сообщения: 0
Старшие 8-бит, таблица в 30 строк (по количеству сегментов в декатроне). По 1dB на точку, первый сегмент загорается при 63мВт, последний при 50Вт. Выглядит - норм.
П.С. сюда видео никак не прикрепить?


Вернуться наверх
 
Не в сети
 Заголовок сообщения: Re: Применение Декатрона А101 -крутилка и прочее...
СообщениеДобавлено: Чт апр 20, 2023 17:16:21 
Держит паяльник хвостом

Карма: 16
Рейтинг сообщений: 136
Зарегистрирован: Сб мар 07, 2015 20:48:22
Сообщений: 904
Откуда: Московская область
Рейтинг сообщения: 0
Ссылки на ютуб можно без проблем.
В одном байте получилось 30Дб? Или накапливали?
А как боретесь с биениями с частотой преобразования? У меня ничего не вышло, просто продетектировал и подал уже постоянку.


Вернуться наверх
 
Не в сети
 Заголовок сообщения: Re: Применение Декатрона А101 -крутилка и прочее...
СообщениеДобавлено: Пт апр 21, 2023 10:27:50 
Нашел транзистор. Понюхал.
Аватар пользователя

Карма: 1
Рейтинг сообщений: 10
Зарегистрирован: Ср окт 14, 2009 16:11:24
Сообщений: 167
Откуда: Калуга
Рейтинг сообщения: 0
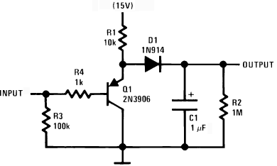
Я на "трубе" не за регистрирован, позже попробую. В кодинге я пошёл индусским методом, завёл 4-байта на канал и при определённом входном уровне устанавливал "1" в нужном количестве битов (по таблице). В другой похожей поделке я уже делал оптимальней алгоритм (1-байт на теоретические 255 точек), а здесь заработало с первого раза - ну и ладно. "Работает? - Не трожъ!"
На вход подавал постоянку, так проще, (помним про Найквиста/Котельникова), чтоб в начале шкалы не было провалов - выпрямлял так:
Изображение


Вложения:
AC-DC.png [5.66 KiB]
Скачиваний: 63
Вернуться наверх
 
Не в сети
 Заголовок сообщения: Re: Применение Декатрона А101 -крутилка и прочее...
СообщениеДобавлено: Вс фев 23, 2025 13:59:31 
Открыл глаза

Зарегистрирован: Вс фев 25, 2024 20:07:22
Сообщений: 65
Рейтинг сообщения: 0
Думаю, не будет большим оффтом, если спрошу: собрал себе спиннер на ОГ-4 по нижеприведённой схеме, а оно уж больно быстро крутит - как бы частоту вращения замедлить? Что-то "в лоб" недогоняю ((. Делителями на R4/R5 и R6/R7? Больше у меня мыслей нет.
Может, кто-нибудь подскажет?


Вложения:
Декатрон-Спиннер.png [73.62 KiB]
Скачиваний: 51
Вернуться наверх
 
Не в сети
 Заголовок сообщения: Re: Применение Декатрона А101 -крутилка и прочее...
СообщениеДобавлено: Вт фев 25, 2025 10:29:11 
Открыл глаза

Зарегистрирован: Вс фев 25, 2024 20:07:22
Сообщений: 65
Рейтинг сообщения: 0
Скачали, посмотрели, и... )). Нет Ответов! Ну, насколько я понимаю, в той схеме, что я использовал, частота вращения "спиннера" не регулируется НИЧЕМ. Вернее, она регулируется частотой сети, что в моём случае всё равно, что НЕ РЕГУЛИРУЕТСЯ.
Поправьте меня, если я не прав. Тут на 1-й страничке темы есть Безобразная (по качеству, номиналы элементов даже не разберёшь) схема от Дубовицкий Николай; вот там всё регулируется. В вообще, поиск по форуму выдал - https://www.radiokot.ru/artfiles/6526/
Там и элементы видны, и схема несколько "улучшена" )). Думаю, буду собирать её - это лучшее на сегодняшний день, что доступно "простому крестьянину" :))
Конечно, лучше бы было собрать на каком-нибудь PIC'е (мне бы было удобно на 16F628), но... Готовой схемы с прошивкой я не нашёл, может, поделится кто?


Вернуться наверх
 
Не в сети
 Заголовок сообщения: Re: Применение Декатрона А101 -крутилка и прочее...
СообщениеДобавлено: Вт фев 25, 2025 11:03:14 
Держит паяльник хвостом

Карма: 16
Рейтинг сообщений: 136
Зарегистрирован: Сб мар 07, 2015 20:48:22
Сообщений: 904
Откуда: Московская область
Рейтинг сообщения: 0
Если хочется прямо всё в железе и по кондовому - сделать трёхфазный мультивибратор на мтх-90 и от него запитать декатрон. Частоту регулировать одной ручкой не получится а настроить раз на нужную это запросто.


Вернуться наверх
 
Не в сети
 Заголовок сообщения: Re: Применение Декатрона А101 -крутилка и прочее...
СообщениеДобавлено: Вт фев 25, 2025 15:40:42 
Открыл глаза

Зарегистрирован: Вс фев 25, 2024 20:07:22
Сообщений: 65
Рейтинг сообщения: 0
Если хочется прямо всё в железе и по кондовому - сделать трёхфазный мультивибратор на мтх-90 и от него запитать декатрон. Частоту регулировать одной ручкой не получится а настроить раз на нужную это запросто.

А чем это будет лучше? В чём, так сказать, кондовость-то? Просто я пока вижу лишь непонятные «для меня» усложнения, вот и хотелось бы узнать - а что это в итоге даёт?
И чтобы уж разговор был предметным, о каком "трёхфазном мультивибраторе на мтх-90" идёт речь? Если можно, хотелось бы ссылку на схему.


Вернуться наверх
 
Не в сети
 Заголовок сообщения: Re: Применение Декатрона А101 -крутилка и прочее...
СообщениеДобавлено: Вт фев 25, 2025 17:39:39 
Держит паяльник хвостом

Карма: 16
Рейтинг сообщений: 136
Зарегистрирован: Сб мар 07, 2015 20:48:22
Сообщений: 904
Откуда: Московская область
Рейтинг сообщения: 0
"Простой крестьянин" не хочет сделать всё на контроллере и не страдать ерундой? Не пойму ваших хотелок.


Вернуться наверх
 
Не в сети
 Заголовок сообщения: Re: Применение Декатрона А101 -крутилка и прочее...
СообщениеДобавлено: Вт фев 25, 2025 18:02:07 
Открыл глаза

Зарегистрирован: Вс фев 25, 2024 20:07:22
Сообщений: 65
Рейтинг сообщения: 0
Ещё как хочет! Просто мечтает! Кто б ещё прошивкой к оному контроллеру поделился?
Я же выше спрашивал, там где вы "выдернули Простой крестьянин" - там и спросил.
А вы зачем-то на 3-х фазный мультивибратор на МТХ-90 свернули, зачем?
Конечно, «в идеале» контроллер + управляемый ШИМ был бы наилучшим вариантом, где б только его взять?


Вернуться наверх
 
Не в сети
 Заголовок сообщения: Re: Применение Декатрона А101 -крутилка и прочее...
СообщениеДобавлено: Вт фев 25, 2025 23:41:53 
Держит паяльник хвостом

Карма: 16
Рейтинг сообщений: 136
Зарегистрирован: Сб мар 07, 2015 20:48:22
Сообщений: 904
Откуда: Московская область
Рейтинг сообщения: 0
Зачем управляемый шим? Контроллер перебирает три ноги по кольцу. Работа для школьника на 5 минут. Не доступен контроллер - трёхфазный мультивибратор и задающий генератор для него с регулировкой частоты. Если это сложно - повторять чью-то схему.
http://www.sgitheach.org.uk/nixie3.html
Рис 3.10. Такую схему я имел ввиду. Три каскада, на вход сигнал с генератора. Выходы на катоды декатрона


Вернуться наверх
 
Не в сети
 Заголовок сообщения: Re: Применение Декатрона А101 -крутилка и прочее...
СообщениеДобавлено: Ср фев 26, 2025 08:54:42 
Открыл глаза

Зарегистрирован: Вс фев 25, 2024 20:07:22
Сообщений: 65
Рейтинг сообщения: 0
Я понял; разговор ниочём. Схему я нашёл, ссылку здесь давал. А "воду в ступе толочь" - извините.


Вернуться наверх
 
Не в сети
 Заголовок сообщения: Re: Применение Декатрона А101 -крутилка и прочее...
СообщениеДобавлено: Ср фев 26, 2025 09:15:16 
Держит паяльник хвостом

Карма: 16
Рейтинг сообщений: 136
Зарегистрирован: Сб мар 07, 2015 20:48:22
Сообщений: 904
Откуда: Московская область
Рейтинг сообщения: 0
Это называется не воду толочь а бисер метать. Вам рассказали как сделать - вы хотите готовую схему. Это вам в "Есть работа".


Вернуться наверх
 
Показать сообщения за:  Сортировать по:  Вернуться наверх
Начать новую тему Ответить на тему  [ Сообщений: 58 ]    , , 3

Часовой пояс: UTC + 3 часа


Кто сейчас на форуме

Сейчас этот форум просматривают: нет зарегистрированных пользователей и гости: 24


Вы не можете начинать темы
Вы не можете отвечать на сообщения
Вы не можете редактировать свои сообщения
Вы не можете удалять свои сообщения
Вы не можете добавлять вложения

Найти:
Перейти:  


Powered by phpBB © 2000, 2002, 2005, 2007 phpBB Group
Русская поддержка phpBB
Extended by Karma MOD © 2007—2012 m157y
Extended by Topic Tags MOD © 2012 m157y