Например TDA7294

Форум РадиоКот • Просмотр темы - Вопрос про каркасы катушек для TA8164P
Форум РадиоКот
Здесь можно немножко помяукать :)

Текущее время: Пт дек 12, 2025 01:12:57

Часовой пояс: UTC + 3 часа


ПРЯМО СЕЙЧАС:



Начать новую тему Ответить на тему  [ Сообщений: 63 ]  1, , ,  
Автор Сообщение
Не в сети
 Заголовок сообщения: Вопрос про каркасы катушек для TA8164P
СообщениеДобавлено: Чт ноя 06, 2025 10:15:11 
Первый раз сказал Мяу!

Зарегистрирован: Ср мар 25, 2015 23:15:04
Сообщений: 21
Рейтинг сообщения: 0
Всем привет.
Хочу собрать ФМ приемник на TA8164P, без АМ части. Открыл даташит, схема есть, все понятно, но вот когда дошло до катушек, намоточные данные в даташите есть, но какие именно каркасы использовать? Те, что сейчас во всех китайских приемниках, экранированные с ферритовой регулировочной чашечкой под которой мелкая ферритовая гантелька с намоткой?
Прикрепил скриншот из даташита.


Вложения:
ТА8164Р.JPG [76.6 KiB]
Скачиваний: 63
Вернуться наверх
 
Не в сети
 Заголовок сообщения: Re: Вопрос про каркасы катушек для TA8164P
СообщениеДобавлено: Чт ноя 06, 2025 12:33:27 
Родился

Зарегистрирован: Ср ноя 05, 2025 23:01:27
Сообщений: 7
Рейтинг сообщения: 0
В даташнике на TDA7088 https://www.futurlec.com/Philips/TDA7088T.shtml есть и номиналы катушек и типовая схема LC контура с варикапом, вам же этот дурацкий КПЕ тоже не нужен? Всегда помогает полуркать посты и датащиты подобного добра, когда сомневаюсь или хочу улучшайзинга. А по номиналам в постах пишут что то про 10 витков в схеме с советским КВ109 варикапом, и про 7 витков с импортным BB910, ёмкости у варикапов разные. вот и количество витков разное. Хорошо если есть чем померить индуктивность, а то так придётся гулять по всему диапазону, в попытке понять куда попал.


Вернуться наверх
 
Не в сети
 Заголовок сообщения: Re: Вопрос про каркасы катушек для TA8164P
СообщениеДобавлено: Чт ноя 06, 2025 16:31:06 
Первый раз сказал Мяу!

Зарегистрирован: Ср мар 25, 2015 23:15:04
Сообщений: 21
Рейтинг сообщения: 0
dltech, Меня гетеродинная и УВЧ катушки не интересуют, их легко подобрать хоть для варикапа, хоть для КПЕ, да и каркасы там особо не нужны, меня интересует катушка с двумя обмотками (смеситель). Хотя я уже прикинул, вопрос глупый задал, намотаю на своем имеющемся каркасе, рассчитаю по индуктивности и емкости частоту +-10,7мгц а там уже сердечником подкручу. LC метр у меня есть, частотометр, генер, осцил тоже, более чем для настройки) А вообще это для плашки FM в VEF202


Вложения:
00001.JPG [71.46 KiB]
Скачиваний: 51
Вернуться наверх
 
Не в сети
 Заголовок сообщения: Re: Вопрос про каркасы катушек для TA8164P
СообщениеДобавлено: Чт ноя 06, 2025 20:30:27 
Мудрый кот

Карма: 25
Рейтинг сообщений: 485
Зарегистрирован: Сб май 05, 2012 20:24:52
Сообщений: 1782
Откуда: KN34PC, Болгария
Рейтинг сообщения: 0
... экранированные с ферритовой регулировочной чашечкой под которой мелкая ферритовая гантелька с намоткой?

Да. Соблюдайте соотношение катушек, а их количество – в соответствии с выбранным/найденным магнитопроводом. Грубо: либо по формуле LC, либо с помощью калькулятора для быстрого расчета. Например ниже. Используйте L с серым цветом. При регулировке отверткой увидите максимум в виде пика.

Изображение,
Изображение


Вернуться наверх
 
Эиком - электронные компоненты и радиодетали
Не в сети
 Заголовок сообщения: Re: Вопрос про каркасы катушек для TA8164P
СообщениеДобавлено: Пт ноя 07, 2025 10:56:21 
Первый раз сказал Мяу!

Зарегистрирован: Ср мар 25, 2015 23:15:04
Сообщений: 21
Рейтинг сообщения: 0
veso74, Спасибо, такие вот каркасы как раз и имеются на платах старых, китайских приемников, а еще несколько штук покупал которые с обычным резьбовым сердечником, а каркас разделен на 4 секции.


Вернуться наверх
 
Не в сети
 Заголовок сообщения: Re: Вопрос про каркасы катушек для TA8164P
СообщениеДобавлено: Пт ноя 07, 2025 11:26:26 
Мудрый кот

Карма: 25
Рейтинг сообщений: 485
Зарегистрирован: Сб май 05, 2012 20:24:52
Сообщений: 1782
Откуда: KN34PC, Болгария
Рейтинг сообщения: 0
Одна часть трансформатора находится в резонансе на частоте 10,7 MHz, другая служит для согласования с низкоомным фильтром 10,7 MHz. Компонент обеспечивает большой допуск, все не критично. Легко работать с любой доступной катушкой. Просто намотайте нужную индуктивность. Если сможете ее измерить, будет еще проще.

Для некритичного приёмника, с не особо высокими параметрами, можно обойтись без второй катушки. Все зависит от S-поля FM станций в городе.
(FM на "Турист" РП-215 - мое занятие для хобби в прошлом).


Вернуться наверх
 
Не в сети
 Заголовок сообщения: Re: Вопрос про каркасы катушек для TA8164P
СообщениеДобавлено: Пт ноя 07, 2025 16:38:23 
Первый раз сказал Мяу!

Зарегистрирован: Ср мар 25, 2015 23:15:04
Сообщений: 21
Рейтинг сообщения: 0
veso74, РП-215 красивый внешне приемник до сих пор смотрится не плохо, тоже такой имеется, думал, что бы в нем собрать, сначала хотел Р-45 туда засунуть еще во времена когда он был популярным, а в итоге детали на этот приемник так и лежат в пакетике, руки не доходят из-за работы. Потом хотел туда собрать чтото на SI4732, чтото с экраном на вроде ATS-20, в итоге сделал, но в другом корпусе, а сейчас вот задумка есть на сборку ATS-25 max decoder только с 4 дюймовым экраном на ESP32, но вроде уже крамсать корпус РП-215 стало жалко :) да и размер у него не карманный.


Вернуться наверх
 
Не в сети
 Заголовок сообщения: Re: Вопрос про каркасы катушек для TA8164P
СообщениеДобавлено: Пн ноя 10, 2025 12:31:17 
Вымогатель припоя

Зарегистрирован: Вс сен 10, 2006 00:04:03
Сообщений: 540
Рейтинг сообщения: 0
когда будете делать- поставьте дополнительный усилитель ПЧ на одном транзисторе с выхода 3 нога на вход 8 нога.
Собственного усиления недостаточно.


Вернуться наверх
 
Не в сети
 Заголовок сообщения: Re: Вопрос про каркасы катушек для TA8164P
СообщениеДобавлено: Пн ноя 10, 2025 19:30:33 
Первый раз сказал Мяу!

Зарегистрирован: Ср мар 25, 2015 23:15:04
Сообщений: 21
Рейтинг сообщения: 0
когда будете делать- поставьте дополнительный усилитель ПЧ на одном транзисторе с выхода 3 нога на вход 8 нога.
Собственного усиления недостаточно.

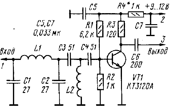
УПЧ же после керамического фильтра ставиться? (я отметил на скриншоте точку).
Изображение
Схема УПЧ примерно такая? У меня из компактных, малошумящих транзисторов есть BFR93.
Изображение


Вложения:
0003.JPG [12.45 KiB]
Скачиваний: 356
+ УПЧ.JPG [106.99 KiB]
Скачиваний: 366
Вернуться наверх
 
Не в сети
 Заголовок сообщения: Re: Вопрос про каркасы катушек для TA8164P
СообщениеДобавлено: Пн ноя 10, 2025 19:53:07 
Друг Кота

Карма: -1
Рейтинг сообщений: 84
Зарегистрирован: Вт мар 13, 2012 12:16:13
Сообщений: 8865
Откуда: .ru
Рейтинг сообщения: 0
УПЧ на транзисторе после контура ставится.
А далее уже идёт фильтр. Так получаем максимальную чувствительность.
На самом деле УПЧ на транзисторе компенсирует потери в фильтре.
А сами фильтры нужно две штуки. С одним фильтром будем слышать несколько фм станций одновременно. Избирательность у этих фильтров плохая.


Вернуться наверх
 
Не в сети
 Заголовок сообщения: Re: Вопрос про каркасы катушек для TA8164P
СообщениеДобавлено: Пн ноя 10, 2025 20:15:29 
Первый раз сказал Мяу!

Зарегистрирован: Ср мар 25, 2015 23:15:04
Сообщений: 21
Рейтинг сообщения: 0
УПЧ на транзисторе после контура ставится.
А далее уже идёт фильтр. Так получаем максимальную чувствительность.
На самом деле УПЧ на транзисторе компенсирует потери в фильтре.
А сами фильтры нужно две штуки. С одним фильтром будем слышать несколько фм станций одновременно. Избирательность у этих фильтров плохая.

Понял, значит после контура ставим УПЧ потом уже фильтр 10,7мгц, а лучше два последовательно. Помню видел схему где УПЧ стоял между керамическими фильтрами, это был приемник на ТВ тюнере.


Вернуться наверх
 
Не в сети
 Заголовок сообщения: Re: Вопрос про каркасы катушек для TA8164P
СообщениеДобавлено: Пн ноя 10, 2025 21:50:45 
Друг Кота

Карма: -1
Рейтинг сообщений: 84
Зарегистрирован: Вт мар 13, 2012 12:16:13
Сообщений: 8865
Откуда: .ru
Рейтинг сообщения: 0
видел в автомагнитоле (известного производителя) была схема:
контур + фильтр + УПЧ + фильтр + ИМС.

только там транзистор малошумящий... типа аналог отечественного КТ368...
и там отдельный УВЧ стоял. поэтому сигнал на выходе смесителя был больше...
:roll:

но практика показывает что лучше (чувствительность чуть лучше и шумов чуть меньше) работает схема:
контур + УПЧ + фильтр + фильтр + ИМС.
:tea:


Вернуться наверх
 
Не в сети
 Заголовок сообщения: Re: Вопрос про каркасы катушек для TA8164P
СообщениеДобавлено: Вт ноя 11, 2025 10:04:11 
Сверлит текстолит когтями
Аватар пользователя

Карма: 15
Рейтинг сообщений: 377
Зарегистрирован: Чт янв 12, 2012 19:32:15
Сообщений: 1237
Откуда: Belarus
Рейтинг сообщения: 0
Есть интересная стаья на эту тему:
https://radioskot.ru/publ/nachinajushhi ... 5-1-0-1480
Пару фишек из статьи я использовал с положительным результатом, но в целом, изложенный материал довольно субъективен. Поэтому, может потребоваться дополнительое самостоятельное изучение некоторых моментов.


Вернуться наверх
 
Не в сети
 Заголовок сообщения: Re: Вопрос про каркасы катушек для TA8164P
СообщениеДобавлено: Вт ноя 11, 2025 10:13:17 
Первый раз сказал Мяу!

Зарегистрирован: Ср мар 25, 2015 23:15:04
Сообщений: 21
Рейтинг сообщения: 0
roman.com, SAU, Набросал схему, что то из даташита, что то из других публикаций, а что то из советов)
Прошу пожалуйста посмотреть, какие есть замечания в целом к схеме, может по номиналам, какие то советы как правильно сделать.
Схема в части управления варикапами не доделана, но там все понятно. Варикапы будут или КВ109 или импортный BB... какой то) тут думаю особой роли не играет, главное уложить диапазон.
Изображение


Вложения:
схема FM для VEF.JPG [76.94 KiB]
Скачиваний: 307
Вернуться наверх
 
Не в сети
 Заголовок сообщения: Re: Вопрос про каркасы катушек для TA8164P
СообщениеДобавлено: Вт ноя 11, 2025 12:21:59 
Мудрый кот

Карма: 25
Рейтинг сообщений: 485
Зарегистрирован: Сб май 05, 2012 20:24:52
Сообщений: 1782
Откуда: KN34PC, Болгария
Рейтинг сообщения: 0
VT2 неправильно по пост току. Фильтр ПКФ несогласован с УПЧ-усилитель. Динамический диапазон по согналу ИС не особенно велик. УВЧ на входе ухудшит приема. Отключите УВЧ, согласуйте правильно и радио будет работать в соответствии с классом ИС.


Вернуться наверх
 
Не в сети
 Заголовок сообщения: Re: Вопрос про каркасы катушек для TA8164P
СообщениеДобавлено: Вт ноя 11, 2025 16:43:21 
Вымогатель припоя

Зарегистрирован: Вс сен 10, 2006 00:04:03
Сообщений: 540
Рейтинг сообщения: 0
я бы так сделал


Вложения:
схема FM для VEF.JPG [106.49 KiB]
Скачиваний: 30
Вернуться наверх
 
Не в сети
 Заголовок сообщения: Re: Вопрос про каркасы катушек для TA8164P
СообщениеДобавлено: Вт ноя 11, 2025 18:01:34 
Нашел транзистор. Понюхал.
Аватар пользователя

Карма: 1
Рейтинг сообщений: 25
Зарегистрирован: Пт окт 22, 2021 13:50:39
Сообщений: 181
Рейтинг сообщения: 0
MexaniK357, База VT2 через катушку связи на + коротить....
Да и зачем сразу такой вч транзистор ставить? УПЧ наводками перегружать? Возьмите с меньшей граничной частотой 90-100 мгц


Вернуться наверх
 
Не в сети
 Заголовок сообщения: Re: Вопрос про каркасы катушек для TA8164P
СообщениеДобавлено: Вт ноя 11, 2025 18:45:50 
Первый раз сказал Мяу!

Зарегистрирован: Ср мар 25, 2015 23:15:04
Сообщений: 21
Рейтинг сообщения: 0
VT2 неправильно по пост току. Фильтр ПКФ несогласован с УПЧ-усилитель. Динамический диапазон по согналу ИС не особенно велик. УВЧ на входе ухудшит приема. Отключите УВЧ, согласуйте правильно и радио будет работать в соответствии с классом ИС.

По согласованию вопрос для меня всегда был сложный и главное тут и не расскажешь в двух словах как чего посчитать. Поискал и не смог найти даже входное сопротивление у этой микросхемы.
А в остальном, VT2 ошибку понял. По поводу УВЧ, не думаю, что он ухудшит прием, он лишь немного компенсирует потери на входных фильтрах. УВЧ можно сделать на BF998 и регулировать усиление, хотя в контексте планки которая будет стоять на барабане внутри корпуса приемника регулировки не нужны, разве что выбрать оптимальный уровень усиления и все.

Добавлено after 2 minutes 18 seconds:
я бы так сделал


Понял, спасибо. Я тоже думал про BF998, я на нем раньше делал УВЧ к конвертеру для SDR свистка и регулировка усиления была. А что с ДПФ? По идее хуже то от него не будет?
Схему нашел в сети.
Изображение


Вложения:
УВЧ.gif [6.81 KiB]
Скачиваний: 211
Вернуться наверх
 
Не в сети
 Заголовок сообщения: Re: Вопрос про каркасы катушек для TA8164P
СообщениеДобавлено: Вт ноя 11, 2025 18:52:58 
Нашел транзистор. Понюхал.
Аватар пользователя

Карма: 1
Рейтинг сообщений: 25
Зарегистрирован: Пт окт 22, 2021 13:50:39
Сообщений: 181
Рейтинг сообщения: 0
:shock:


Вложения:
Screenshot 2025-11-11.png [121.87 KiB]
Скачиваний: 30
Вернуться наверх
 
Не в сети
 Заголовок сообщения: Re: Вопрос про каркасы катушек для TA8164P
СообщениеДобавлено: Вт ноя 11, 2025 19:16:24 
Первый раз сказал Мяу!

Зарегистрирован: Ср мар 25, 2015 23:15:04
Сообщений: 21
Рейтинг сообщения: 0
:shock:

А, ну вот, пока носом не тыкнули я не знал как посмотреть, 1ком.


Вернуться наверх
 
Показать сообщения за:  Сортировать по:  Вернуться наверх
Начать новую тему Ответить на тему  [ Сообщений: 63 ]  1, , ,  

Часовой пояс: UTC + 3 часа


Кто сейчас на форуме

Сейчас этот форум просматривают: нет зарегистрированных пользователей и гости: 26


Вы не можете начинать темы
Вы не можете отвечать на сообщения
Вы не можете редактировать свои сообщения
Вы не можете удалять свои сообщения
Вы не можете добавлять вложения

Найти:
Перейти:  


Powered by phpBB © 2000, 2002, 2005, 2007 phpBB Group
Русская поддержка phpBB
Extended by Karma MOD © 2007—2012 m157y
Extended by Topic Tags MOD © 2012 m157y