Например TDA7294

Форум РадиоКот • Просмотр темы - Есть ли альтернатива диоду?
Форум РадиоКот
Здесь можно немножко помяукать :)

Текущее время: Сб дек 13, 2025 05:48:41

Часовой пояс: UTC + 3 часа


ПРЯМО СЕЙЧАС:



Начать новую тему Ответить на тему  [ Сообщений: 17 ] 
Автор Сообщение
Не в сети
 Заголовок сообщения: Есть ли альтернатива диоду?
СообщениеДобавлено: Пт июл 18, 2025 11:55:40 
Родился

Зарегистрирован: Вс мар 02, 2025 23:40:08
Сообщений: 17
Рейтинг сообщения: 0
Доброе время суток!
Есть переключатель со средней точкой. При первом положении должно сработать реле. Питание на схему управления должно подаваться в любом случае. Соединил через диод. Но во втором положении переключателя теряю полвольта, что оказалось критичным.
Может кто-нибудь предложит альтернативный способ решения?


Вложения:
Безымянный.png [15.8 KiB]
Скачиваний: 79
Вернуться наверх
 
Не в сети
 Заголовок сообщения: Re: Есть ли альтернатива диоду?
СообщениеДобавлено: Пт июл 18, 2025 12:14:53 
Друг Кота
Аватар пользователя

Карма: 107
Рейтинг сообщений: 3801
Зарегистрирован: Пн фев 09, 2009 22:19:49
Сообщений: 24277
Откуда: Когда-то был прекрасный город для людей
Рейтинг сообщения: 0
Ещё одно реле поставь.


Вернуться наверх
 
Не в сети
 Заголовок сообщения: Re: Есть ли альтернатива диоду?
СообщениеДобавлено: Пт июл 18, 2025 12:25:53 
Родился

Зарегистрирован: Вс мар 02, 2025 23:40:08
Сообщений: 17
Рейтинг сообщения: 0
Проще переключатель с двумя группами контактов применить, но, к сожалению, в таком форм-факторе подобных не нашёл...


Вернуться наверх
 
Не в сети
 Заголовок сообщения: Re: Есть ли альтернатива диоду?
СообщениеДобавлено: Пт июл 18, 2025 12:33:14 
Электрический кот

Карма: 5
Рейтинг сообщений: 157
Зарегистрирован: Пн май 01, 2017 20:01:45
Сообщений: 1015
Рейтинг сообщения: 0
К1.2 №3 соединить с 5V, К1.2 №4 соединить с 5v0. Диод убрать.


Вернуться наверх
 
Эиком - электронные компоненты и радиодетали
Не в сети
 Заголовок сообщения: Re: Есть ли альтернатива диоду?
СообщениеДобавлено: Пт июл 18, 2025 12:34:59 
Родился

Зарегистрирован: Вс мар 02, 2025 23:40:08
Сообщений: 17
Рейтинг сообщения: 0
Контакты реле задействованы, лишней группы нет


Вернуться наверх
 
Не в сети
 Заголовок сообщения: Re: Есть ли альтернатива диоду?
СообщениеДобавлено: Пт июл 18, 2025 12:37:49 
Электрический кот

Карма: 5
Рейтинг сообщений: 157
Зарегистрирован: Пн май 01, 2017 20:01:45
Сообщений: 1015
Рейтинг сообщения: 0
Делайте то-же на двух транзисторах.


Вернуться наверх
 
Не в сети
 Заголовок сообщения: Re: Есть ли альтернатива диоду?
СообщениеДобавлено: Пт июл 18, 2025 12:38:55 
Родился

Зарегистрирован: Вс мар 02, 2025 23:40:08
Сообщений: 17
Рейтинг сообщения: 0
Не силён в схемотехнике, можете набросать?


Вернуться наверх
 
Не в сети
 Заголовок сообщения: Re: Есть ли альтернатива диоду?
СообщениеДобавлено: Пт июл 18, 2025 12:43:44 
Электрический кот

Карма: 5
Рейтинг сообщений: 157
Зарегистрирован: Пн май 01, 2017 20:01:45
Сообщений: 1015
Рейтинг сообщения: 0
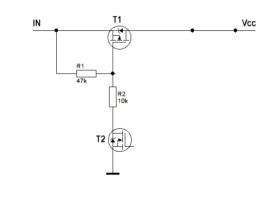
Изображение
Затвор Т2 на реле, R3/C1 не ставить.


Вернуться наверх
 
Не в сети
 Заголовок сообщения: Re: Есть ли альтернатива диоду?
СообщениеДобавлено: Пт июл 18, 2025 12:48:58 
Родился

Зарегистрирован: Вс мар 02, 2025 23:40:08
Сообщений: 17
Рейтинг сообщения: 0
Изображение не подгружается (


Вернуться наверх
 
Не в сети
 Заголовок сообщения: Re: Есть ли альтернатива диоду?
СообщениеДобавлено: Пт июл 18, 2025 12:52:27 
Электрический кот

Карма: 5
Рейтинг сообщений: 157
Зарегистрирован: Пн май 01, 2017 20:01:45
Сообщений: 1015
Рейтинг сообщения: 0
Изображение


Вложения:
002.png [5.01 KiB]
Скачиваний: 232
Вернуться наверх
 
Не в сети
 Заголовок сообщения: Re: Есть ли альтернатива диоду?
СообщениеДобавлено: Пт июл 18, 2025 13:11:10 
Родился

Зарегистрирован: Вс мар 02, 2025 23:40:08
Сообщений: 17
Рейтинг сообщения: 0
Не понимаю, куда реле прицепить?..
Полярность у транзисторов разная, правильно?


Вложения:
Безымянный.tif [163.46 KiB]
Скачиваний: 33
Вернуться наверх
 
Не в сети
 Заголовок сообщения: Re: Есть ли альтернатива диоду?
СообщениеДобавлено: Пт июл 18, 2025 13:20:01 
Электрический кот

Карма: 5
Рейтинг сообщений: 157
Зарегистрирован: Пн май 01, 2017 20:01:45
Сообщений: 1015
Рейтинг сообщения: 0
... правка по совету Martin76.


Вложения:
003a.png [5.84 KiB]
Скачиваний: 42


Последний раз редактировалось u37 Пт июл 18, 2025 14:17:05, всего редактировалось 1 раз.
Вернуться наверх
 
Не в сети
 Заголовок сообщения: Re: Есть ли альтернатива диоду?
СообщениеДобавлено: Пт июл 18, 2025 13:35:36 
Родился

Зарегистрирован: Вс мар 02, 2025 23:40:08
Сообщений: 17
Рейтинг сообщения: 0
Спасибо. Буду пробовать...


Вернуться наверх
 
Не в сети
 Заголовок сообщения: Re: Есть ли альтернатива диоду?
СообщениеДобавлено: Пт июл 18, 2025 13:49:06 
Друг Кота
Аватар пользователя

Карма: 182
Рейтинг сообщений: 8322
Зарегистрирован: Пт фев 04, 2011 17:57:51
Сообщений: 20005
Откуда: Рыбинск
Рейтинг сообщения: 0
Медали: 1
Лучший человек Форума 2017 (1)
Затвор у нижнего транзистора нужно защищать, а то первое включение для него последним и будет.


Вернуться наверх
 
Не в сети
 Заголовок сообщения: Re: Есть ли альтернатива диоду?
СообщениеДобавлено: Пт июл 18, 2025 13:52:31 
Родился

Зарегистрирован: Вс мар 02, 2025 23:40:08
Сообщений: 17
Рейтинг сообщения: 0
какое радостное известие )
я с этим точно не справлюсь...


Вернуться наверх
 
Не в сети
 Заголовок сообщения: Re: Есть ли альтернатива диоду?
СообщениеДобавлено: Пт июл 18, 2025 14:03:04 
Электрический кот

Карма: 5
Рейтинг сообщений: 157
Зарегистрирован: Пн май 01, 2017 20:01:45
Сообщений: 1015
Рейтинг сообщения: 0
Стабилитрон 5.6V (однополярный supppressor 5V) (тупо любой диод) параллельно реле. Попутно лечится проблема выключателя.


Вернуться наверх
 
Не в сети
 Заголовок сообщения: Re: Есть ли альтернатива диоду?
СообщениеДобавлено: Пт июл 18, 2025 14:19:39 
Родился

Зарегистрирован: Вс мар 02, 2025 23:40:08
Сообщений: 17
Рейтинг сообщения: 0
Понял. Спасибо большое! Киньте в личку координаты - подкину на пиво!


Вернуться наверх
 
Показать сообщения за:  Сортировать по:  Вернуться наверх
Начать новую тему Ответить на тему  [ Сообщений: 17 ] 

Часовой пояс: UTC + 3 часа


Кто сейчас на форуме

Сейчас этот форум просматривают: Majestic-12 [Bot] и гости: 22


Вы не можете начинать темы
Вы не можете отвечать на сообщения
Вы не можете редактировать свои сообщения
Вы не можете удалять свои сообщения
Вы не можете добавлять вложения

Найти:
Перейти:  


Powered by phpBB © 2000, 2002, 2005, 2007 phpBB Group
Русская поддержка phpBB
Extended by Karma MOD © 2007—2012 m157y
Extended by Topic Tags MOD © 2012 m157y