Например TDA7294

Форум РадиоКот • Просмотр темы - Радиоуправляемый кораблик своими руками.
Форум РадиоКот
Здесь можно немножко помяукать :)

Текущее время: Чт дек 18, 2025 12:02:42

Часовой пояс: UTC + 3 часа


ПРЯМО СЕЙЧАС:



Начать новую тему Ответить на тему  [ Сообщений: 2145 ]  1, , , , ...  
Автор Сообщение
Не в сети
 Заголовок сообщения: Радиоуправляемый кораблик своими руками.
СообщениеДобавлено: Пн сен 04, 2017 15:51:20 
Друг Кота

Карма: -1
Рейтинг сообщений: 86
Зарегистрирован: Вт мар 13, 2012 12:16:13
Сообщений: 8876
Откуда: .ru
Рейтинг сообщения: 2
Продолжаем собирать радиоуправляемый кораблик. Часть 4.

Введение (кратко):

Часть 1.
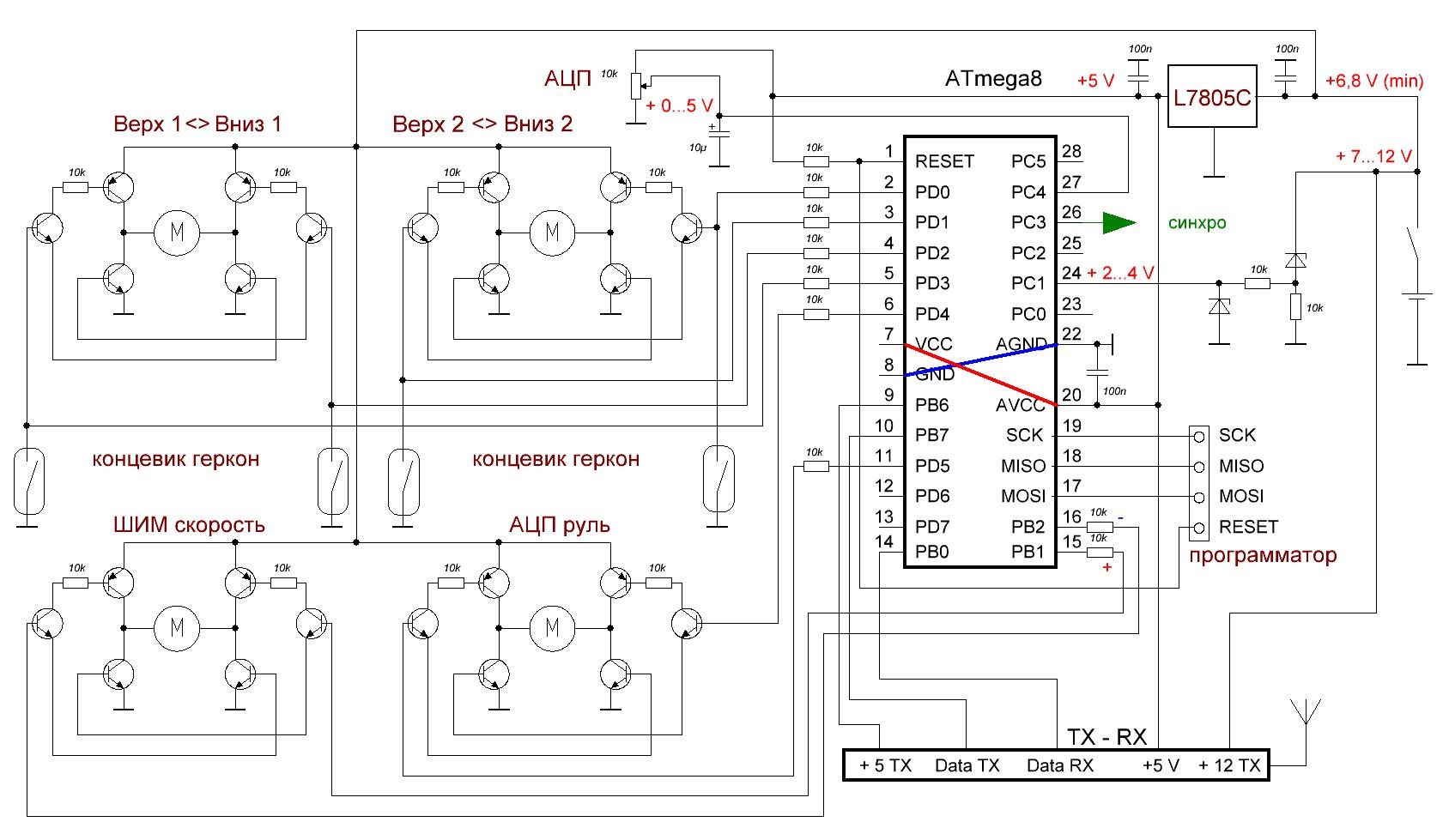
В первой части мы собирали радиоуправляемый кораблик на самодельных радиомодулях (27 МГц). Вариант от MASIK:
Вложение:

Вложение:

Вложение:

Вложение:

Вложение:
схема пульта.JPG [173.71 KiB]
Скачиваний: 2307

Вложение:
схема кораблика.jpg [174.91 KiB]
Скачиваний: 2816

Протокол передачи использовали стандартный: PCM-256 http://www.rcdesign.ru/articles/radio/ppm_pcm С телеметрией.
Вложение:
протокол передачи PCM-256.jpg [180.4 KiB]
Скачиваний: 2183

Осциллограмы приёмника.
Вложение:

Вринципе всё работает. Только 27 МГц имеет свои недостатки... переислять можно долго.))

Часть 2.
Во второй части мы заменили самодельные радиомодули на заводские - FS1000A на 430мГц. Вариант от копеин:
(Правда копеин собирал радиоуправляемую машинку, но эту же схему можно использовать и для кораблика. Разницы нет.)
Вложение:
FS1000A на 430мГц.jpg [159.13 KiB]
Скачиваний: 1986

Вринципе всё работает. Только 430мГц тоже имеет свои недостатки... перечислять можно долго.)) Например на частоте 430мГц работают все автосигнализации... брелки и т.д. Да и сами модули не отличаются высокими параметрами.

Часть 3.
Во третей части мы заменили радиомодули FS1000A (433мГц) на более современные: nRF24L01+(2,4 ГГц). Вариант от sashamelja:
Вариант для коллекторного двигателя (видео) - https://www.youtube.com/watch?v=8DyU3NnTP60
Пробный заплыв (видео) - https://www.youtube.com/watch?v=9ZNRTM8qY5M

Так же есть вариант для бесколлекторника. Вариант от koka5555:
Тест бесколлекторника (видео) - https://yadi.sk/d/BSeUDfZ93EZeQU?force_show=1

Всё работает. Только не нравится светодиодная индикация на пульте. Поэтому решили заменить светодиоды на LCD экранчик.

Часть 4.
alexandr71 уже начал собирать новую версию на Nokia 5110 LCD экранчике:
http://img.radiokot.ru/files/89158/medi ... bcyr0a.JPG
http://img.radiokot.ru/files/89158/medi ... b96o16.JPG
http://img.radiokot.ru/files/89158/medi ... se8ee1.JPG
Пока не доделал...

Новая версия:
Вложение:
nRF24L01+ Nokia 5110 LCD - версия 1.rar [623.07 KiB]
Скачиваний: 1161

P.S. Во всех версиях используется стандартный: PCM-256 http://www.rcdesign.ru/articles/radio/ppm_pcm С телеметрией.
Вложение:
PCM-256.jpg [150.85 KiB]
Скачиваний: 1622

Добавляются только новые функции, но сам принцип работы у всех схем одинаковый.

Продолжаются работы по доработке программного обеспечения кораблика (дополнительный функции и т.д.). Поэтому принимаются любые замечания, пожелания, критика ... и т.д.)) :tea:


Вернуться наверх
 
Не в сети
 Заголовок сообщения: Re: Радиоуправляемый кораблик своими руками.
СообщениеДобавлено: Вт сен 05, 2017 12:48:18 
Друг Кота

Карма: -1
Рейтинг сообщений: 86
Зарегистрирован: Вт мар 13, 2012 12:16:13
Сообщений: 8876
Откуда: .ru
Рейтинг сообщения: 2
А для любителей программирования добавим исходники))
Вложение:
nRF24L01+ Nokia 5110 LCD - версия 2.rar [642.3 KiB]
Скачиваний: 1067

Впринципе работает и так, но наверное лучше бы заменить МК в кораблике. Например вместо ATmega8 поставить ATmega88. Отличие в том, что у ATmega88 больше таймеров, а значит можно подключить больше устройств (например движков). И можно использовать аппаратный SPI, что повысит скорость связи в ~20 раз)) Можно ещё добавить кнопки, если например заменить МК например на ATmega16. Можно ещё добавить серво (до 8 штук на один МК). Можно много чего ещё..)) Не знаю, нужен ли вообще тахометр... датчик тока... и т.д. Лишнее можно убрать.


Вернуться наверх
 
Не в сети
 Заголовок сообщения: Re: Радиоуправляемый кораблик своими руками.
СообщениеДобавлено: Пт сен 08, 2017 23:23:58 
Друг Кота

Карма: -1
Рейтинг сообщений: 86
Зарегистрирован: Вт мар 13, 2012 12:16:13
Сообщений: 8876
Откуда: .ru
Рейтинг сообщения: 0
А если выкинуть "всё лишнее", то из кораблика получится простенький пульт на кнопочках))
Вложение:
пульт - 2.rar [32.46 KiB]
Скачиваний: 1086

Пусть тут валяется. Может потом пригодится...


Вернуться наверх
 
Не в сети
 Заголовок сообщения: Re: Радиоуправляемый кораблик своими руками.
СообщениеДобавлено: Вт сен 12, 2017 17:14:42 
Друг Кота

Карма: -1
Рейтинг сообщений: 86
Зарегистрирован: Вт мар 13, 2012 12:16:13
Сообщений: 8876
Откуда: .ru
Рейтинг сообщения: 0
чуть подкрутили))
Вложение:
пульт - 3.rar [32.32 KiB]
Скачиваний: 988


Вернуться наверх
 
Эиком - электронные компоненты и радиодетали
Не в сети
 Заголовок сообщения: Re: Радиоуправляемый кораблик своими руками.
СообщениеДобавлено: Чт сен 14, 2017 05:08:41 
Друг Кота
Аватар пользователя

Карма: 75
Рейтинг сообщений: 621
Зарегистрирован: Ср дек 24, 2008 09:58:58
Сообщений: 3764
Рейтинг сообщения: 4
Медали: 3
Мявтор 1-й степени (1) Мявтор 2-й степени (1) Мявтор 3-й степени (1)
Для информации посмотрите на только что опубликованный аналогичный проект управления корабликом:
http://cxem.net/uprav/uprav100.php


Вернуться наверх
 
Не в сети
 Заголовок сообщения: Re: Радиоуправляемый кораблик своими руками.
СообщениеДобавлено: Пт сен 15, 2017 12:38:36 
Друг Кота

Карма: -1
Рейтинг сообщений: 86
Зарегистрирован: Вт мар 13, 2012 12:16:13
Сообщений: 8876
Откуда: .ru
Рейтинг сообщения: 0
http://cxem.net/uprav/uprav100.php Да, интересно)) Только есть замечания к программной части... Я бы переделал.


Вернуться наверх
 
Не в сети
 Заголовок сообщения: Re: Радиоуправляемый кораблик своими руками.
СообщениеДобавлено: Сб сен 23, 2017 15:04:49 
Друг Кота

Карма: -1
Рейтинг сообщений: 86
Зарегистрирован: Вт мар 13, 2012 12:16:13
Сообщений: 8876
Откуда: .ru
Рейтинг сообщения: 0
На схеме вывод перепутан.. никто и не заметил)) Ну и ладно.. Зато есть новая версия.
Вложение:
nRF24L01-Nokia 5110-версия 3.rar [640.15 KiB]
Скачиваний: 1004

Всё-таки в кораблик надо поставить МК попроще - типа ATmega48, а то ATmega8 для кораблика слишком "жирно" )) :tea:


Вернуться наверх
 
Не в сети
 Заголовок сообщения: Re: Радиоуправляемый кораблик своими руками.
СообщениеДобавлено: Вт сен 26, 2017 19:56:06 
Говорящий с текстолитом
Аватар пользователя

Карма: 4
Рейтинг сообщений: 86
Зарегистрирован: Пт янв 20, 2012 16:25:02
Сообщений: 1565
Рейтинг сообщения: 0
roman.com я с тобой не согласен ATmega8 золотая середина,а вот куда Масик пропал у нево два месяца назад был почти доделаный проэкт с дисплеем, ждем МАСИКА :tea:

_________________
И опыт сын ошибок трудных и гений парадоксов друг


Вернуться наверх
 
Не в сети
 Заголовок сообщения: Re: Радиоуправляемый кораблик своими руками.
СообщениеДобавлено: Ср сен 27, 2017 19:14:58 
Друг Кота

Карма: -1
Рейтинг сообщений: 86
Зарегистрирован: Вт мар 13, 2012 12:16:13
Сообщений: 8876
Откуда: .ru
Рейтинг сообщения: 0
да пи чём тут золотая середина.. МК надо выбирать в зависимости от задач.
В твой кораблик на светодиодах можно поставить ATmega48, потому что дешевле))
Если путь с экранчиком, то нужно ATmega8, потому что у ATmega8 больше памяти (для экранчика надо много памяти).
В кораблик лучше ставить ATmega48 потому, что ATmega48 дешевле и у её больше таймеров для разных двигателей.
А если будем управлять корабликом по Wi-Fiб то лучше Atmega168 или Atmega328, потому что больше памяти...
http://www.ab-log.ru/page.php?Cs=1&ID=112
и т.д. и т.п. ))

от МАСИК похоже так и не дождёмся кораблика)) :dont_know:


Вернуться наверх
 
Не в сети
 Заголовок сообщения: Re: Радиоуправляемый кораблик своими руками.
СообщениеДобавлено: Вт окт 31, 2017 20:43:27 
Друг Кота

Карма: -1
Рейтинг сообщений: 86
Зарегистрирован: Вт мар 13, 2012 12:16:13
Сообщений: 8876
Откуда: .ru
Рейтинг сообщения: 0
что-то наш кораблик заглох)) Появлась новая идея.. А что если управление нашего кораблика сделать по Ethernet ( https://ru.wikipedia.org/wiki/Ethernet ). Тогда пожно управлять и по Wi-Fi.. ))


Вернуться наверх
 
Не в сети
 Заголовок сообщения: Re: Радиоуправляемый кораблик своими руками.
СообщениеДобавлено: Вт окт 31, 2017 20:54:00 
Грызет канифоль

Карма: 5
Рейтинг сообщений: 2
Зарегистрирован: Пн авг 12, 2013 21:24:55
Сообщений: 291
Рейтинг сообщения: 0
Подожди немного, как белые мухи полетят так и начнем. От постройки кораблика пока еще не отказался. Скоро начнем ТРЕТИЙ сезон. :)) :shock: :beer:


Вернуться наверх
 
Не в сети
 Заголовок сообщения: Re: Радиоуправляемый кораблик своими руками.
СообщениеДобавлено: Чт ноя 23, 2017 18:15:47 
Говорящий с текстолитом
Аватар пользователя

Карма: 4
Рейтинг сообщений: 86
Зарегистрирован: Пт янв 20, 2012 16:25:02
Сообщений: 1565
Рейтинг сообщения: 0
Привет всем кто в теме,я хочу начать новый проект если канечно роман.ком не против?
1 меняем микросхемы на атмега128(для того чтобы оставить светодиоды и прикрутить такой экранчик ST7920,+ мои задумки нащот сигнализатора клева, ну и канечно ради увиличения памяти,хотелось бы менюху с кучей настроек
2 На кораблике по сути я нечего бы не трогал физичиски
3 Ради упрощения собирания проекта,микрухи будут на панельных Fqtp64 tu Dip, будем травить только плату разширения,задействуем только те выводы которые нужны типа ардуино,можно даже на макетных платах что с кучей дырок перемычками
4 схему рисуем по максимуму понятную типа как последняя
5 по программе за сезон проблем необнаружено ,начинаем с моей последней.

_________________
И опыт сын ошибок трудных и гений парадоксов друг


Вернуться наверх
 
Не в сети
 Заголовок сообщения: Re: Радиоуправляемый кораблик своими руками.
СообщениеДобавлено: Пт ноя 24, 2017 14:56:48 
Друг Кота

Карма: -1
Рейтинг сообщений: 86
Зарегистрирован: Вт мар 13, 2012 12:16:13
Сообщений: 8876
Откуда: .ru
Рейтинг сообщения: 0
атмега128 ( http://www.atmel.com/Images/doc2467.pdf ) для простого кораблика? )) Помоему слишком жирно)) Ставить ATmega128 имеет смысл, если например управлять корабликом по интернету... через браузер ПК)) http://we.easyelectronics.ru/electro-an ... i-cgi.html

ST7920 - устаревший экранчик... большой, тяжёлый, не красивый.... у меня такого нет. Это надо искать, заказывать...
https://yandex.ua/images/search?text=st ... age&lr=143
Сейчас у нас в схеме стоит простой экранчик от телефона
https://yandex.ua/images/search?img_url ... age&lr=143
Можно выковырять из старого телефона... )) https://yandex.ua/images/search?img_url ... age&lr=143
Можно и не выковыривать.. а переделать сам телефон под пульт.)) Управление на кнопочках (вместо джойстиков). ...
Или выпилить самодельный корпус.. )) http://surfingbird.ru/surf/eZ070c553 http://nibler.ru/23522-sotovyy-telefon- ... ukami.html

Если заказывать, то уже лучше посовременней)) https://yandex.ua/images/search?text=TF ... age&lr=143

Вообще.. надо выбирать детали доступные всем. Простую мегу, экранчик, радиомодуль... и т.д. то, что можно найти на любом рынке или например выковырять из старых телефонов, а не ждать спец. заказ))
Вообще.. можно поставить любую мегу. Принцип работы у всех одинаковый)) Сигнализатора клева подключается к простой атмега8 )) Менюху с кучей настроек ? Какие нужны настройки? Мож будет достаточно атмега8 или атмега16 (выводов больше).

Кстати ... есть ATmega128RFA1, дополненной высокоскоростным РЧ трансивером ISM-диапазона 2.4ГГц. http://www.atmel.com/images/atmel-8266- ... asheet.pdf
Только мощность передатчика маленькая.. дальность несколько десятков метров)) https://tomsk.terraelectronica.ru/product/612952


Вернуться наверх
 
Не в сети
 Заголовок сообщения: Re: Радиоуправляемый кораблик своими руками.
СообщениеДобавлено: Пт ноя 24, 2017 19:24:10 
Говорящий с текстолитом
Аватар пользователя

Карма: 4
Рейтинг сообщений: 86
Зарегистрирован: Пт янв 20, 2012 16:25:02
Сообщений: 1565
Рейтинг сообщения: 0
Меня все устраевает в управлении,модуль карабля не трогаем вобще там все хорошо(оставляем печатку и мегу 8)
Ну а пульт меняем все схему,печатку,микросхему так чтоби память,и портов било с запасом микросхему паяем в дип адаптер ну а дип адаптер на макетную плату задействуя нужные штирьки (тем самым можно что угодно менять не переделивая плату) атмега 128 на тао бао 0.6дол я заказал пару буду делать gsm сигналку в гараж нашол один заманчивый проект от туда и екран ST7920 4дол
Придлагай любой екран большой,простой,недорогой,чтобы тебе било просто ево внедрить,екран от нокии очень маленький
Я хочу чтобы на екране было много места+возможность графики например рисунок караблика,самальота,квадрика,машинки,сигнализатора и каждый режим со своими настройками и это все изменялось в меню пульта(шим,угли сервы,кнопки,итд итп+микросхему времени)
Радио модули работают прекрасно,и вобще без збоев как в цэлом и алгоритм програмы ,стики для управления очень удобно и практично
На левом стике вперет и назат+переключ батареи на правом лево право пигруз(туда на одной батарейке назат на другой)гдето десять рыбалок друганы в шоке проблем никаких удобно практично ну и дешыво с выгрузкой тоже проблем нету,драйвер на релюхе тоже норм но только транзистор поставим мосфет чтобы отыграть пропавший вольт
Предлагай микросхему и екранчик будем делать круче чем у всех остальных похожых проэктах,самое главное чо у нас есть обкатаный алгоритм в реальных условиях чего нету у остальных

_________________
И опыт сын ошибок трудных и гений парадоксов друг


Вернуться наверх
 
Не в сети
 Заголовок сообщения: Re: Радиоуправляемый кораблик своими руками.
СообщениеДобавлено: Сб ноя 25, 2017 12:50:55 
Друг Кота

Карма: -1
Рейтинг сообщений: 86
Зарегистрирован: Вт мар 13, 2012 12:16:13
Сообщений: 8876
Откуда: .ru
Рейтинг сообщения: 0
sashamelja писал(а):
микросхему паяем в дип адаптер

конкретно с мега128 я не работал. Но суть таже)) перенести на с меги8 на мегу128 не проблема)) я не видел меги128 в дип корпусе... всё что больше 40 выводов идёт в TQFP корпусе. Можно только МК спаять на отдельной плате и вставить в основную.. типа так
Вложение:
i.jpg [126.3 KiB]
Скачиваний: 1546

ну тогда рисуй схему... К меги можно кучу всего подключить
Вложение:
4_1.jpg [195.5 KiB]
Скачиваний: 1054

Экран у меня только от нокиа... других пока нет)) Как найду поменяю на другой (большой экран - самая дорогая часть схемы).
Ну поставь несколько от нокиа)) будет приборная панель... К одному МК можно подключать много дисплеев, причём разных и все будут работать одновременно))
Вложение:
2.jpg [91.28 KiB]
Скачиваний: 1581

Вложение:
3_1.jpg [67.44 KiB]
Скачиваний: 1411

и т.д. ))
sashamelja писал(а):
у нас есть обкатаный алгоритм

Вообще алгоритм стандартный)) А где твоя схема... уже не помню... последняя схема с выгрузкой на сервах...


Вернуться наверх
 
Не в сети
 Заголовок сообщения: Re: Радиоуправляемый кораблик своими руками.
СообщениеДобавлено: Сб ноя 25, 2017 14:35:13 
Говорящий с текстолитом
Аватар пользователя

Карма: 4
Рейтинг сообщений: 86
Зарегистрирован: Пт янв 20, 2012 16:25:02
Сообщений: 1565
Рейтинг сообщения: 0
Нащот микросхемы ты в точку так как я и хочу
Нащот екрана я перелопатил все что можна я ненашол альтернативы,ST7920 4дол большой,недорогой,примитивная графика.

Добавлено after 3 minutes 25 seconds:
https://drive.google.com/file/d/0B8XIrC ... JURGc/view

Добавлено after 5 minutes 48 seconds:
В архиве все есть эта точка на каторой я остановился и с каторой хочу начать новый проэкт с экраном.
Масика проэкт пусть живёт своей отдельной жизнью.
Мне он не подходит,и в нем много лишнего на мой взгляд.

_________________
И опыт сын ошибок трудных и гений парадоксов друг


Вернуться наверх
 
Не в сети
 Заголовок сообщения: Re: Радиоуправляемый кораблик своими руками.
СообщениеДобавлено: Сб ноя 25, 2017 16:33:42 
Друг Кота

Карма: -1
Рейтинг сообщений: 86
Зарегистрирован: Вт мар 13, 2012 12:16:13
Сообщений: 8876
Откуда: .ru
Рейтинг сообщения: 0
ST7920... http://www.lcd-module.de/eng/pdf/zubeho ... hinese.pdf

Nokia 5110 84х48 (84x6строк=504 байт). - Схема отлажена.
Вложение:
LCD128x64.jpg [38.59 KiB]
Скачиваний: 1405

ST7920 128х64 (128x8строк=1024 байт). - Пульт потянет)) Проблема в другом - очень трудно отлаживать экранчик, не имея его под рукой. Результат не гарантируется))


Вернуться наверх
 
Не в сети
 Заголовок сообщения: Re: Радиоуправляемый кораблик своими руками.
СообщениеДобавлено: Сб ноя 25, 2017 16:52:32 
Грызет канифоль

Карма: 5
Рейтинг сообщений: 2
Зарегистрирован: Пн авг 12, 2013 21:24:55
Сообщений: 291
Рейтинг сообщения: 0
sashamelja писал(а):
Масика проэкт пусть живёт своей отдельной жизнью.
Мне он не подходит,и в нем много лишнего на мой взгляд.

Мой проект гораздо проще, Роман делал для ВСЕХ не для меня и не под меня и все лежит в открытом доступе. Хоте последний проект на светодиодах делался под Вас sashamelja . Просто если делать для Всех то нужно учесть два вида корпусов и минимальный набор функций и опций для управления корабликом не взирая на корпус. Моих проектов нет все они Романа, я не пишу программы у меня ума не хватает. Мне хватит 6 дискретных команд, 2- вперед-назад, 2-вправо-влево, 2 для выгрузки. Мне хватит того что есть я могу адаптировать что угодно под то что мне нужно. Для моего варианта хватит меги 8 в дип28 и экрана от нокиа 5110, только его надо немного упростить, и оставить только не обходимые функции

sashamelja писал(а):
1 меняем микросхемы на атмега128(для того чтобы оставить светодиоды и прикрутить такой экранчик ST7920,+ мои задумки нащот сигнализатора клева, ну и канечно ради увиличения памяти,хотелось бы менюху с кучей настроек

На счет сигнализаторов клева на пульте кораблика как по мне это лишнее. Получается когда кораблик на берегу нужно смотреть на пульт от кораблика, тогда на сигнализаторе нужно выковырять светодиоды и вытащить пищалку, и тогда зачем их ставить.
Хотел предложить упрощенный вариант, ну да ладно занимайтесь своим проектом.


Вернуться наверх
 
Не в сети
 Заголовок сообщения: Re: Радиоуправляемый кораблик своими руками.
СообщениеДобавлено: Сб ноя 25, 2017 18:13:05 
Друг Кота

Карма: -1
Рейтинг сообщений: 86
Зарегистрирован: Вт мар 13, 2012 12:16:13
Сообщений: 8876
Откуда: .ru
Рейтинг сообщения: 0
MASIK писал(а):
я не пишу программы у меня ума не хватает.

за столько времени.. ты ещё не разобрался в МК ? )) Ну вот... а ещё Главный инженер проекта...)) :dont_know:
MASIK писал(а):
когда кораблик на берегу нужно смотреть на пульт от кораблика

Не нужно. Есть звуковая сигнализация. Пульт сам всё сообщит))
MASIK писал(а):
занимайтесь своим проектом.

А я предупреждал... проект "кораблик" - большой проект))
Конечная цель проекта "кораблик" - разработка SCADA-систем https://ru.wikipedia.org/wiki/SCADA :))) :beer:


Вернуться наверх
 
Не в сети
 Заголовок сообщения: Re: Радиоуправляемый кораблик своими руками.
СообщениеДобавлено: Сб ноя 25, 2017 18:47:24 
Говорящий с текстолитом
Аватар пользователя

Карма: 4
Рейтинг сообщений: 86
Зарегистрирован: Пт янв 20, 2012 16:25:02
Сообщений: 1565
Рейтинг сообщения: 0
Теска без обид,унас ну очень разные виденье конечного результата.

Добавлено after 14 minutes 21 second:
Все нужное для нового проекта будет где-то через 3 недели,если не что-то не пойдет не беда будит gsm-сигналка
http://sxem.org/2-vse-stati/17-avtomati ... alizatsiya

_________________
И опыт сын ошибок трудных и гений парадоксов друг


Вернуться наверх
 
Показать сообщения за:  Сортировать по:  Вернуться наверх
Начать новую тему Ответить на тему  [ Сообщений: 2145 ]  1, , , , ...  

Часовой пояс: UTC + 3 часа


Кто сейчас на форуме

Сейчас этот форум просматривают: нет зарегистрированных пользователей и гости: 23


Вы не можете начинать темы
Вы не можете отвечать на сообщения
Вы не можете редактировать свои сообщения
Вы не можете удалять свои сообщения
Вы не можете добавлять вложения

Найти:
Перейти:  


Powered by phpBB © 2000, 2002, 2005, 2007 phpBB Group
Русская поддержка phpBB
Extended by Karma MOD © 2007—2012 m157y
Extended by Topic Tags MOD © 2012 m157y