Например TDA7294

Форум РадиоКот • Просмотр темы - Приёмник на Arduno пропускает биты
Форум РадиоКот
Здесь можно немножко помяукать :)

Текущее время: Чт дек 25, 2025 09:56:42

Часовой пояс: UTC + 3 часа


ПРЯМО СЕЙЧАС:



Начать новую тему Ответить на тему  [ Сообщений: 8 ] 
Автор Сообщение
Не в сети
 Заголовок сообщения: Приёмник на Arduno пропускает биты
СообщениеДобавлено: Ср мар 22, 2023 17:29:30 
Родился

Зарегистрирован: Ср мар 22, 2023 17:03:57
Сообщений: 3
Рейтинг сообщения: 0
Добрый день, решил я значит спроектировать приёмник для передачи информации при помощи светодиода. Проблема в следующем, прикупил я готовый усилитель тока для фотодиода TBA 2800, собрал схему, указанную в даташите, Снимаю сигнал с осциллографа, сигнал нормальный, снимаю сигнал на Arduino, он просто пропускает биты или их не видит. В чем может быть проблема? Я уже прошерстил интернет, посмотрел похожие статьи на этом сайте, но решение проблемы так и не нашел. Саму схему я проэкранировал, менял частоты приема, ардуинка все равно проглатывает биты. Я уже грешу на микросхему усилителя, в ней присутствует "интеллектуальная" фильтрация от шума, возможно она частично воспринимает сигнал, как шум. Самая микросхема, как черный ящик, указаны лишь немногие элементы. Кто-нибудь работал с данной микросхемой или сталкивался с подобной проблемой?
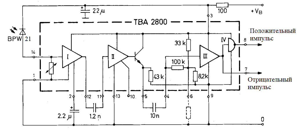
Фотодиод: BPW 21
Усилитель тока: TBA 2800


Вернуться наверх
 
Не в сети
 Заголовок сообщения: Re: Приёмник на Arduno пропускает биты
СообщениеДобавлено: Ср мар 22, 2023 17:48:36 
Друг Кота

Карма: 49
Рейтинг сообщений: 547
Зарегистрирован: Чт фев 20, 2014 18:57:55
Сообщений: 19492
Рейтинг сообщения: 0
Если вы говорите, что сигнал нормальный - значит он нормальный или вы все таки не уверены (фильтрация шума) ? Без оптики, напрямую та же ардуина не пропускает биты ? О каких частотах и скоростях речь ? Сигнал передается с модуляцией или прям светит = 1, не светит = 0 ? Какое то кодирование применяется ? Манчестер там или еще чего, старт/стоп биты как в UART ?

_________________
"Вся военная пропаганда, все крики, ложь и ненависть исходят от людей, которые на эту войну не пойдут !" / Джордж Оруэлл /
"Война - это,когда за интересы других,гибнут совершенно безвинные люди." / Уинстон Черчилль /


Вернуться наверх
 
Не в сети
 Заголовок сообщения: Re: Приёмник на Arduno пропускает биты
СообщениеДобавлено: Ср мар 22, 2023 18:27:45 
Мудрый кот

Карма: 25
Рейтинг сообщений: 494
Зарегистрирован: Сб май 05, 2012 20:24:52
Сообщений: 1814
Откуда: KN34PC, Болгария
Рейтинг сообщения: 0
Ел. схема, программный код, фото ... полученные сигналы, ожидаемые сигналы?


Вернуться наверх
 
Не в сети
 Заголовок сообщения: Re: Приёмник на Arduno пропускает биты
СообщениеДобавлено: Ср мар 22, 2023 19:05:02 
Родился

Зарегистрирован: Ср мар 22, 2023 17:03:57
Сообщений: 3
Рейтинг сообщения: 0
Если вы говорите, что сигнал нормальный - значит он нормальный или вы все таки не уверены (фильтрация шума) ? Без оптики, напрямую та же ардуина не пропускает биты ? О каких частотах и скоростях речь ? Сигнал передается с модуляцией или прям светит = 1, не светит = 0 ? Какое то кодирование применяется ? Манчестер там или еще чего, старт/стоп биты как в UART ?

Пробовал частоты 75 кГц, затем 10 кГц, на 75 кГц наблюдаются завалы (скорее всего из-за внутренних компонент схемы), без оптики все работает, модуляция(манипуляция) амплитудная, кодирую кодом Хэмминга(7,4) для повышенной помехозащищенности. Код приёмника скину ниже

Добавлено after 7 minutes 59 seconds:
Ел. схема, программный код, фото ... полученные сигналы, ожидаемые сигналы?

Код ниже
#include <Hamming.h>
#include <SoftwareSerial.h>
SoftwareSerial Uart(3, 0);
Hamming<5> Hamm;
#define Size 124

void setup()
{
Uart.begin(74880);
Serial.begin(74880);
Uart.setTimeout(100);
}

void loop()
{
while(!Uart.available());
String Data = Uart.readString();
byte Bytes[Data.length()];
for (int i = 0; i < Data.length(); i++)
Bytes = Data[i];
Hamm.unpack(Bytes,Size);
Serial.print((char*)Hamm.buffer);
}


Фотографии схемы и полученного сигнала ниже

Добавлено after 7 minutes 44 seconds:
Фото осциллограмм на выходе и скриншоты осциллограмм на ардуино ниже


Вложения:
Комментарий к файлу: На Arduino синим-принимаемый сигнал, красным-передаваемый сигнал.
Данные на ардуино.png [59.86 KiB]
Скачиваний: 39
Комментарий к файлу: Осциллограмма на выходе
Картинки на выходе.png [233.44 KiB]
Скачиваний: 38
Комментарий к файлу: Схема
Общая функциональная схема TBA2800.png [54.1 KiB]
Скачиваний: 44
Вернуться наверх
 
Эиком - электронные компоненты и радиодетали
Не в сети
 Заголовок сообщения: Re: Приёмник на Arduno пропускает биты
СообщениеДобавлено: Ср мар 22, 2023 19:15:14 
Друг Кота
Аватар пользователя

Карма: 96
Рейтинг сообщений: 1494
Зарегистрирован: Вт мар 16, 2010 22:02:27
Сообщений: 15322
Откуда: ДОНЕЦК
Рейтинг сообщения: 0
Для подобных целей надо применять чего-то типа
Вложение:
TSOP48.PDF [145.24 KiB]
Скачиваний: 43

или
Вложение:
BRM-1020.pdf [365.64 KiB]
Скачиваний: 30

схема примерно такая:
https://img.radiokot.ru/files/20529/r2u6lo2fd.GIF
https://img.radiokot.ru/files/20529/dns5ggdj3.jpg
когда-то подготовил "на поиграться" - да так пока и не занимался...
:sleep:


Вернуться наверх
 
Не в сети
 Заголовок сообщения: Re: Приёмник на Arduno пропускает биты
СообщениеДобавлено: Ср мар 22, 2023 19:21:59 
Мудрый кот

Карма: 25
Рейтинг сообщений: 494
Зарегистрирован: Сб май 05, 2012 20:24:52
Сообщений: 1814
Откуда: KN34PC, Болгария
Рейтинг сообщения: 0
Arduino какое и какой кварцевый резонатор? Разве не быстро для SoftSerial? Почему бы не использовать аппаратный?


Вернуться наверх
 
Не в сети
 Заголовок сообщения: Re: Приёмник на Arduno пропускает биты
СообщениеДобавлено: Ср мар 22, 2023 19:44:25 
Родился

Зарегистрирован: Ср мар 22, 2023 17:03:57
Сообщений: 3
Рейтинг сообщения: 0
Для подобных целей надо применять чего-то типа
Вложение:
TSOP48.PDF

или
Вложение:
BRM-1020.pdf

схема примерно такая:
https://img.radiokot.ru/files/20529/r2u6lo2fd.GIF
https://img.radiokot.ru/files/20529/dns5ggdj3.jpg
когда-то подготовил "на поиграться" - да так пока и не занимался...
:sleep:

Я решил поизвращаться и собрать приёмник и передатчик Li-Fi на видимом свете :solder:
А не знаете, есть ли что-то подобное для диапазона 500-800 нм?
И если не секрет, для чего нужны на схеме два элемента 561ЛА7?

Добавлено after 14 minutes 30 seconds:
Arduino какое и какой кварцевый резонатор? Разве не быстро для SoftSerial? Почему бы не использовать аппаратный?

Arduino UNO, кварц на 16 МГц, а на счет SoftSerial, на сколько мне не изменяет память, при использовании нескольких программных последовательных портов только один из них может получать данные одновременно со скоростью до 115200 бот/с


Вернуться наверх
 
Не в сети
 Заголовок сообщения: Re: Приёмник на Arduno пропускает биты
СообщениеДобавлено: Ср мар 22, 2023 20:07:30 
Друг Кота
Аватар пользователя

Карма: 96
Рейтинг сообщений: 1494
Зарегистрирован: Вт мар 16, 2010 22:02:27
Сообщений: 15322
Откуда: ДОНЕЦК
Рейтинг сообщения: 0
Выравнивание интервала задержки (изврат).
8)


Вернуться наверх
 
Показать сообщения за:  Сортировать по:  Вернуться наверх
Начать новую тему Ответить на тему  [ Сообщений: 8 ] 

Часовой пояс: UTC + 3 часа


Кто сейчас на форуме

Сейчас этот форум просматривают: Муркиз и гости: 29


Вы не можете начинать темы
Вы не можете отвечать на сообщения
Вы не можете редактировать свои сообщения
Вы не можете удалять свои сообщения
Вы не можете добавлять вложения

Найти:
Перейти:  


Powered by phpBB © 2000, 2002, 2005, 2007 phpBB Group
Русская поддержка phpBB
Extended by Karma MOD © 2007—2012 m157y
Extended by Topic Tags MOD © 2012 m157y