Например TDA7294

Форум РадиоКот • Просмотр темы - FM+УКВ. Перестройка УКВ приемников.
Форум РадиоКот
Здесь можно немножко помяукать :)

Текущее время: Вт дек 30, 2025 17:21:43

Часовой пояс: UTC + 3 часа


ПРЯМО СЕЙЧАС:



Начать новую тему Ответить на тему  [ Сообщений: 786 ]     ... , , , 33, , , ...  
Автор Сообщение
Не в сети
 Заголовок сообщения: Re: FM+УКВ. Перестройка УКВ приемников.
СообщениеДобавлено: Вт апр 20, 2021 09:05:04 
Встал на лапы
Аватар пользователя

Зарегистрирован: Пн июл 25, 2016 11:24:33
Сообщений: 103
Откуда: Набережные Челны
Рейтинг сообщения: 0
Здравствуйте как можно построить диапазон с 74-64 на фм


Схема совершенно не читается. Нет марки приемника. Похоже, блок на К237ХА5. Если я читаю схему правильно(насколько это видно), параллельно варикапам конденсаторы не подключены(к одному подключен подстроечник, со вторым -непонятно - вроде тоже подключен параллельный конденсатор - нужна нормальная схема). Это означает, что при заданных пределах изменения напряжения настройки, полный диапазон ФМ вы не получите. Либо надо изменить пределы управляющих напряжений, либо заменить варикапы. Если перестраиваться на центр диапазона и смириться с неполным диапазоном, надо уменьшить количество витков катушек. Начинать надо с гетеродина. Где гетеродинная катушка - по схеме не видно - смотрите по даташиту микросхемы. Частота настройки контура, при неизменной емкости примерно пропорциональна количеству витков катушки. 100/70=~1,42. Т.е. при уменьшении количества витков катушек в 1,42 раза данный блок, при тех же напряжениях настройки, будет принимать в районе 96-103 МГц.

_________________
Основное правило электробезопасности: Если видите торчащие оголенные концы, руками не трогайте...


Вернуться наверх
 
Не в сети
 Заголовок сообщения: Re: FM+УКВ. Перестройка УКВ приемников.
СообщениеДобавлено: Вт апр 20, 2021 10:23:51 
Друг Кота
Аватар пользователя

Карма: 107
Рейтинг сообщений: 3311
Зарегистрирован: Сб фев 11, 2017 15:59:13
Сообщений: 14822
Откуда: 57 RUS
Рейтинг сообщения: 0
werwolf_ писал(а):
Вот схема
СпойлерИзображение

Схема толком нечитаема, озвучте модель аппарата.

_________________
НАРОДОВЛАСТИЕ а не дерьмократия!!!
Суверенным и независимым может считаться только то государство, против которого англосаксонские разносчики кланово-олигархической дерьмократии и еврогейских "ценностей" со своими пособниками ввели санкции!


Вернуться наверх
 
Не в сети
 Заголовок сообщения: Re: FM+УКВ. Перестройка УКВ приемников.
СообщениеДобавлено: Вт апр 20, 2021 15:09:15 
Открыл глаза

Зарегистрирован: Чт дек 13, 2018 20:42:06
Сообщений: 49
Рейтинг сообщения: 0
Часы с приёмником электроника 25
Спойлерhttps://img.radiokot.ru/files/132876/2htkegylcu.png


Последний раз редактировалось werwolf_ Вт апр 20, 2021 15:59:45, всего редактировалось 1 раз.

Вернуться наверх
 
Не в сети
 Заголовок сообщения: Re: FM+УКВ. Перестройка УКВ приемников.
СообщениеДобавлено: Вт апр 20, 2021 15:26:58 
Вымогатель припоя
Аватар пользователя

Карма: 13
Рейтинг сообщений: 158
Зарегистрирован: Вс фев 01, 2015 08:56:13
Сообщений: 679
Откуда: елбасстан
Рейтинг сообщения: 0
То есть, знатоки должны сами искать твою схему, в норм читабельном виде, по сети? Мда.
Либо схему в студию, либо гудбай халявщик...

_________________
t.me/UN7FIL <== радиолюбительские полезности


Вернуться наверх
 
Эиком - электронные компоненты и радиодетали
Не в сети
 Заголовок сообщения: Re: FM+УКВ. Перестройка УКВ приемников.
СообщениеДобавлено: Вт апр 20, 2021 16:03:15 
Открыл глаза

Зарегистрирован: Чт дек 13, 2018 20:42:06
Сообщений: 49
Рейтинг сообщения: 0
Есть схема в нормальном виде только её сжало при заливке Вот должна быть нормальная
Спойлерhttps://img.radiokot.ru/files/132876/2htkegylcu.png


Вернуться наверх
 
Не в сети
 Заголовок сообщения: Re: FM+УКВ. Перестройка УКВ приемников.
СообщениеДобавлено: Вт апр 20, 2021 18:59:30 
Друг Кота
Аватар пользователя

Карма: 107
Рейтинг сообщений: 3311
Зарегистрирован: Сб фев 11, 2017 15:59:13
Сообщений: 14822
Откуда: 57 RUS
Рейтинг сообщения: 0
werwolf_ писал(а):
Часы с приёмником электроника 25
Спойлерhttps://img.radiokot.ru/files/132876/2htkegylcu.png

Вместо полосового УКВ фильтра L1, С1, С2, С3 собрать такую схему, с параметрами катушки, указанными на схеме, фильтр получается настроен примерно на полосу частот 88-108 МГц (FM диапазон). Подкорректировать можно сдвигая/раздвигая витки катушки.
Изображение
Далее L2 уменьшить примерно до 4,5 витка, L3 примерно до 3,5 витка, не знаю диаметр ваших катушек.
Вобщем безкаркасные катушки импортных FM приёмников имеют следующие параметры:
гетеродинная катуша 3 витка проводом диаметром 0,7 мм, намотанном на оправки диаметром 5мм, контурная 4 витка.

_________________
НАРОДОВЛАСТИЕ а не дерьмократия!!!
Суверенным и независимым может считаться только то государство, против которого англосаксонские разносчики кланово-олигархической дерьмократии и еврогейских "ценностей" со своими пособниками ввели санкции!


Вернуться наверх
 
Не в сети
 Заголовок сообщения: Re: FM+УКВ. Перестройка УКВ приемников.
СообщениеДобавлено: Вт апр 20, 2021 20:39:34 
Встал на лапы
Аватар пользователя

Зарегистрирован: Пн июл 25, 2016 11:24:33
Сообщений: 103
Откуда: Набережные Челны
Рейтинг сообщения: 0
Есть схема в нормальном виде...

По этому приемнику, похоже, нет готовой "рецептуры" настройки, поэтому все придется постигать самому.
По входной цепи согласен с предыдущим постом.
Если мучить имеющуюся схему, то надо заменить емкости - С3=10 пФ, С2=27 пФ.
L1 - уменьшить количество витков n=n(исх)*0,75
Далее.
Подстроечный конденсатор С4 заменить на 1/5 ... 2/7 пФ(или удалить).
С14 контура гетеродина удалить.
R10, R11, R12 - ставить по 2 кОм(их можно даже закоротить - при этом изменение напряжения настройки будет избыточно, но это особо мешать не должно). Это позволит уменьшить минимальное напряжение настройки. Оно должно быть не более 1,1 ... 1,2 В, иначе не удастся
перекрыть весь диапазон. (Как я понимаю, приемник имеет 3 фиксированных настройки резисторами R14, R15, R16 - больше резисторов настройки нет?)
В таком виде попробовать принять ФМ станции. Если не перекрывается верхняя часть диапазона, придется отмотать витки с катушки гетеродина L4 - со стороны
конденсатора С13. После настройки перекрытия катушкой гетеродина, настраивается катушка УВЧ(L2) по чувствительности, далее - входной контур.

_________________
Основное правило электробезопасности: Если видите торчащие оголенные концы, руками не трогайте...


Вернуться наверх
 
Не в сети
 Заголовок сообщения: Re: FM+УКВ. Перестройка УКВ приемников.
СообщениеДобавлено: Вт апр 20, 2021 21:37:04 
Открыл глаза

Зарегистрирован: Чт дек 13, 2018 20:42:06
Сообщений: 49
Рейтинг сообщения: 0
Диаметр катушек 6мм. Да он трёх програмный и больше пдстроичников нет. Завтра буду пробовать посмотрим что получтся


Вернуться наверх
 
Не в сети
 Заголовок сообщения: Re: FM+УКВ. Перестройка УКВ приемников.
СообщениеДобавлено: Пт апр 30, 2021 10:45:20 
Первый раз сказал Мяу!

Зарегистрирован: Пн мар 06, 2017 14:11:18
Сообщений: 26
Рейтинг сообщения: 0
всех приветствую, имеется приемник былина 315, на фм я перестроил, но вот незадача, порван был в нем вереньер, не могу понять как он был натянут, нет ли у кого то фото, или схемы?, те справочники по советским приемникам что попадались не имеют схемы вереньера.


Вернуться наверх
 
Не в сети
 Заголовок сообщения: Re: FM+УКВ. Перестройка УКВ приемников.
СообщениеДобавлено: Пт апр 30, 2021 10:59:19 
Друг Кота
Аватар пользователя

Карма: 107
Рейтинг сообщений: 3311
Зарегистрирован: Сб фев 11, 2017 15:59:13
Сообщений: 14822
Откуда: 57 RUS
Рейтинг сообщения: 0
Тут не смотрели, «Справочное издание автомобильная радиоприемная и звуковоспроизводящая аппаратура © издательство «радио и связь» 1987»: http://textarchive.ru/c-2732834-p24.html

_________________
НАРОДОВЛАСТИЕ а не дерьмократия!!!
Суверенным и независимым может считаться только то государство, против которого англосаксонские разносчики кланово-олигархической дерьмократии и еврогейских "ценностей" со своими пособниками ввели санкции!


Вернуться наверх
 
Не в сети
 Заголовок сообщения: Re: FM+УКВ. Перестройка УКВ приемников.
СообщениеДобавлено: Пт апр 30, 2021 11:40:05 
Первый раз сказал Мяу!

Зарегистрирован: Пн мар 06, 2017 14:11:18
Сообщений: 26
Рейтинг сообщения: 0
спасибо, посмотрел, так же как и в справочнике Белова по переносным и автомобильным радиоприемникам в основном схемы и платы.


Вернуться наверх
 
Не в сети
 Заголовок сообщения: Re: FM+УКВ. Перестройка УКВ приемников.
СообщениеДобавлено: Пт апр 30, 2021 12:24:00 
Друг Кота
Аватар пользователя

Карма: 107
Рейтинг сообщений: 3311
Зарегистрирован: Сб фев 11, 2017 15:59:13
Сообщений: 14822
Откуда: 57 RUS
Рейтинг сообщения: 0
olegek79 писал(а):
в основном схемы и платы.

А с Былина-310 кинематика веньера не совпадает? По ссылке подробное описание специфики наладки веньера с картинками:
http://www.vksn.narod.ru/auto/audio/bylina310.html

Изображение

_________________
НАРОДОВЛАСТИЕ а не дерьмократия!!!
Суверенным и независимым может считаться только то государство, против которого англосаксонские разносчики кланово-олигархической дерьмократии и еврогейских "ценностей" со своими пособниками ввели санкции!


Вернуться наверх
 
Не в сети
 Заголовок сообщения: Re: FM+УКВ. Перестройка УКВ приемников.
СообщениеДобавлено: Пт апр 30, 2021 14:12:11 
Первый раз сказал Мяу!

Зарегистрирован: Пн мар 06, 2017 14:11:18
Сообщений: 26
Рейтинг сообщения: 0
картинка не показывается, там посмотрел, не знаю быть может и похожа, я пробовал кольцом делать, с пружинкой, но проблема в том что, при настройке, шкала со стрелкой заканчивается а у вариометра еще есть свободный ход, интересная схема тоже попалась от былины 320

Изображение

http://rw6ase.narod.ru/00/awto/bylina_rp320_2.jpg

и возможно так и было, но еще на драйве попалось такое фото, на котором человек края привязал тоже не могу понять как вереньер при этом работает.

Изображение

https://www.drive2.ru/l/478066282441212454/


Вернуться наверх
 
Не в сети
 Заголовок сообщения: Re: FM+УКВ. Перестройка УКВ приемников.
СообщениеДобавлено: Вс май 02, 2021 08:35:48 
Встал на лапы
Аватар пользователя

Зарегистрирован: Пн июл 25, 2016 11:24:33
Сообщений: 103
Откуда: Набережные Челны
Рейтинг сообщения: 1
возможно так и было, но еще на драйве попалось такое фото, на котором человек края привязал тоже не могу понять как вереньер при этом работает.

Все правильно. Края(Точнее не края, а концы!) тросика должны быть привязаны. Картинка же хорошо читается. Крутишь ручку настройки до упора. Указатель настройки(стрелку) ставишь в крайнее положение, соответствующее крайнему положению ручки настойки. Натягиваешь тросик по картинке.

_________________
Основное правило электробезопасности: Если видите торчащие оголенные концы, руками не трогайте...


Вернуться наверх
 
Не в сети
 Заголовок сообщения: Re: FM+УКВ. Перестройка УКВ приемников.
СообщениеДобавлено: Вт май 11, 2021 14:06:36 
Первый раз сказал Мяу!

Зарегистрирован: Пн мар 06, 2017 14:11:18
Сообщений: 26
Рейтинг сообщения: 0
возможно так и было, но еще на драйве попалось такое фото, на котором человек края привязал тоже не могу понять как вереньер при этом работает.

Все правильно. Края(Точнее не края, а концы!) тросика должны быть привязаны. Картинка же хорошо читается. Крутишь ручку настройки до упора. Указатель настройки(стрелку) ставишь в крайнее положение, соответствующее крайнему положению ручки настойки. Натягиваешь тросик по картинке.


:cry: нипанятнАА. я вот честно не могу понять, прошу пояснения, смотрим на картинку, представляем что ручку настройки крутим в право, вереньер накручивается на ручку, он по металлическому штифту огибая его уходит вверх на пластиковый крючок, далее под стрелкой и по сути он, вереньер заканчиваеться на пеньке где намотан, т.е. у него же должна быть какая то свобода для того что бы он мог ходить!? или эта свобода как я понимаю появляется при примении пружинки, или вереньер закольцован. разве не так? ту же на фото с драйва кольца не видно. на выше фото кольцо есть.

да возможно меня вводит в заблуждение тот факт что на указателе нет усиков, наверное если их восстановить, все будет работать по схеме выше приведенной.

тогда схема с драйва не рабочая, выходит так.


Вернуться наверх
 
Не в сети
 Заголовок сообщения: Re: FM+УКВ. Перестройка УКВ приемников.
СообщениеДобавлено: Вт май 11, 2021 19:02:33 
Встал на лапы
Аватар пользователя

Зарегистрирован: Пн июл 25, 2016 11:24:33
Сообщений: 103
Откуда: Набережные Челны
Рейтинг сообщения: 1
Все же просто - во время кручения ручки тросики ползут по направляющим ручейкам(усикам) указателя настройки(Роликов там точно нет - нет под них места). Без пружины - никак, поскольку треугольники слева и справа, которые образует тросик - неодинаковые.
Схема выше принципиально не отличается от фото - просто на 2 направляющих больше и зацепы там находятся ниже. В механизме там тоже наверняка ест пружина, просто на схеме не указана.

_________________
Основное правило электробезопасности: Если видите торчащие оголенные концы, руками не трогайте...


Вернуться наверх
 
Не в сети
 Заголовок сообщения: Re: FM+УКВ. Перестройка УКВ приемников.
СообщениеДобавлено: Ср май 12, 2021 16:16:07 
Первый раз сказал Мяу!

Зарегистрирован: Пн мар 06, 2017 14:11:18
Сообщений: 26
Рейтинг сообщения: 0
ясно, я догадывался что если не кольцевая намотка то должна подтягивать пружина, меня вводили в заблуждения условия, что у меня на указателе нет усиков, и второе что у меня до меня кто то потерял пружину, от того и схема рабочей в моей голове не складывалась. спасибо, буду пробовать на указателе восстанавливать усики.


Вернуться наверх
 
Не в сети
 Заголовок сообщения: Re: FM+УКВ. Перестройка УКВ приемников.
СообщениеДобавлено: Ср окт 06, 2021 23:46:52 
Поставщик валерьянки для Кота
Аватар пользователя

Карма: 4
Рейтинг сообщений: 19
Зарегистрирован: Вс фев 14, 2010 17:55:54
Сообщений: 1925
Откуда: Ukraine,Ternopol
Рейтинг сообщения: 0
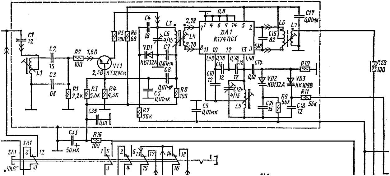
Может кто делал перестройку приемника Вега 335 укв на 88-108?
Впринципе знаю что делать,но хотелось бы почитать,но нигде не нахожу информации..как другие делали.
вх контур,изменить конденсаторы с2 с3 на меньшие.в 1,5 раза.
С4 уменьшить,в L3 изменять кол витков?
То же с С16,С18.Менять L5 кол витков?


Вложения:
335.JPG [125.5 KiB]
Скачиваний: 290
Вернуться наверх
 
Не в сети
 Заголовок сообщения: Re: FM+УКВ. Перестройка УКВ приемников.
СообщениеДобавлено: Чт окт 07, 2021 09:36:27 
Друг Кота
Аватар пользователя

Карма: 107
Рейтинг сообщений: 3311
Зарегистрирован: Сб фев 11, 2017 15:59:13
Сообщений: 14822
Откуда: 57 RUS
Рейтинг сообщения: 0
rmmp писал(а):
вх контур,изменить конденсаторы с2 с3 на меньшие.в 1,5 раза.

Уже писал много раз, вместо полосового УКВ фильтра L1, С1, С2, С3 с полосой пропускания 10 МГц, нужно собрать такую схему полосового FM фильтра с полосой пропускания 20 МГц, которая применялась во многих импортных FM приёмниках и магнитолах, так как ширина советского участка УКВ диапазона 65-74 МГ.была примерно 10 МГц.
Ширина FM диапазона 87,5-108 МГц составляет более 20 МГц.

С параметрами катушки, указанными на схеме, фильтр получается настроен примерно на полосу частот 88-108 МГц (FM диапазон). Подкорректировать можно сдвигая/раздвигая витки катушки.
Изображение
Контурную катушку уменьшить примерно до 4,5 витка, гетеродинную L5 примерно до 3,5 витков, отвод от 1,5 витка.
Безкаркасные катушки импортных FM приёмников обычно имеют следующие параметры:
гетеродинная катуша 3 витка проводом диаметром 0,7 мм, намотанном на оправки диаметром 5мм, контурная 4 витка, вот от их параметров и отталкивайтесь при перестройки на FM.
Ёмкость С4 и С16 увеличить примерно на 50%.
Ёмкость С18 (схемы АПЧГ) уменьшить примерно до 6 пкф.

_________________
НАРОДОВЛАСТИЕ а не дерьмократия!!!
Суверенным и независимым может считаться только то государство, против которого англосаксонские разносчики кланово-олигархической дерьмократии и еврогейских "ценностей" со своими пособниками ввели санкции!


Вернуться наверх
 
Не в сети
 Заголовок сообщения: Re: FM+УКВ. Перестройка УКВ приемников.
СообщениеДобавлено: Вс окт 10, 2021 16:56:29 
Встал на лапы
Аватар пользователя

Зарегистрирован: Пн июл 25, 2016 11:24:33
Сообщений: 103
Откуда: Набережные Челны
Рейтинг сообщения: 0
При 5 - и витках на оправке Ф6 проводом Ф0,5 получается индуктивность около 0,153 мкГн, что дает настройку входного контура на частоту 70 МГц, при емкости
конденсатора 34 пФ(30пФ + емкость монтажа + входная емкость УВЧ). Это средняя частота отечественного УКВ диапазона.
Для ФМ количество витков надо уменьшить.
3 витка на оправке Ф6 проводом Ф0,5(или 3,75 витков на оправе Ф5, 4,5 витка на оправке Ф4, 6 витков на оправке Ф3, 7,5 витков на оправке Ф2,5).

_________________
Основное правило электробезопасности: Если видите торчащие оголенные концы, руками не трогайте...


Вернуться наверх
 
Показать сообщения за:  Сортировать по:  Вернуться наверх
Начать новую тему Ответить на тему  [ Сообщений: 786 ]     ... , , , 33, , , ...  

Часовой пояс: UTC + 3 часа


Кто сейчас на форуме

Сейчас этот форум просматривают: нет зарегистрированных пользователей и гости: 31


Вы не можете начинать темы
Вы не можете отвечать на сообщения
Вы не можете редактировать свои сообщения
Вы не можете удалять свои сообщения
Вы не можете добавлять вложения

Найти:
Перейти:  


Powered by phpBB © 2000, 2002, 2005, 2007 phpBB Group
Русская поддержка phpBB
Extended by Karma MOD © 2007—2012 m157y
Extended by Topic Tags MOD © 2012 m157y