Например TDA7294

Форум РадиоКот • Просмотр темы - Микропередатчик ФМ
Форум РадиоКот
Здесь можно немножко помяукать :)

Текущее время: Пт дек 19, 2025 01:24:43

Часовой пояс: UTC + 3 часа


ПРЯМО СЕЙЧАС:



Начать новую тему Ответить на тему  [ Сообщений: 40 ]  1,  
Автор Сообщение
Не в сети
 Заголовок сообщения: Микропередатчик ФМ
СообщениеДобавлено: Чт янв 26, 2023 14:47:46 
Открыл глаза

Зарегистрирован: Ср мар 13, 2019 17:39:25
Сообщений: 74
Рейтинг сообщения: 0
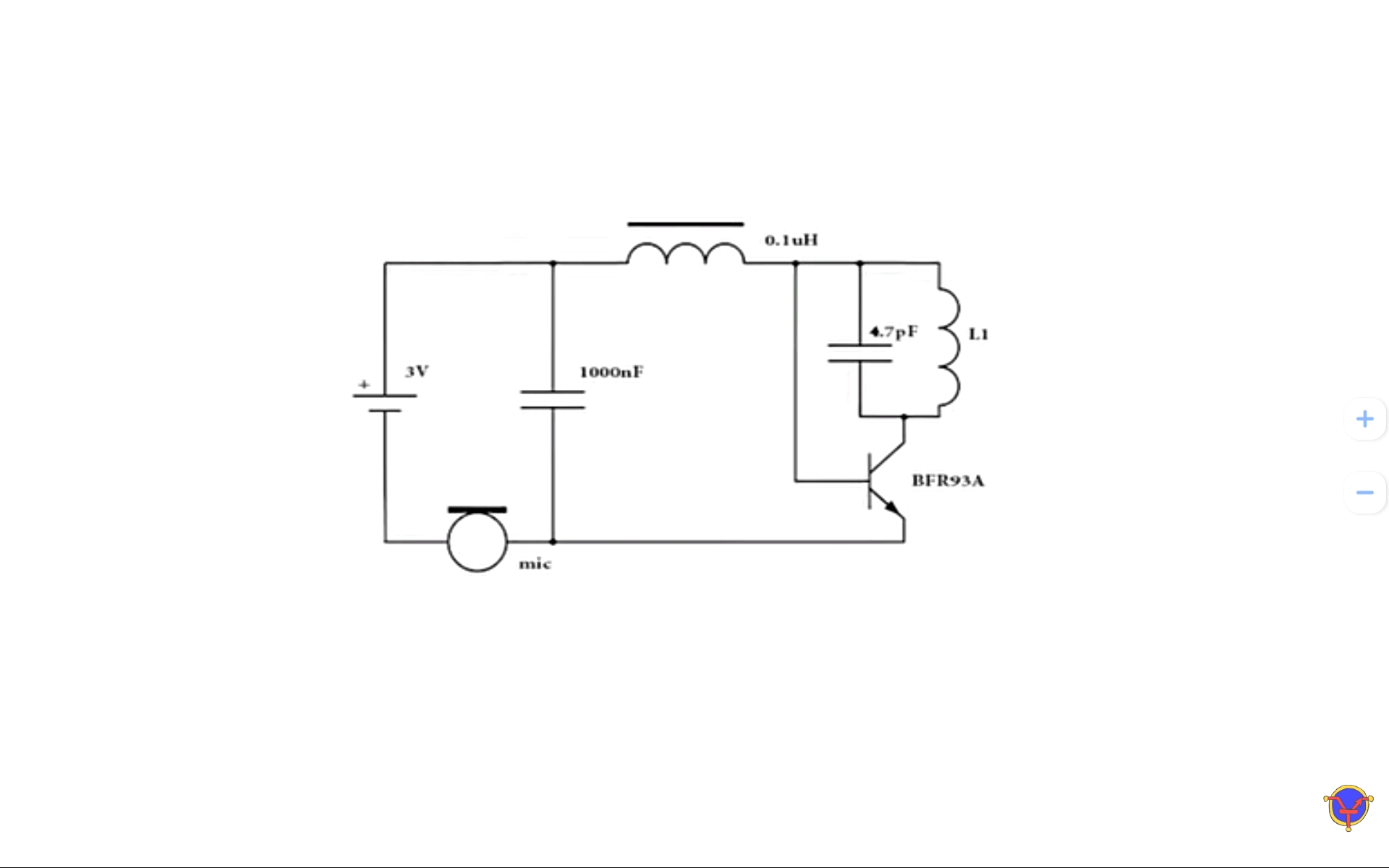
Всем привет! Может кто подскажет схемку простого микропередатчика с микрофоном, с очень маленьким потреблением тока, с питанием от литиевого элементика 3В стабилизированного кварцем на ФМ диапазон. Можно чтобы работал и без антенны, с дальностью всего пару метров. Нужно передать на ФМ наушники со слабого источника звук с расстояния 1 метр. Есть вот такая схемка, но куда кварц подключить и на какую частоту?


Вложения:
Screenshot_2023-01-25-07-14-54-583.jpeg [82.45 KiB]
Скачиваний: 174
Вернуться наверх
 
Не в сети
 Заголовок сообщения: Re: Микропередатчик ФМ
СообщениеДобавлено: Чт янв 26, 2023 16:13:22 
Друг Кота
Аватар пользователя

Карма: 174
Рейтинг сообщений: 1910
Зарегистрирован: Пт дек 12, 2014 09:36:15
Сообщений: 23209
Откуда: Минск
Рейтинг сообщения: 0
Медали: 2
Получил миской по аватаре (1) Мявтор 3-й степени (1)
Есть целая тема, смотрите и выбирайте.

viewtopic.php?f=28&t=184685


Вернуться наверх
 
Не в сети
 Заголовок сообщения: Re: Микропередатчик ФМ
СообщениеДобавлено: Чт янв 26, 2023 18:32:18 
Открыл глаза

Зарегистрирован: Ср мар 13, 2019 17:39:25
Сообщений: 74
Рейтинг сообщения: 0
Нашёл кое-что, спасибо!


Вернуться наверх
 
Не в сети
 Заголовок сообщения: Re: Микропередатчик ФМ
СообщениеДобавлено: Чт янв 26, 2023 20:24:44 
Первый раз сказал Мяу!

Зарегистрирован: Ср фев 03, 2016 18:49:06
Сообщений: 31
Рейтинг сообщения: 0
Если с кварцевой стабилизацией и всего на пару метров, то можно сделать ЧМ микрофон на частоту от 29 до 36 МГц и ловить на приемнике 3-ю гармонику сигнала 88 - 108 МГц.
В принципе я делал на частоту 27 МГц с кварцем из материнской платы и вполне ловил 4-ю гармонику на частоте 108 МГц в радиусе 100 м.


Вернуться наверх
 
Эиком - электронные компоненты и радиодетали
Не в сети
 Заголовок сообщения: Re: Микропередатчик ФМ
СообщениеДобавлено: Чт янв 26, 2023 20:40:26 
Друг Кота
Аватар пользователя

Карма: 174
Рейтинг сообщений: 1910
Зарегистрирован: Пт дек 12, 2014 09:36:15
Сообщений: 23209
Откуда: Минск
Рейтинг сообщения: 0
Медали: 2
Получил миской по аватаре (1) Мявтор 3-й степени (1)
android-I писал(а):
Если с кварцевой стабилизацией


Тогда будет узкополосная ЧМ.

Широкополосную ЧМ получить очень не просто.


Вернуться наверх
 
Не в сети
 Заголовок сообщения: Re: Микропередатчик ФМ
СообщениеДобавлено: Чт янв 26, 2023 20:51:03 
Открыл глаза

Зарегистрирован: Ср мар 13, 2019 17:39:25
Сообщений: 74
Рейтинг сообщения: 0
Если с кварцевой стабилизацией и всего на пару метров, то можно сделать ЧМ микрофон на частоту от 29 до 36 МГц и ловить на приемнике 3-ю гармонику сигнала 88 - 108 МГц.
В принципе я делал на частоту 27 МГц с кварцем из материнской платы и вполне ловил 4-ю гармонику на частоте 108 МГц в радиусе 100 м.
Ясно, спасибо!


Вернуться наверх
 
Не в сети
 Заголовок сообщения: Re: Микропередатчик ФМ
СообщениеДобавлено: Чт янв 26, 2023 20:52:44 
Первый раз сказал Мяу!

Зарегистрирован: Ср фев 03, 2016 18:49:06
Сообщений: 31
Рейтинг сообщения: 0
Широкополосную ЧМ получить очень не просто.


Если принимать 5-ю гармонику, или выделить ее в следующем каскаде усиления, то увеличится в 5 раз девиация частоты, была 5-7 кГц, станет 25-35 кГц... уже лучше.


Вернуться наверх
 
Не в сети
 Заголовок сообщения: Re: Микропередатчик ФМ
СообщениеДобавлено: Чт янв 26, 2023 20:56:19 
Открыл глаза

Зарегистрирован: Ср мар 13, 2019 17:39:25
Сообщений: 74
Рейтинг сообщения: 0
android-I писал(а):
Если с кварцевой стабилизацией


Тогда будет узкополосная ЧМ.

Широкополосную ЧМ получить очень не просто.
Тогда может другой подход сделать, может стабилизировать частоту без кварца, трудно это будет сделать или нет?


Вернуться наверх
 
Не в сети
 Заголовок сообщения: Re: Микропередатчик ФМ
СообщениеДобавлено: Чт янв 26, 2023 23:33:37 
Друг Кота

Карма: 49
Рейтинг сообщений: 547
Зарегистрирован: Чт фев 20, 2014 18:57:55
Сообщений: 19492
Рейтинг сообщения: 0
Зависит от подхода, на транзисторах непросто ) Можно вообще готовый модуль трансмиттера купить на али.

_________________
"Вся военная пропаганда, все крики, ложь и ненависть исходят от людей, которые на эту войну не пойдут !" / Джордж Оруэлл /
"Война - это,когда за интересы других,гибнут совершенно безвинные люди." / Уинстон Черчилль /


Вернуться наверх
 
Не в сети
 Заголовок сообщения: Re: Микропередатчик ФМ
СообщениеДобавлено: Пт янв 27, 2023 09:53:25 
Вымогатель припоя

Карма: -19
Рейтинг сообщений: -126
Зарегистрирован: Вт дек 27, 2022 09:36:28
Сообщений: 684
Рейтинг сообщения: 0
может стабилизировать частоту без кварца, трудно это будет сделать или нет?
Это зависит от того, какой уход частоты допустим, за сколько времени и наличия в приемнике АПЧГ. Генераторы УКВ блоков так-то работают на ВЧ без кварцев..
Для получаения достаточной девиации лучше использовать варикап.
схемку простого микропередатчика с микрофоном
Для получения высокой чувствительности микрофона нужен усилитель напряжения.


Последний раз редактировалось vizit Пт янв 27, 2023 10:15:06, всего редактировалось 1 раз.

Вернуться наверх
 
Не в сети
 Заголовок сообщения: Re: Микропередатчик ФМ
СообщениеДобавлено: Пт янв 27, 2023 10:13:51 
Открыл глаза

Зарегистрирован: Ср мар 13, 2019 17:39:25
Сообщений: 74
Рейтинг сообщения: 0
может стабилизировать частоту без кварца, трудно это будет сделать или нет?
Это зависит от того, какой уход частоты допустим, за сколько времени и наличия в приемнике АПЧГ. Генераторы УКВ блоков так-то работают на ВЧ без кварцев..
Для получаения достаточной девиации лучше использовать варикап.
схемку простого микропередатчика с микрофоном
Для получения высокой чувствительности микрофона нужен усилитель напряжения.
Что-то он всё усложняется и усложняется :? , видно не прокатит простым его сделать


Вернуться наверх
 
Не в сети
 Заголовок сообщения: Re: Микропередатчик ФМ
СообщениеДобавлено: Пт янв 27, 2023 10:17:21 
Вымогатель припоя

Карма: -19
Рейтинг сообщений: -126
Зарегистрирован: Вт дек 27, 2022 09:36:28
Сообщений: 684
Рейтинг сообщения: 0
Посмотрите это: https://www.google.com/search?q=AL2602


Вернуться наверх
 
Не в сети
 Заголовок сообщения: Re: Микропередатчик ФМ
СообщениеДобавлено: Пт янв 27, 2023 11:03:45 
Открыл глаза

Зарегистрирован: Ср мар 13, 2019 17:39:25
Сообщений: 74
Рейтинг сообщения: 0
Посмотрите это: https://www.google.com/search?q=AL2602
Так её же в природе нет :)


Вернуться наверх
 
Не в сети
 Заголовок сообщения: Re: Микропередатчик ФМ
СообщениеДобавлено: Пт янв 27, 2023 11:50:15 
Друг Кота
Аватар пользователя

Карма: 174
Рейтинг сообщений: 1910
Зарегистрирован: Пт дек 12, 2014 09:36:15
Сообщений: 23209
Откуда: Минск
Рейтинг сообщения: 0
Медали: 2
Получил миской по аватаре (1) Мявтор 3-й степени (1)
vizit писал(а):
Посмотрите это: https://www.google.com/search?q=AL2602


Как я понимаю, там будет масса гармоник, а вам это нужно? :dont_know:

Если без кварца, то жук делают на полевике и очень слабая связь с антенной . Питание стабилизировано и если работа в квартирных условиях, то стабильности хватит.

viewtopic.php?f=28&t=184685&start=180 Выходной каскад можно и не ставить, если дальности не надо. Последняя схема на странице.


Последний раз редактировалось FAKIR Пт янв 27, 2023 12:06:58, всего редактировалось 2 раз(а).

Вернуться наверх
 
Не в сети
 Заголовок сообщения: Re: Микропередатчик ФМ
СообщениеДобавлено: Пт янв 27, 2023 11:56:54 
Первый раз сказал Мяу!

Зарегистрирован: Ср фев 03, 2016 18:49:06
Сообщений: 31
Рейтинг сообщения: 0
Я понимаю что предлагать купить это неприлично, но есть в Китае такие вещи - синтезатор частоты, аудиовход, который можно переделать под микрофон.
Вот если бы у меня валялась в тумбочке такая штука, я бы её расковырял. :)
Изображение


Вернуться наверх
 
Не в сети
 Заголовок сообщения: Re: Микропередатчик ФМ
СообщениеДобавлено: Пт янв 27, 2023 12:23:33 
Друг Кота

Карма: 49
Рейтинг сообщений: 547
Зарегистрирован: Чт фев 20, 2014 18:57:55
Сообщений: 19492
Рейтинг сообщения: 0
Так и следует сделать

_________________
"Вся военная пропаганда, все крики, ложь и ненависть исходят от людей, которые на эту войну не пойдут !" / Джордж Оруэлл /
"Война - это,когда за интересы других,гибнут совершенно безвинные люди." / Уинстон Черчилль /


Вернуться наверх
 
Не в сети
 Заголовок сообщения: Re: Микропередатчик ФМ
СообщениеДобавлено: Пт янв 27, 2023 14:57:28 
Друг Кота
Аватар пользователя

Карма: 174
Рейтинг сообщений: 1910
Зарегистрирован: Пт дек 12, 2014 09:36:15
Сообщений: 23209
Откуда: Минск
Рейтинг сообщения: 0
Медали: 2
Получил миской по аватаре (1) Мявтор 3-й степени (1)
Morroc писал(а):
Так и следует сделать


А разве сложно сделать детскую схему, которую я дал ?


Вернуться наверх
 
Не в сети
 Заголовок сообщения: Re: Микропередатчик ФМ
СообщениеДобавлено: Пт янв 27, 2023 16:24:03 
Друг Кота

Карма: 49
Рейтинг сообщений: 547
Зарегистрирован: Чт фев 20, 2014 18:57:55
Сообщений: 19492
Рейтинг сообщения: 0
Ну автор хотел кварцевой стабильности )

_________________
"Вся военная пропаганда, все крики, ложь и ненависть исходят от людей, которые на эту войну не пойдут !" / Джордж Оруэлл /
"Война - это,когда за интересы других,гибнут совершенно безвинные люди." / Уинстон Черчилль /


Вернуться наверх
 
Не в сети
 Заголовок сообщения: Re: Микропередатчик ФМ
СообщениеДобавлено: Пт янв 27, 2023 17:13:23 
Открыл глаза

Зарегистрирован: Ср мар 13, 2019 17:39:25
Сообщений: 74
Рейтинг сообщения: 0
Стабильность конечно нужна будет, изменение температуры будет градусов 30-35


Вернуться наверх
 
Не в сети
 Заголовок сообщения: Re: Микропередатчик ФМ
СообщениеДобавлено: Пт янв 27, 2023 19:37:16 
Друг Кота

Карма: -1
Рейтинг сообщений: 86
Зарегистрирован: Вт мар 13, 2012 12:16:13
Сообщений: 8876
Откуда: .ru
Рейтинг сообщения: 4
какая нужна стабильность Микропередатчику ФМ ?
для чего Микропередатчик ФМ ?
например для радиомикрофона высокая стабильность не нужна...

в старых приёмниках была кнопочка АЧП ))
в современных приёмниках есть функция АПЧ и автопоиск...

добавить в приёмник простой автопоиск и удержание частоты... это будет проще чем делать высокостабильный Микропередатчик ФМ

вот тут я сделал "Микропередатчик ФМ" на кварце... https://www.radiokot.ru/forum/viewtopic ... start=1670


Вернуться наверх
 
Показать сообщения за:  Сортировать по:  Вернуться наверх
Начать новую тему Ответить на тему  [ Сообщений: 40 ]  1,  

Часовой пояс: UTC + 3 часа


Кто сейчас на форуме

Сейчас этот форум просматривают: нет зарегистрированных пользователей и гости: 33


Вы не можете начинать темы
Вы не можете отвечать на сообщения
Вы не можете редактировать свои сообщения
Вы не можете удалять свои сообщения
Вы не можете добавлять вложения

Найти:
Перейти:  


Powered by phpBB © 2000, 2002, 2005, 2007 phpBB Group
Русская поддержка phpBB
Extended by Karma MOD © 2007—2012 m157y
Extended by Topic Tags MOD © 2012 m157y