Например TDA7294

Форум РадиоКот • Просмотр темы - Расположение выводов радиоэлементов
Форум РадиоКот
Здесь можно немножко помяукать :)

Текущее время: Сб дек 13, 2025 10:14:19

Часовой пояс: UTC + 3 часа


ПРЯМО СЕЙЧАС:



Начать новую тему Ответить на тему  [ Сообщений: 1285 ]     ... , , , 63, ,  
Автор Сообщение
Не в сети
 Заголовок сообщения: Re: Расположение выводов радиоэлементов
СообщениеДобавлено: Пн авг 21, 2017 22:06:06 
Встал на лапы
Аватар пользователя

Зарегистрирован: Чт июн 05, 2014 16:13:52
Сообщений: 118
Откуда: Київ
Рейтинг сообщения: 0
Имеется переменный резистор потенциометр с маркировкой B503 на 7 выводов. Приобретен у дяди Васи на рынке взамен RK14K1210 CD магнитола LG CD-321AX с маркировокй 503B.
Изображение
Так как даташит не найти, помогите установить где у него какой вывод.
Вот данные замера сопротивление при крайнем левом положении регулятора.
Нумерация контактов с лева на право (если смотреть на ручку потенциометра, ножки в вниз)
1-2 24,7 ком
1-3 24,7 ком
1-4 24,7 ком
1-5 24,7 ком
1-6 73,8 ком
1-7 49,4 ком
2-3-4 замкнуты
2-5 48.8 ком
2-6 49.1 ком
2-7 24,7 ком
3-5 48,8 ком
3-6 49,1 ком
3-7 24,7 ком
Крайнем правом замеры не проводил, но там замкнуты контакты 2-6
Помогите темному Вот на всякий случай данные контактов на плате куда он будет ставится R CEN, R IN, L IN, R OUT, L OUT, GND, L CEN
Замеры делал мультиметром UNI-T M890, так что точночть соотвествующая
подробнее прро мои мытарства здесь viewtopic.php?f=32&t=147581


Вернуться наверх
 
Не в сети
 Заголовок сообщения: Re: Расположение выводов радиоэлементов
СообщениеДобавлено: Пн авг 21, 2017 23:24:07 
Друг Кота
Аватар пользователя

Карма: 197
Рейтинг сообщений: 8593
Зарегистрирован: Пн ноя 30, 2009 03:00:01
Сообщений: 43087
Откуда: Нерезиновая
Рейтинг сообщения: 1
Имеется переменный резистор потенциометр с маркировкой B503 на 7 выводов. Приобретен у дяди Васи на рынке взамен RK14K1210 CD магнитола LG CD-321AX с маркировокй 503B.
Так как даташит не найти, помогите установить где у него какой вывод.

По- моему- ваш резистор как раз имеет точно такое же расположение выводов, как и ваш старый (Single Center TAP), иначе откуда тогда там при "крайнем левом положении" есть выводы с половиной номинального сопротивления..
https://lib.chipdip.ru/995/DOC000995737.pdf
На самом деле надо было, в процессе измерений, ещё вращать ручку резистора
Вложение:
резистор.PNG [4.72 KiB]
Скачиваний: 1279

Собственно- ВТОРОЙ контакт- GND, порядок остальных- один- в один.. :dont_know:


Вернуться наверх
 
Не в сети
 Заголовок сообщения: Re: Расположение выводов радиоэлементов
СообщениеДобавлено: Вт авг 22, 2017 07:44:10 
Встал на лапы
Аватар пользователя

Зарегистрирован: Чт июн 05, 2014 16:13:52
Сообщений: 118
Откуда: Київ
Рейтинг сообщения: 0
На самом деле надо было, в процессе измерений, ещё вращать ручку резистора
Дополнительно выкладываю замеры при повороте ручки потонцеометра вправо (приблизительно на середину)
1-2 25 ком
1-3 25 ком
1-4 0.4 ком
1-5 24,3 ком
1-6 74,7 ком
1-7 50 ком
2-3- 24.8 ком
2-4 50 ком
2-5 74.1 ком
2-6 25.6 ком
2-7 0,9 ком
3-4 25 ком
3-5 50 ком
3-6 50 ком
3-7 50 ком
4-5 24.8 ком
4-6 75 ком
4-7 50 ком
5-6 94.6 ком
5-7 74.3 ком
6-7 24.8 ком

Собственно- ВТОРОЙ контакт- GND, порядок остальных- один- в один..
Значит размещений контактов следующие?
1.L CENTRE
2.GND
3.L OUT
4. R OUT
5. L IN
6. R IN
7. R CENTRE


Вернуться наверх
 
Не в сети
 Заголовок сообщения: Re: Расположение выводов радиоэлементов
СообщениеДобавлено: Вт авг 22, 2017 11:44:07 
Друг Кота
Аватар пользователя

Карма: 197
Рейтинг сообщений: 8593
Зарегистрирован: Пн ноя 30, 2009 03:00:01
Сообщений: 43087
Откуда: Нерезиновая
Рейтинг сообщения: 1
ДА!


Вернуться наверх
 
Эиком - электронные компоненты и радиодетали
Не в сети
 Заголовок сообщения: Re: Расположение выводов радиоэлементов
СообщениеДобавлено: Ср авг 30, 2017 19:43:47 
Встал на лапы
Аватар пользователя

Зарегистрирован: Чт июн 05, 2014 16:13:52
Сообщений: 118
Откуда: Київ
Рейтинг сообщения: 0
А вообще где можно более подробно почитать про определение контактов потенциометра для чайника. Например, в крайнем левом положении регулятора линейного потенциометра сопротивление между gnd и in составляет столько, между gnd и out столько то… В крайнем прравом значения такие то…


Вернуться наверх
 
Не в сети
 Заголовок сообщения: Re: Расположение выводов радиоэлементов
СообщениеДобавлено: Пт сен 01, 2017 16:10:10 
Встал на лапы
Аватар пользователя

Зарегистрирован: Чт июн 05, 2014 16:13:52
Сообщений: 118
Откуда: Київ
Рейтинг сообщения: 0
По- моему- ваш резистор как раз имеет точно такое же расположение выводов, как и ваш старый (Single Center TAP), иначе откуда тогда там при "крайнем левом положении" есть выводы с половиной номинального сопротивления..
https://lib.chipdip.ru/995/DOC000995737.pdf


Изображение
На одном из форумов мне отписали, что если у меня single center TAP, то "в центральном положении движка у вас должно быть сопротивление, близкое к НУЛЮ (КЗ), между выводами 2-4 и 2'-4' соответственно."
У меня в центральном положении движка
между 4-2 значение 25 кОм
между 2-4 значение 53 кОм
При этом
между 4-2* - близко 0
между 4*-2 - близко 0
Насколько указаное утверждение правильное?


Вернуться наверх
 
В сети
 Заголовок сообщения: Re: Расположение выводов радиоэлементов
СообщениеДобавлено: Пт сен 01, 2017 19:30:35 
Собутыльник Кота
Аватар пользователя

Карма: 55
Рейтинг сообщений: 1883
Зарегистрирован: Ср ноя 20, 2013 22:57:36
Сообщений: 2837
Откуда: Краснодар
Рейтинг сообщения: 1
Медали: 1
Получил миской по аватаре (1)
:shock: А подпаять, хотя бы проводками на место да покрутить???
Тык хоть и был русским самоучкой, но его методом пользуются во всем мире до сих пор. 8)
В крайнем левом 0 между общим и выходом.
В крайнем правом между ними номинал, а между входом и выходом 0.

_________________
Прости нам, господи, благодеяния наши.
Пренебрежение правилами ТБ улучшает генофонд человечества.


Вернуться наверх
 
Не в сети
 Заголовок сообщения: Re: Расположение выводов радиоэлементов
СообщениеДобавлено: Сб сен 02, 2017 21:12:50 
Встал на лапы
Аватар пользователя

Зарегистрирован: Чт июн 05, 2014 16:13:52
Сообщений: 118
Откуда: Київ
Рейтинг сообщения: 0
Разобрался ... Нестандарт. Короче земля 3 нога (обычно 2, как на рис. више,..
Контакты потенциометре размещены следуючим образом с лева на право (1-7)
1. L CENTRE
2. R OUT
3. GND
4. L OUT
5. L IN
6. R IN
7. R CENTRE
Удачи


Вернуться наверх
 
Не в сети
 Заголовок сообщения: КП364Е цоколевка
СообщениеДобавлено: Вт дек 26, 2017 10:05:42 
Первый раз сказал Мяу!
Аватар пользователя

Карма: 8
Рейтинг сообщений: 10
Зарегистрирован: Ср окт 26, 2016 19:50:05
Сообщений: 20
Откуда: Чебоксары
Рейтинг сообщения: 0
Всем мяу :)
Смотрю даташиты на полевики КП364, везде указана цоколевка З-И-С. К примеру, http://www.eandc.ru/pdf/tranzistor/kp364.pdf.
Вставляю в свой китайский тестер GM328a - определяет как З-С-И (сток и исток показывает наоборот). И что интересно, в схеме транзистор нормально работает как З-С-И, т.е. китаец, получается, не врет.
Кто-нибудь с этим сталкивался, уважаемые коты?
Вложение:
кп364е.jpg [95.74 KiB]
Скачиваний: 1250

Вложение:
кп364.jpg [93.31 KiB]
Скачиваний: 1307

_________________
Хорошему коту и в декабре - март :)


Вернуться наверх
 
Не в сети
 Заголовок сообщения: Re: Расположение выводов радиоэлементов
СообщениеДобавлено: Вт дек 26, 2017 10:16:57 
Друг Кота
Аватар пользователя

Карма: 175
Рейтинг сообщений: 7680
Зарегистрирован: Чт апр 04, 2013 12:46:59
Сообщений: 17234
Откуда: Тюмень
Рейтинг сообщения: 1
Конструкция полевиков такова, что сток исток друг от друга практически не отличаются. Поэтому работать будет и так и так. http://hightolow.ru/transistor3.php
По крайней мере я, упражняясь с j-FET'ами, спокойно менял сток с истоком, не замечая при этом каких-либо изменений в работе схемы...
Могу только предположить, что при правильном включении крутизна должна быть повыше, но мои опыты дали мне повод для сомнения в этом, а до замера крутизны я не дошёл...
p.s. для КП103, КП303 и даже для зарубежных транзисторов встречал "перепутаницу" сток-исток в разных источниках...

_________________
Общением на форуме подпитываю свою эгоистичную, склонную к самолюбованию сущность.


Вернуться наверх
 
Не в сети
 Заголовок сообщения: Re: Расположение выводов радиоэлементов
СообщениеДобавлено: Вт дек 26, 2017 19:29:13 
Друг Кота
Аватар пользователя

Карма: 123
Рейтинг сообщений: 7959
Зарегистрирован: Сб сен 13, 2014 16:27:32
Сообщений: 39199
Откуда: СпиртоГонск созвездия Омега
Рейтинг сообщения: 1
исток ф центре не бывае -ЭТО ПОДЛОЖКА тоестьили 3атвор ка в 102,103 или сток так что китаец прав а в справочниках было много путаницы -надо сравнивать разные (а лучше родной бумажный паспорт/даташит заводской)

_________________
ZМудрость(Опыт и выдержка) приходит с годами.
Все Ваши беды и проблемы, от недостатка знаний.
Умный и у дурака научится, а дураку и ..
Алберт Ейнштейн не поможет и ВВП не спасет.и МЧС опаздает


Вернуться наверх
 
Не в сети
 Заголовок сообщения: Re: Расположение выводов радиоэлементов
СообщениеДобавлено: Вс апр 15, 2018 23:40:55 
Прорезались зубы

Карма: 5
Рейтинг сообщений: 82
Зарегистрирован: Вс апр 15, 2018 23:34:29
Сообщений: 213
Рейтинг сообщения: 0
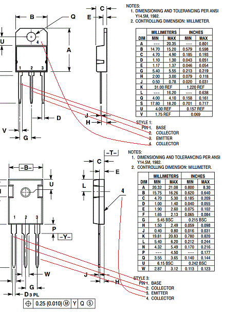
Друзья, помогите понять, имеется или у транзистора TIP35C электрический контакт между металлическим основанием и каким-либо из электродов? Пересмотрел несколько даташитов - то ли я не вижу, то ли об этом и правда нет ни слова.
Если контакта нет, его можно монтировать без электроизолирующей термопрокладки?


Вернуться наверх
 
Не в сети
 Заголовок сообщения: Re: Расположение выводов радиоэлементов
СообщениеДобавлено: Пн апр 16, 2018 01:19:47 
Мудрый кот
Аватар пользователя

Карма: 19
Рейтинг сообщений: 166
Зарегистрирован: Сб окт 10, 2009 17:16:58
Сообщений: 1732
Откуда: Россия.
Рейтинг сообщения: 0
Пересмотрел несколько даташитов - то ли я не вижу, то ли об этом и правда нет ни слова.
Ради интереса глянул даташит.
Есть там все в даташите.

Изображение


Вложения:
1.GIF [45.14 KiB]
Скачиваний: 4375
Вернуться наверх
 
Не в сети
 Заголовок сообщения: Re: Расположение выводов радиоэлементов
СообщениеДобавлено: Пн апр 16, 2018 01:50:12 
Друг Кота
Аватар пользователя

Карма: 197
Рейтинг сообщений: 8593
Зарегистрирован: Пн ноя 30, 2009 03:00:01
Сообщений: 43087
Откуда: Нерезиновая
Рейтинг сообщения: 0
имеется или у транзистора TIP35C электрический контакт между металлическим основанием и каким-либо из электродов? Пересмотрел несколько даташитов - то ли я не вижу, то ли об этом и правда нет ни слова.
А просто ткнуть "звонилкой"? :dont_know:


Вернуться наверх
 
Не в сети
 Заголовок сообщения: Re: Расположение выводов радиоэлементов
СообщениеДобавлено: Пн апр 16, 2018 07:48:18 
Прорезались зубы

Карма: 5
Рейтинг сообщений: 82
Зарегистрирован: Вс апр 15, 2018 23:34:29
Сообщений: 213
Рейтинг сообщения: 0
Пересмотрел несколько даташитов - то ли я не вижу, то ли об этом и правда нет ни слова.
Ради интереса глянул даташит.
Есть там все в даташите.

Спасибо большое! Не поверите, но у меня скачано пять разных вариантов даташитов, ну ни в одном такого нет!
Вот, к примеру:

Изображение


Вернуться наверх
 
Не в сети
 Заголовок сообщения: Re: Расположение выводов радиоэлементов
СообщениеДобавлено: Пн апр 16, 2018 08:37:51 
Друг Кота
Аватар пользователя

Карма: 182
Рейтинг сообщений: 8322
Зарегистрирован: Пт фев 04, 2011 17:57:51
Сообщений: 20005
Откуда: Рыбинск
Рейтинг сообщения: 0
Медали: 1
Лучший человек Форума 2017 (1)
У транзисторов в ТО126, 218, 220, 247 практически всегда коллектор или сток соединен с фланцем, это у тиристоров и диодов в ТО220 бывает изолированное исполнение.


Вернуться наверх
 
Не в сети
 Заголовок сообщения: Re: Мелкие вопросы по радиотехнике
СообщениеДобавлено: Пт июл 06, 2018 18:01:50 
Первый раз сказал Мяу!
Аватар пользователя

Карма: -4
Рейтинг сообщений: 8
Зарегистрирован: Ср июл 04, 2018 11:16:43
Сообщений: 34
Рейтинг сообщения: 0
Ещё покопался по КР159НТ1Д. Ничего я не напутал?

Изображение


Сюда перенес.
Все правильно.
aen


Вернуться наверх
 
Не в сети
 Заголовок сообщения: Что скажете за цоколевку симисторов?
СообщениеДобавлено: Пт авг 10, 2018 11:05:21 
Электрический кот
Аватар пользователя

Карма: 2
Рейтинг сообщений: 34
Зарегистрирован: Сб фев 04, 2017 12:16:42
Сообщений: 1020
Откуда: Украина
Рейтинг сообщения: 0
Согласно технической документации, расположение выводов симисторов, что BT, что BTA не отличается.
Если смотреть со стороны маркировки, левый вывод - условный Катод (А1,Т1) средний вывод - условный Анод (А2,Т2) правый вывод - Управляющий электрод (G).

Изображение Изображение

По факту, симисторы имеют зеркальное расположение выводов.
Схема и методика проверки - Как проверить симистор?

1. BT134-600E - расположение выводов соответствует технической документации.

Изображение

2. BTA16-600B - при подключении согласно технической документации светодиод не включается.

Изображение

3. BTA16-600B - подключение не соответствует технической документации - светодиод включается.

Изображение


Где правда?

Источники:
Симисторы bt134 - характеристики, цоколевка
BT134-600(E)
BTA16-600B - симистор 600В 16А
BTA16-600B
Вложение:
BT139-600.pdf [73.14 KiB]
Скачиваний: 673




Сюда перенес.
aen


Вложения:
bt134_600_e.pdf [170.7 KiB]
Скачиваний: 729
Вернуться наверх
 
Не в сети
 Заголовок сообщения: Re: Расположение выводов радиоэлементов
СообщениеДобавлено: Пт авг 10, 2018 11:18:29 
Друг Кота

Карма: 68
Рейтинг сообщений: 1408
Зарегистрирован: Сб янв 29, 2011 00:28:48
Сообщений: 7774
Рейтинг сообщения: 0
Практика - критерий истины....можете посчитать их негодными согласно вашей документации и выбросить...можете поискать китайскую документацию неизвестного производителя...наше частное мнение на работоспособность детали не влияет...)))


Вернуться наверх
 
Не в сети
 Заголовок сообщения: Re: Расположение выводов радиоэлементов
СообщениеДобавлено: Пт авг 10, 2018 12:29:58 
Электрический кот
Аватар пользователя

Карма: 2
Рейтинг сообщений: 34
Зарегистрирован: Сб фев 04, 2017 12:16:42
Сообщений: 1020
Откуда: Украина
Рейтинг сообщения: 0
Следуя критерию истины, и развернул толстый симистор опой к залу :))) .
Т.е., вы имеете неизвестного китайского производителя в виду как случайное явление?
Китайцу побарабану. А тут - собрал, включил, не работает. Паника :shock: .

_________________
... ардубино и наебиэкспресс убивают творчество в зародыше.


Вернуться наверх
 
Показать сообщения за:  Сортировать по:  Вернуться наверх
Начать новую тему Ответить на тему  [ Сообщений: 1285 ]     ... , , , 63, ,  

Часовой пояс: UTC + 3 часа


Кто сейчас на форуме

Сейчас этот форум просматривают: нет зарегистрированных пользователей и гости: 34


Вы не можете начинать темы
Вы не можете отвечать на сообщения
Вы не можете редактировать свои сообщения
Вы не можете удалять свои сообщения
Вы не можете добавлять вложения

Найти:
Перейти:  


Powered by phpBB © 2000, 2002, 2005, 2007 phpBB Group
Русская поддержка phpBB
Extended by Karma MOD © 2007—2012 m157y
Extended by Topic Tags MOD © 2012 m157y