Например TDA7294

Форум РадиоКот • Просмотр темы - Старт генератора 12МГц на 74HC04
Форум РадиоКот
Здесь можно немножко помяукать :)

Текущее время: Вс дек 14, 2025 01:24:36

Часовой пояс: UTC + 3 часа


ПРЯМО СЕЙЧАС:



Начать новую тему Ответить на тему  [ Сообщений: 15 ] 
Автор Сообщение
Не в сети
 Заголовок сообщения: Старт генератора 12МГц на 74HC04
СообщениеДобавлено: Вт ноя 18, 2025 16:26:50 
Встал на лапы
Аватар пользователя

Карма: 1
Рейтинг сообщений: 36
Зарегистрирован: Пт июн 24, 2016 18:16:35
Сообщений: 118
Рейтинг сообщения: 0
Здравствуйте, все.

Вопрос есть по генератору на 12МГц... В схеме собрал вот такой генератор:
Вложение:
Generator_1.png [3.43 KiB]
Скачиваний: 90

Изначально он был на К555ЛН1, но я её заменил на 74HC04, попутно увеличив R3 до 5кОм. Генератор работает, но есть один неприятный момент: если схема была выключена больше, чем, скажем, полчаса, то генератор не стартует сразу после включения, нужно выключить питание и снова включить. Причём со второго включения уже всё работает, можно щёлкать питанием сколько угодно.

Попробовал переделать генератор на схему Пирса, вот так:
Вложение:
Generator_2.png [3.7 KiB]
Скачиваний: 67

Эффекта нет -- так и не стартует после первого включения. Менял кварцы, микросхему 74НС04 -- тоже не помогает. Но самое интересное, что если всё запитать от старого советского БП, который выдаёт чуть большее напряжение, 5,6В вместо 5В, то схема стартует без проблем даже через длительное время.

Есть идеи, почему так происходит и как всё можно исправить?


Вернуться наверх
 
Не в сети
 Заголовок сообщения: Re: Старт генератора 12МГц на 75HC04
СообщениеДобавлено: Вт ноя 18, 2025 16:44:41 
Друг Кота
Аватар пользователя

Карма: 197
Рейтинг сообщений: 8593
Зарегистрирован: Пн ноя 30, 2009 03:00:01
Сообщений: 43088
Откуда: Нерезиновая
Рейтинг сообщения: 0
У старого небезызвестного ШИЛО, в его книге "справочник по цифровым интегральным микросхемам" есть схема кварцевого генератора, которая у меня запускалась всегда!
Изображение
Сами сможете "переработать" схему под 7404 (74НС04) или это за вас сделать?


Вернуться наверх
 
Не в сети
 Заголовок сообщения: Re: Старт генератора 12МГц на 75HC04
СообщениеДобавлено: Вт ноя 18, 2025 16:55:43 
Встал на лапы
Аватар пользователя

Карма: 1
Рейтинг сообщений: 36
Зарегистрирован: Пт июн 24, 2016 18:16:35
Сообщений: 118
Рейтинг сообщения: 0
АлександрЛ, а эта схема на 12МГц будет работать? Вижу, там резисторы R2 и R4 надо увеличить до ~5кОм, а что ещё нужно сделать для перехода с ТТЛ на КМОП?


Вернуться наверх
 
Не в сети
 Заголовок сообщения: Re: Старт генератора 12МГц на 75HC04
СообщениеДобавлено: Вт ноя 18, 2025 17:07:19 
Друг Кота
Аватар пользователя

Карма: 197
Рейтинг сообщений: 8593
Зарегистрирован: Пн ноя 30, 2009 03:00:01
Сообщений: 43088
Откуда: Нерезиновая
Рейтинг сообщения: 0
Improver писал(а):
а эта схема на 12МГц будет работать?
А почему она не должна работать? Это определяется частотой микросхемы, а не схемой.
А "генератор Пирса" (имхо) не очень-то и надёжный генератор..
Вы же пробовали два варианта схем генераторов, попробуйте третью. :dont_know:

Поставьте кварцевый генератор- :dont_know:
https://www.chipdip.ru/product/kvartsev ... 8008759138
https://www.quartz1.com/price/model.php?akt=11708.03
https://www.quartz1.com/price/model.php?akt=9172.17
https://www.quartz1.com/price/model.php?akt=4035.02


Вернуться наверх
 
Эиком - электронные компоненты и радиодетали
Не в сети
 Заголовок сообщения: Re: Старт генератора 12МГц на 75HC04
СообщениеДобавлено: Вт ноя 18, 2025 17:31:46 
Встал на лапы
Аватар пользователя

Карма: 1
Рейтинг сообщений: 36
Зарегистрирован: Пт июн 24, 2016 18:16:35
Сообщений: 118
Рейтинг сообщения: 0
Вы же пробовали два варианта схем генераторов, попробуйте третью. :dont_know:
Да, пожалуй, попробую.

Поставьте кварцевый генератор- :dont_know:
И это тоже неплохой вариант, держу его "про запас"...


Вернуться наверх
 
Не в сети
 Заголовок сообщения: Re: Старт генератора 12МГц на 75HC04
СообщениеДобавлено: Вт ноя 18, 2025 17:43:06 
Электрический кот

Карма: 5
Рейтинг сообщений: 157
Зарегистрирован: Пн май 01, 2017 20:01:45
Сообщений: 1018
Рейтинг сообщения: 0
Почему вы поставили 5к резистор? К слову, такого номинала не существует в природе, указывайте правильно.

Вопрос №2 - 74HC04 или все-же 74HCT04?

Когда схема "не запустилась", какие напряжения на выходе первого и второго инвертора?


Вернуться наверх
 
Не в сети
 Заголовок сообщения: Re: Старт генератора 12МГц на 75HC04
СообщениеДобавлено: Вт ноя 18, 2025 18:14:30 
Встал на лапы
Аватар пользователя

Карма: 1
Рейтинг сообщений: 36
Зарегистрирован: Пт июн 24, 2016 18:16:35
Сообщений: 118
Рейтинг сообщения: 0
Почему вы поставили 5к резистор? К слову, такого номинала не существует в природе, указывайте правильно.
Вообще, существует: https://www.chipdip.ru/product/arg05dtc ... 8015788621
Но не суть важно -- там можно поставить любой, в достаточно широких пределах, если не ошибаюсь, от 1кОм до 10, я подобрал из того, что было, по середине...

Вопрос №2 - 74HC04 или все-же 74HCT04?
Стоит точно без "Т". Думаете нужно заменить на 74HCT04? Или может лучше на 74HCU04, как кое-где рекомендуют?

Когда схема "не запустилась", какие напряжения на выходе первого и второго инвертора?

Насколько помню, ослик на выходе показывал прямую линию на уровне лог. "0", потыкаю во все входы/выходы, напишу точнее.


Вернуться наверх
 
Не в сети
 Заголовок сообщения: Re: Старт генератора 12МГц на 75HC04
СообщениеДобавлено: Вт ноя 18, 2025 18:30:01 
Электрический кот

Карма: 5
Рейтинг сообщений: 157
Зарегистрирован: Пн май 01, 2017 20:01:45
Сообщений: 1018
Рейтинг сообщения: 0
Суть вопроса вы не поняли, тогда переведу - видимо, вы поставили первый попавшийся резистор и на основе этого судите о работоспособности схемы. Увы, так нельзя. Схема явно аппелирует к R и С (встроенная в кварц). Если RC слишком далеко от резонансной частоты кварца, то хорошей усттойчивости не получить, т.к. начальный запуск ведется именно по RC как обычный RC генератор, и уж затем эту генерацию должен перехватить возбудившийся кварцевый резонатор и все это переключается на точную 12М.
Это было раз. Теперь два - генератор на 2х инверторах не особо стабилен, а с учетом ТШ на входах 74HC, еще и особо не-стабилен, то лучше было-бы попробовать схему на трех инверторах, с переносом R с первого на третий инвертер. Петлевое усиление огромное, запуск должен идти устойчивее. Но, при неудачно выбранном R вполне можен перейти на странную частоту.

"на выходе показывал прямую линию на уровне лог. "0"" --- такого не могло быть априори, т.к. это означает неисправность работы _инверторов_.


Вернуться наверх
 
Не в сети
 Заголовок сообщения: Re: Старт генератора 12МГц на 75HC04
СообщениеДобавлено: Вт ноя 18, 2025 18:44:36 
Друг Кота
Аватар пользователя

Карма: 76
Рейтинг сообщений: 782
Зарегистрирован: Чт мар 07, 2013 20:39:17
Сообщений: 3714
Откуда: Краснодар
Рейтинг сообщения: 0
Improver писал(а):
В схеме собрал вот такой генератор:

На макетной плате или в симуляторе?

АлександрЛ писал(а):
есть схема кварцевого генератора, которая у меня запускалась всегда!

На макетной плате или в симуляторе?

Уже много лет пользуюсь схемой которая на втором рисунке. Работает в железе всегда. Микросхемы ставил НС02, НС04, НС14.
В симуляторе вместо этой схемы лучше просто штатный генератор на вход подключать.

_________________
„Выживает не самый сильный и не самый умный, а тот, кто лучше всех приспосабливается к изменениям.“
— Чарлз Дарвин


Последний раз редактировалось asvhmao Вт ноя 18, 2025 21:28:41, всего редактировалось 1 раз.

Вернуться наверх
 
Не в сети
 Заголовок сообщения: Re: Старт генератора 12МГц на 75HC04
СообщениеДобавлено: Вт ноя 18, 2025 19:44:57 
Друг Кота
Аватар пользователя

Карма: 197
Рейтинг сообщений: 8593
Зарегистрирован: Пн ноя 30, 2009 03:00:01
Сообщений: 43088
Откуда: Нерезиновая
Рейтинг сообщения: 2
АлександрЛ писал(а):
есть схема кварцевого генератора, которая у меня запускалась всегда!

На макетной схеме или в симуляторе?

В схемах. В протеусе, например, такая схема не запускается, так как в симуляторе "идеальные" детали, а, подобные симметричные схемы запускаются именно из-за "неидеальности" применённых компонентов.


Вернуться наверх
 
Не в сети
 Заголовок сообщения: Re: Старт генератора 12МГц на 75HC04
СообщениеДобавлено: Ср ноя 19, 2025 12:18:19 
Встал на лапы
Аватар пользователя

Карма: 1
Рейтинг сообщений: 36
Зарегистрирован: Пт июн 24, 2016 18:16:35
Сообщений: 118
Рейтинг сообщения: 0
Improver писал(а):
В схеме собрал вот такой генератор:

На макетной плате или в симуляторе?
На плате, про симуляторы в курсе... :)

Суть вопроса вы не поняли, тогда переведу - видимо, вы поставили первый попавшийся резистор и на основе этого судите о работоспособности схемы. Увы, так нельзя.
Согласен. Первая схема с КМОП в интернетах встречается реже, поэтому нашёл какой-то вариант, там был резистор порядка 200кОм, с ним не запустилось, далее просто подбирал без расчётов, остановился на 5кОм. А есть инструкция где-то, или формула, как его рассчитать? Ткните носом, пожалуйста...

"на выходе показывал прямую линию на уровне лог. "0"" --- такого не могло быть априори, т.к. это означает неисправность работы _инверторов_.
Скорее всего так и было... Вчера решил по-быстрому потыкать осликом во все выходы на генераторе, и вот что неожиданно выяснилось: по второй схеме генератор стартует, но не работает следующий за ним делитель на 74HC193. Сдул его с платы, а под ним была капля припоя -- короткого замыкания не было, но, по всей видимости, она через лак давала паразитную ёмкость между дорожками под чипом. :facepalm:
В случае схемы генератора по первому варианту она, наверно, как раз и гасила на массу один из выводов кварца, поэтому генерация и не шла. В общем, сегодня вечером проверю, запустится ли генератор после длительного простоя.

И, думаю, надо попробовать вернуть первый вариант схемы, или даже сделать на трёх инверторах, как Вы посоветовали.


Вернуться наверх
 
Не в сети
 Заголовок сообщения: Re: Старт генератора 12МГц на 75HC04
СообщениеДобавлено: Ср ноя 19, 2025 12:38:11 
Электрический кот

Карма: 5
Рейтинг сообщений: 157
Зарегистрирован: Пн май 01, 2017 20:01:45
Сообщений: 1018
Рейтинг сообщения: 1
Обычно, используется метод тыка - вместо 5к на проводах вешается маленький (по размеру) переменник на х5...10 по номиналу и крутится отверткой. Выбирается 2 границы - мин. и макс. резистора - и выставляется среднее значение. Потом измеряется и впаивается постоянный номинал.
Способ: взял значение - работает - отлично --- плохой способ, можно попасть на 'отлично работает, но не всегда'.


Вернуться наверх
 
Не в сети
 Заголовок сообщения: Re: Старт генератора 12МГц на 75HC04
СообщениеДобавлено: Чт ноя 20, 2025 06:26:56 
Поставщик валерьянки для Кота
Аватар пользователя

Карма: 21
Рейтинг сообщений: 267
Зарегистрирован: Вт ноя 03, 2009 21:02:38
Сообщений: 2043
Откуда: Москва
Рейтинг сообщения: 1
Генератор на 74HC04 может работать странно, или не работать вовсе. Если безразличен потребляемый ток и фазовый шум, можно вместо 74HC04, поставить 74HC14. Это триггер Шмитта. Но лучше всего, ставить микросхему с буквой "U" в обозначении. 74HCU04. Это простой инвертор, без буферного каскада. Генератор будет работать превосходно. На кварце синус, на выходе меандр.


Вернуться наверх
 
Не в сети
 Заголовок сообщения: Re: Старт генератора 12МГц на 74HC04
СообщениеДобавлено: Сб ноя 22, 2025 10:59:40 
Прорезались зубы
Аватар пользователя

Карма: 5
Рейтинг сообщений: 25
Зарегистрирован: Ср сен 11, 2024 10:18:53
Сообщений: 236
Рейтинг сообщения: 1
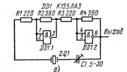
Сколько собрано "Краснодаров" - всегда генератор заводился с полпинка. :)
Хоть на 555 серии хоть на 74НС04. Можно добавить ещё один элемент в качестве буфера.
Изображение

_________________
Audiatur et altera pars !


Вернуться наверх
 
Не в сети
 Заголовок сообщения: Re: Старт генератора 12МГц на 74HC04
СообщениеДобавлено: Вс ноя 23, 2025 23:23:36 
Встал на лапы
Аватар пользователя

Карма: 1
Рейтинг сообщений: 36
Зарегистрирован: Пт июн 24, 2016 18:16:35
Сообщений: 118
Рейтинг сообщения: 0
После исправления брака пайки генератор работает и стартует стабильно, всем спасибо!

Вернул схему к первому варианту -- там тоже всё работает. Резистор R3 подобрал по совету u37, там получается, что частота 12МГц стабильно держится при значениях от 1кОм до 4,8кОм, за пределами этих границ генератор тоже работает, но частота начинает плавно снижаться, соответственно, золотая середина -- это 2,9кОм, можно ставить ближайшие стандартные значения, 2,7кОм, 3кОм...

В случае замены чипа на 74HCU04, как предложил Microtech, генератор тоже хорошо работает, но при этом границы у R3 получаются чуть другие, от ~500 Ом до 4,3кОм.

Ну и вариант схемы генератора от zAries, думаю, тоже будет неплох, хотя проверять её я не стал, раз и так уже всё работает. :)


Вернуться наверх
 
Показать сообщения за:  Сортировать по:  Вернуться наверх
Начать новую тему Ответить на тему  [ Сообщений: 15 ] 

Часовой пояс: UTC + 3 часа


Кто сейчас на форуме

Сейчас этот форум просматривают: нет зарегистрированных пользователей и гости: 24


Вы не можете начинать темы
Вы не можете отвечать на сообщения
Вы не можете редактировать свои сообщения
Вы не можете удалять свои сообщения
Вы не можете добавлять вложения

Найти:
Перейти:  


Powered by phpBB © 2000, 2002, 2005, 2007 phpBB Group
Русская поддержка phpBB
Extended by Karma MOD © 2007—2012 m157y
Extended by Topic Tags MOD © 2012 m157y