Например TDA7294

Форум РадиоКот • Просмотр темы - Паяльные станции для T12 на STM32 и альтернативные прошивки
Форум РадиоКот
Здесь можно немножко помяукать :)

Текущее время: Пт дек 26, 2025 13:39:51

Часовой пояс: UTC + 3 часа


ПРЯМО СЕЙЧАС:



Начать новую тему Ответить на тему  [ Сообщений: 560 ]     ... , , , 27,  
Автор Сообщение
Не в сети
 Заголовок сообщения: Re: Паяльные станции для T12 на STM32 и альтернативные проши
СообщениеДобавлено: Пт окт 03, 2025 11:07:46 
Родился

Зарегистрирован: Пн дек 23, 2024 00:13:14
Сообщений: 7
Рейтинг сообщения: 0
*


Вернуться наверх
 
Не в сети
 Заголовок сообщения: Re: Паяльные станции для T12 на STM32 и альтернативные проши
СообщениеДобавлено: Вт ноя 18, 2025 18:58:21 
Первый раз сказал Мяу!

Зарегистрирован: Вт ноя 18, 2025 18:27:24
Сообщений: 21
Рейтинг сообщения: 0
David_alfa сделал прошивку для ПС с дисплеем ST756,решил реализовать в железе. Работает замечательно. Чип применил STM32F103RBT6 дисплей GMG12864.

Изображение Изображение Изображение


David_alfa большое Вам спасибо за прошивку.


Здравствуйте David_alfa - Вы не можете мне подсказать в чем может быть дело... Собрал по этой схеме станцию... при включении 26 C на жале, но нагрев был наверное до 480 и оно подгорело... что то не то, может не так собрал ручку... вот по такой картинке собирал...


Вложения:
opa.png [15.15 KiB]
Скачиваний: 44


Последний раз редактировалось Frii Ср ноя 19, 2025 11:37:17, всего редактировалось 1 раз.
Вернуться наверх
 
Не в сети
 Заголовок сообщения: Re: Паяльные станции для T12 на STM32 и альтернативные проши
СообщениеДобавлено: Ср ноя 19, 2025 07:48:39 
Опытный кот
Аватар пользователя

Карма: 19
Рейтинг сообщений: 217
Зарегистрирован: Вт дек 09, 2008 13:41:05
Сообщений: 786
Откуда: Череповец.
Рейтинг сообщения: 0
Frii большое подозрение на неисправный силовой полевой транзистор. Схема подключения паяльника у Вас правильная.

_________________
Есть такие решения, после принятия которых, тараканы в голове аплодируют стоя.
.......Отругал своих тараканов, рассадил в голове по полочкам, запретил меняться местами.....
Притихли, не беспокоят, шёпотом обсуждают какой я плохой......


Вернуться наверх
 
Не в сети
 Заголовок сообщения: Re: Паяльные станции для T12 на STM32 и альтернативные проши
СообщениеДобавлено: Ср ноя 19, 2025 08:37:31 
Первый раз сказал Мяу!

Зарегистрирован: Вт ноя 18, 2025 18:27:24
Сообщений: 21
Рейтинг сообщения: 0
Спасибо за ответ. Мосфет не исправен? Он закрыт без жала, тестил его, с минусом открывается. Или как понять что в нем дело?

p.s.
Да почитав на иностранных форумах, с похожей ситуацией - вроде мосфет. Может другой аналог поставить? Только все равно странно что у меня еще и температуру нагрева не показывало.


Вернуться наверх
 
Эиком - электронные компоненты и радиодетали
Не в сети
 Заголовок сообщения: Re: Паяльные станции для T12 на STM32 и альтернативные проши
СообщениеДобавлено: Сб ноя 22, 2025 16:35:57 
Первый раз сказал Мяу!

Зарегистрирован: Вт ноя 18, 2025 18:27:24
Сообщений: 21
Рейтинг сообщения: 0
Frii большое подозрение на неисправный силовой полевой транзистор. Схема подключения паяльника у Вас правильная.


Поменял мосфет- тоже самое... вот в чем дело? Может прошивка? настройки какие..
Температура 26С пишет буст и при этом греется жало наверно до 450+.

Изображение

Он не видит температуры с жала...


Вернуться наверх
 
Не в сети
 Заголовок сообщения: Re: Паяльные станции для T12 на STM32 и альтернативные проши
СообщениеДобавлено: Сб ноя 22, 2025 17:16:23 
Потрогал лапой паяльник
Аватар пользователя

Карма: 4
Рейтинг сообщений: 108
Зарегистрирован: Вс окт 25, 2020 22:13:25
Сообщений: 398
Откуда: Смоленск
Рейтинг сообщения: 0
Вряд-ли прошивка. Нужно проверять все элементы измерения температуры, от термопары до контроллера. Должно показывать нагрев, если греть жало зажигалкой.

Прошивка тоже удивляет. Неужели в stm32 не хватает ресурсов, чтобы проверить рост температуры при нагреве. Если температура не повышается, то зачем греть до красна? Очевидно же, что где-то неисправность.


Вернуться наверх
 
Не в сети
 Заголовок сообщения: Re: Паяльные станции для T12 на STM32 и альтернативные проши
СообщениеДобавлено: Сб ноя 22, 2025 17:21:19 
Опытный кот
Аватар пользователя

Карма: 19
Рейтинг сообщений: 217
Зарегистрирован: Вт дек 09, 2008 13:41:05
Сообщений: 786
Откуда: Череповец.
Рейтинг сообщения: 0
Прошивка рабочая.
проверьте какую температуру показывает на дисплее если поместить жало в стакане если налить кипяток

_________________
Есть такие решения, после принятия которых, тараканы в голове аплодируют стоя.
.......Отругал своих тараканов, рассадил в голове по полочкам, запретил меняться местами.....
Притихли, не беспокоят, шёпотом обсуждают какой я плохой......


Вернуться наверх
 
Не в сети
 Заголовок сообщения: Re: Паяльные станции для T12 на STM32 и альтернативные проши
СообщениеДобавлено: Сб ноя 22, 2025 22:45:56 
Первый раз сказал Мяу!

Зарегистрирован: Вт ноя 18, 2025 18:27:24
Сообщений: 21
Рейтинг сообщения: 0
Вряд-ли прошивка. Нужно проверять все элементы измерения температуры, от термопары до контроллера. Должно показывать нагрев, если греть жало зажигалкой.

Прошивка тоже удивляет. Неужели в stm32 не хватает ресурсов, чтобы проверить рост температуры при нагреве. Если температура не повышается, то зачем греть до красна? Очевидно же, что где-то неисправность.


Попробовал в настройках при включении выкл по умолчанию. При нагреве жала спичкой 0 эмоций, 26С так и висит... Может дело в операционном усилителе...


Вернуться наверх
 
Не в сети
 Заголовок сообщения: Re: Паяльные станции для T12 на STM32 и альтернативные проши
СообщениеДобавлено: Сб ноя 22, 2025 22:48:15 
Опытный кот
Аватар пользователя

Карма: 19
Рейтинг сообщений: 217
Зарегистрирован: Вт дек 09, 2008 13:41:05
Сообщений: 786
Откуда: Череповец.
Рейтинг сообщения: 0
Какой ОУ стоит? И что у него на выходе? И 26градусов это внутренний датчик STM .

_________________
Есть такие решения, после принятия которых, тараканы в голове аплодируют стоя.
.......Отругал своих тараканов, рассадил в голове по полочкам, запретил меняться местами.....
Притихли, не беспокоят, шёпотом обсуждают какой я плохой......


Вернуться наверх
 
Не в сети
 Заголовок сообщения: Re: Паяльные станции для T12 на STM32 и альтернативные проши
СообщениеДобавлено: Сб ноя 22, 2025 23:02:09 
Первый раз сказал Мяу!

Зарегистрирован: Вт ноя 18, 2025 18:27:24
Сообщений: 21
Рейтинг сообщения: 0
AD8571ARZ-REEL7 - вот такой.


Вернуться наверх
 
Не в сети
 Заголовок сообщения: Re: Паяльные станции для T12 на STM32 и альтернативные проши
СообщениеДобавлено: Сб ноя 22, 2025 23:04:01 
Опытный кот
Аватар пользователя

Карма: 19
Рейтинг сообщений: 217
Зарегистрирован: Вт дек 09, 2008 13:41:05
Сообщений: 786
Откуда: Череповец.
Рейтинг сообщения: 0
Оригинал? STM какая? ID соответствует datasheet?

_________________
Есть такие решения, после принятия которых, тараканы в голове аплодируют стоя.
.......Отругал своих тараканов, рассадил в голове по полочкам, запретил меняться местами.....
Притихли, не беспокоят, шёпотом обсуждают какой я плохой......


Вернуться наверх
 
Не в сети
 Заголовок сообщения: Re: Паяльные станции для T12 на STM32 и альтернативные проши
СообщениеДобавлено: Вс ноя 23, 2025 12:05:58 
Первый раз сказал Мяу!

Зарегистрирован: Вт ноя 18, 2025 18:27:24
Сообщений: 21
Рейтинг сообщения: 0
Оригинал? STM какая? ID соответствует datasheet?


STM32F103RBT6 - вот такая (62 р - ali),ОУ - не дешевый). Попробую выпаять его часть и проверить. Есть такая еще возможность что я мог кверху ногами его впаять. Если надпись прямая а ножки с другой стороны начинаются.


Вернуться наверх
 
Не в сети
 Заголовок сообщения: Re: Паяльные станции для T12 на STM32 и альтернативные проши
СообщениеДобавлено: Вс ноя 23, 2025 12:09:24 
Опытный кот
Аватар пользователя

Карма: 19
Рейтинг сообщений: 217
Зарегистрирован: Вт дек 09, 2008 13:41:05
Сообщений: 786
Откуда: Череповец.
Рейтинг сообщения: 0
У ОУ без маркировочной точки с со стороны 1-4 ноги на корпусе есть скос.

_________________
Есть такие решения, после принятия которых, тараканы в голове аплодируют стоя.
.......Отругал своих тараканов, рассадил в голове по полочкам, запретил меняться местами.....
Притихли, не беспокоят, шёпотом обсуждают какой я плохой......


Вернуться наверх
 
Не в сети
 Заголовок сообщения: Re: Паяльные станции для T12 на STM32 и альтернативные проши
СообщениеДобавлено: Вс ноя 23, 2025 13:49:31 
Первый раз сказал Мяу!

Зарегистрирован: Вт ноя 18, 2025 18:27:24
Сообщений: 21
Рейтинг сообщения: 0
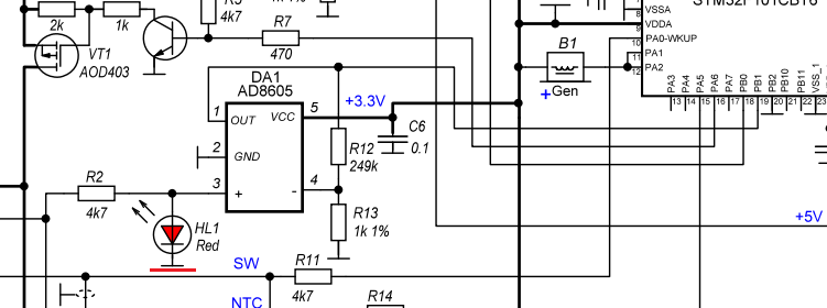
отпаял резистр 4.7ком с 3 ноги оу, тоже самое. Что то с ОУ... или диод шотки сдвоенный - какая роль его в этой схеме? - Может он накрылся. Изображение

Есть похожая схема и там вот вместо шотки диода стоит простой светодиод.

Изображение
не дело не в нем... Все таки ОУ...

Какой ОУ стоит? И что у него на выходе? И 26градусов это внутренний датчик STM .

А что у него на выходе должно быть?
Проверил 6 нога - 3.3v тоже что и на 7 ноге.


Вернуться наверх
 
Не в сети
 Заголовок сообщения: Re: Паяльные станции для T12 на STM32 и альтернативные проши
СообщениеДобавлено: Вт ноя 25, 2025 00:04:56 
Первый раз сказал Мяу!

Зарегистрирован: Вт ноя 18, 2025 18:27:24
Сообщений: 21
Рейтинг сообщения: 0
Вроде дело сдвинулось ... Дело было в прошивке, ну и в NTC датчике... который надо еще правильно настроить.


Вернуться наверх
 
Не в сети
 Заголовок сообщения: Re: Паяльные станции для T12 на STM32 и альтернативные проши
СообщениеДобавлено: Вт ноя 25, 2025 11:32:21 
Первый раз сказал Мяу!

Зарегистрирован: Вт ноя 18, 2025 18:27:24
Сообщений: 21
Рейтинг сообщения: 0
NTC ЗНАЧ НИЗ - вот такая надпись появляется, но если я выставляю ntc авто... то начинает работать - греть, вес равно кажется перегревает.
То интересно что означает эта ошибка.? Может термистр корявый.


Вернуться наверх
 
Не в сети
 Заголовок сообщения: Re: Паяльные станции для T12 на STM32 и альтернативные проши
СообщениеДобавлено: Вт ноя 25, 2025 13:07:35 
Опытный кот
Аватар пользователя

Карма: 19
Рейтинг сообщений: 217
Зарегистрирован: Вт дек 09, 2008 13:41:05
Сообщений: 786
Откуда: Череповец.
Рейтинг сообщения: 0
Это подтяжка резистора к + или -

_________________
Есть такие решения, после принятия которых, тараканы в голове аплодируют стоя.
.......Отругал своих тараканов, рассадил в голове по полочкам, запретил меняться местами.....
Притихли, не беспокоят, шёпотом обсуждают какой я плохой......


Вернуться наверх
 
Не в сети
 Заголовок сообщения: Re: Паяльные станции для T12 на STM32 и альтернативные проши
СообщениеДобавлено: Ср ноя 26, 2025 10:09:56 
Первый раз сказал Мяу!

Зарегистрирован: Вт ноя 18, 2025 18:27:24
Сообщений: 21
Рейтинг сообщения: 0
440С на мультиметре показывает жало а на экране 250... даже реальную температуру не снимает.. уже понимания нету в чем может быть дело...


Вернуться наверх
 
Не в сети
 Заголовок сообщения: Re: Паяльные станции для T12 на STM32 и альтернативные проши
СообщениеДобавлено: Сб ноя 29, 2025 12:53:21 
Первый раз сказал Мяу!

Зарегистрирован: Вт ноя 18, 2025 18:27:24
Сообщений: 21
Рейтинг сообщения: 0
При включении сперва идет нагрев мощный, потом секунд через 5-6 - на дисплее начинает бежать температура повышаясь до установленной и вроде бы мощность потребления дергается слегка, жало конечно
~500C и на затворе мосфета дергается напряжение 10-16-24в.
И еще при включении иногда просто черный экран , лечится выкл вкл и работает.

BV-Dial - У Вас все нормально работает? И это нормально для мосфета и задержка и не верный показатель с чем может быть связан?
И это нормально что в начале идет буст а не нагрев?

Я ту схему слега изменил, добавив стаб. на 5в.


Вложения:
Ksger t12.zip [75.92 KiB]
Скачиваний: 24
Вернуться наверх
 
Не в сети
 Заголовок сообщения: Re: Паяльные станции для T12 на STM32 и альтернативные проши
СообщениеДобавлено: Сб ноя 29, 2025 13:33:10 
Опытный кот
Аватар пользователя

Карма: 19
Рейтинг сообщений: 217
Зарегистрирован: Вт дек 09, 2008 13:41:05
Сообщений: 786
Откуда: Череповец.
Рейтинг сообщения: 0
У Вас станция откалибрована?
С другим жалом ведёт также себя?

_________________
Есть такие решения, после принятия которых, тараканы в голове аплодируют стоя.
.......Отругал своих тараканов, рассадил в голове по полочкам, запретил меняться местами.....
Притихли, не беспокоят, шёпотом обсуждают какой я плохой......


Вернуться наверх
 
Показать сообщения за:  Сортировать по:  Вернуться наверх
Начать новую тему Ответить на тему  [ Сообщений: 560 ]     ... , , , 27,  

Часовой пояс: UTC + 3 часа


Кто сейчас на форуме

Сейчас этот форум просматривают: pyzhman и гости: 35


Вы не можете начинать темы
Вы не можете отвечать на сообщения
Вы не можете редактировать свои сообщения
Вы не можете удалять свои сообщения
Вы не можете добавлять вложения

Найти:
Перейти:  


Powered by phpBB © 2000, 2002, 2005, 2007 phpBB Group
Русская поддержка phpBB
Extended by Karma MOD © 2007—2012 m157y
Extended by Topic Tags MOD © 2012 m157y