Например TDA7294

Форум РадиоКот • Просмотр темы - Управление асинхронным мотором
Форум РадиоКот
Здесь можно немножко помяукать :)

Текущее время: Чт дек 18, 2025 06:35:21

Часовой пояс: UTC + 3 часа


ПРЯМО СЕЙЧАС:



Начать новую тему Ответить на тему  [ Сообщений: 17 ] 
Автор Сообщение
Не в сети
 Заголовок сообщения: Управление асинхронным мотором
СообщениеДобавлено: Пт янв 14, 2022 21:08:25 
Родился

Зарегистрирован: Пт янв 14, 2022 20:41:55
Сообщений: 4
Рейтинг сообщения: 0
Здравствуйте!
В общем возникла потребность запустить асинхронный мотор с регулировкой скорости, и управлять им через ардуино.
Сейчас имеем сам мотор, силовую плату от него и контроллер управление на STM32. Все сие чудо от системы вентиляции, с подогревом и кучей функций, которые не нужны. Хочу убрать плату контроллера STM32 и поставить вместо нее ардуино, но каким образом и куда подавать какой сигнал понять не могу. С ардуиной уже имел дело, но в схемотехнике плох (название элементов знаю и только).
Помогите пожалуйста.
Изображение Изображение Изображение Изображение


Вернуться наверх
 
Не в сети
 Заголовок сообщения: Re: Управление асинхронным мотором
СообщениеДобавлено: Сб янв 15, 2022 12:49:13 
Друг Кота
Аватар пользователя

Карма: 62
Рейтинг сообщений: 889
Зарегистрирован: Вт апр 24, 2007 07:45:40
Сообщений: 6199
Откуда: Minsk
Рейтинг сообщения: 0
Так просто человеку, не имеющему опыта схемотехника, объяснить в деталях работу частотного преобразователя? Сомневаюсь...
Я бы последовал совету нашего ротного старшины: "Работает техника? Не трожь её, и она тебя не подведёт" .
Я так понимаю - имеющийся прибор уже умеет управлять скоростью? Тогда взять осцилл и посмотреть времянки на управляющих входах усилителя на разных скоростях. Ну а если слово "осцилл" вызывает недоумение и тоску - то выбачайце.

_________________
Изображение


Последний раз редактировалось Jack_A Сб янв 15, 2022 12:58:06, всего редактировалось 1 раз.

Вернуться наверх
 
Не в сети
 Заголовок сообщения: Re: Управление асинхронным мотором
СообщениеДобавлено: Сб янв 15, 2022 12:55:27 
Друг Кота
Аватар пользователя

Карма: 5
Рейтинг сообщений: 61
Зарегистрирован: Ср сен 30, 2020 16:51:47
Сообщений: 4625
Откуда: РФ
Рейтинг сообщения: 0
Хочу убрать плату контроллера STM32 и поставить вместо нее ардуино, но каким образом и куда подавать какой сигнал понять не могу. С ардуиной уже имел дело, но в схемотехнике


Схемотехника это второй вопрос.
Первый вопрос: А прошивку для ардуины вы где возьмёте?

_________________
"... жизнь удалась, если найдётся кто-нибудь, кто заберёт с помойки твои книги и инструменты, когда ты умрёшь"


Вернуться наверх
 
Не в сети
 Заголовок сообщения: Re: Управление асинхронным мотором
СообщениеДобавлено: Сб янв 15, 2022 12:58:56 
Родился

Зарегистрирован: Пт янв 14, 2022 20:41:55
Сообщений: 4
Рейтинг сообщения: 0
Про фразу "работает - не трогай", знаю не понаслышке. Сам сисадмин.
Но проблем в том, что оно как надо не работает. Родной контроллер с Блютузом, управляется только со смарфоном, так же там еще три термодатчика, два концевика и нагревательный элемент. Без этого сего, контроллер падает через 30 секунд в ошибку, в ввиду отсутствия оных (термопаруы нашел и воткнул, поставил сопротивление вместо нагревашки, нужный концевик замкнул, работает, но сам факт, что только через приложение, удручает). Да и хочеться OLED дисплей ардуинки с кнопочками для управления сделать (энто умею).

Осцилографом когда то пользовался, сейчас нет такого девайса в наличии, только простейший мультиметр.


Вернуться наверх
 
Эиком - электронные компоненты и радиодетали
Не в сети
 Заголовок сообщения: Re: Управление асинхронным мотором
СообщениеДобавлено: Сб янв 15, 2022 14:00:10 
Друг Кота
Аватар пользователя

Карма: 123
Рейтинг сообщений: 7959
Зарегистрирован: Сб сен 13, 2014 16:27:32
Сообщений: 39199
Откуда: СпиртоГонск созвездия Омега
Рейтинг сообщения: 0
ну предде всего надо выяснить как там рлился мотор по частоте
есть неск рещений для АД при вентиляторной нагрузке
1 типовой -частотный привод или переключение обмоток мотора -менять число полюсоф
2 регулировать сколщение мотора охватиф десткой петлей ООСС для мотора со смягченой СХ
реализовать 1 вы на своей базе врядли сможете-банално не хватит ее ресурсоф
2 можете попробовать сделать в цифре... с даьчика подать на МК и рулить через галваноразвязку с оптроном силовым триаком ВТА сери со снабероом
но это проше реализовать в чистом анале взять сигнал с тахдатчика мотора далее ПЧН интегратой выходной мощный УСя

_________________
ZМудрость(Опыт и выдержка) приходит с годами.
Все Ваши беды и проблемы, от недостатка знаний.
Умный и у дурака научится, а дураку и ..
Алберт Ейнштейн не поможет и ВВП не спасет.и МЧС опаздает


Вернуться наверх
 
Не в сети
 Заголовок сообщения: Re: Управление асинхронным мотором
СообщениеДобавлено: Сб янв 15, 2022 19:55:16 
Друг Кота
Аватар пользователя

Карма: 62
Рейтинг сообщений: 889
Зарегистрирован: Вт апр 24, 2007 07:45:40
Сообщений: 6199
Откуда: Minsk
Рейтинг сообщения: 0
Это значит - выбросить штатное управление и делать самопал с нуля ? :?

_________________
Изображение


Вернуться наверх
 
Не в сети
 Заголовок сообщения: Re: Управление асинхронным мотором
СообщениеДобавлено: Сб янв 15, 2022 21:02:42 
Открыл глаза

Зарегистрирован: Чт ноя 04, 2021 19:53:46
Сообщений: 41
Рейтинг сообщения: 3
там похоже четырёхскоростной вентилятор, обмотки переключаются небольшими симисторами.


Вернуться наверх
 
Не в сети
 Заголовок сообщения: Re: Управление асинхронным мотором
СообщениеДобавлено: Вс янв 16, 2022 10:15:40 
Родился

Зарегистрирован: Пт янв 14, 2022 20:41:55
Сообщений: 4
Рейтинг сообщения: 0
В общем там стоит два потрона, один на RX второй на TX судя по всему, далее идет на микруху sh79F084al, после нее уже симисторы 131-8d


Вернуться наверх
 
Не в сети
 Заголовок сообщения: Re: Управление асинхронным мотором
СообщениеДобавлено: Вс янв 16, 2022 12:48:06 
Друг Кота
Аватар пользователя

Карма: 62
Рейтинг сообщений: 889
Зарегистрирован: Вт апр 24, 2007 07:45:40
Сообщений: 6199
Откуда: Minsk
Рейтинг сообщения: 0
там стоит два потрона

Так это - огнестрельное оружие?! :shock:

_________________
Изображение


Вернуться наверх
 
Не в сети
 Заголовок сообщения: Re: Управление асинхронным мотором
СообщениеДобавлено: Вс янв 16, 2022 19:07:17 
Друг Кота
Аватар пользователя

Карма: 59
Рейтинг сообщений: 2218
Зарегистрирован: Чт янв 26, 2012 16:44:29
Сообщений: 19549
Откуда: Таксимо
Рейтинг сообщения: 0
4 симистора не вижу, вижу два больших на радиаторах

_________________
Мои поставщики запчастей с отличной репутацией
texnomag.ru
radioremont.com
pl-1.org
4ip.info
elitan.ru


Вернуться наверх
 
Не в сети
 Заголовок сообщения: Re: Управление асинхронным мотором
СообщениеДобавлено: Пн янв 17, 2022 18:08:16 
Родился

Зарегистрирован: Пт янв 14, 2022 20:41:55
Сообщений: 4
Рейтинг сообщения: 0
Всем спасибо. Более менее сам разобрался. Решил сделать так: Выкинуть микруху и симисторы на силовой плате, и поставить несколько реле, изначально там 6 скоростей, оставлю 4, далее реле к ардуинке, благо на Али есть сборки релюх для ардуинки, так и буду управлять эти делом.

И еще раз спасибо откликнувшимся.


Вернуться наверх
 
Не в сети
 Заголовок сообщения: Re: Управление асинхронным мотором
СообщениеДобавлено: Пн янв 17, 2022 19:11:25 
Друг Кота
Аватар пользователя

Карма: 123
Рейтинг сообщений: 7959
Зарегистрирован: Сб сен 13, 2014 16:27:32
Сообщений: 39199
Откуда: СпиртоГонск созвездия Омега
Рейтинг сообщения: 0
проще галетник потавить на 6-7 положений

_________________
ZМудрость(Опыт и выдержка) приходит с годами.
Все Ваши беды и проблемы, от недостатка знаний.
Умный и у дурака научится, а дураку и ..
Алберт Ейнштейн не поможет и ВВП не спасет.и МЧС опаздает


Вернуться наверх
 
Не в сети
 Заголовок сообщения: Re: Управление асинхронным мотором
СообщениеДобавлено: Вт апр 11, 2023 17:28:58 
Открыл глаза

Зарегистрирован: Вт дек 01, 2009 19:25:41
Сообщений: 42
Рейтинг сообщения: 0
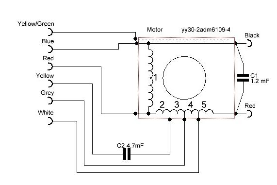
Добрый день.
Подскажите по данной схемотехнике.
Попался в руки аналогичный набор (плата и мотор).
Как написано выше, у мотора 6 скоростей, но для меня очевидных всего 3-и.
Объясните пожалуйста про второй конденсатор, зачем он нужен и как правильно коммутировать обмотки?
Самая большая скорость и подаче напряжения на синий и красный, если подавать напряжение на синий и белый или синий и серрый, скорость ниже, но сильно, как мне показалось, не отличается.
Есть галетник на 5 позиций, как правильно записать низкие скорости?


Вложения:
yy30-2adm6109-4.JPG [21.74 KiB]
Скачиваний: 159

_________________
(\_/)
(='.'=)
(").!.(")
Вернуться наверх
 
Не в сети
 Заголовок сообщения: Re: Управление асинхронным мотором
СообщениеДобавлено: Чт апр 13, 2023 10:31:56 
Родился

Зарегистрирован: Ср апр 12, 2023 12:08:29
Сообщений: 1
Рейтинг сообщения: 0
Добрый день.
Подскажите по данной схемотехнике.
Попался в руки аналогичный набор (плата и мотор).
Как написано выше, у мотора 6 скоростей, но для меня очевидных всего 3-и.
Объясните пожалуйста про второй конденсатор, зачем он нужен и как правильно коммутировать обмотки?
Самая большая скорость и подаче напряжения на синий и красный, если подавать напряжение на синий и белый или синий и серрый, скорость ниже, но сильно, как мне показалось, не отличается.
Есть галетник на 5 позиций, как правильно записать низкие скорости?

Что касается пятипозиционного галетника, то для правильной настройки низких скоростей необходимо знать, как распределены обмотки двигателя и как они подключены к галетнику. Обычно в документации на устройство есть таблица, которая показывает, какие контакты галетника нужно использовать для каждой из скоростей.


Вернуться наверх
 
Не в сети
 Заголовок сообщения: Re: Управление асинхронным мотором
СообщениеДобавлено: Пт апр 14, 2023 10:05:27 
Открыл глаза

Зарегистрирован: Вт дек 01, 2009 19:25:41
Сообщений: 42
Рейтинг сообщения: 0
Вы меня не правильно поняли, наверно.
Я выложил схему обмоток мотора и хочу переключать скорости переключателем обмоток(галетником).
Мне непонятно схематическое включение второго конденсатора.

_________________
(\_/)
(='.'=)
(").!.(")


Вернуться наверх
 
Не в сети
 Заголовок сообщения: Re: Управление асинхронным мотором
СообщениеДобавлено: Сб апр 15, 2023 13:06:56 
Друг Кота
Аватар пользователя

Карма: 62
Рейтинг сообщений: 889
Зарегистрирован: Вт апр 24, 2007 07:45:40
Сообщений: 6199
Откуда: Minsk
Рейтинг сообщения: 0
... попробовать все комбинации (их не так много) методом тыка, не? Конечно, с обязательным предохранителем в цепи. А если мотор маломощный, то и с ограничителем мощности в виде, к примеру, утюга, включённого последовательно.

_________________
Изображение


Вернуться наверх
 
Не в сети
 Заголовок сообщения: Re: Управление асинхронным мотором
СообщениеДобавлено: Пт окт 24, 2025 17:51:46 
Родился

Зарегистрирован: Пт окт 24, 2025 17:40:36
Сообщений: 1
Рейтинг сообщения: 0
Здравствуйте!

Нужна помощь:
Значения активного сопротивления всех обмоток. Вдруг замеряли. Тема возможно умерла и данного мотора уже нет под рукой. Но вдруг...


Вернуться наверх
 
Показать сообщения за:  Сортировать по:  Вернуться наверх
Начать новую тему Ответить на тему  [ Сообщений: 17 ] 

Часовой пояс: UTC + 3 часа


Кто сейчас на форуме

Сейчас этот форум просматривают: >TEHb< и гости: 21


Вы не можете начинать темы
Вы не можете отвечать на сообщения
Вы не можете редактировать свои сообщения
Вы не можете удалять свои сообщения
Вы не можете добавлять вложения

Найти:
Перейти:  


Powered by phpBB © 2000, 2002, 2005, 2007 phpBB Group
Русская поддержка phpBB
Extended by Karma MOD © 2007—2012 m157y
Extended by Topic Tags MOD © 2012 m157y